
1 60100002348 LG0050DTGAⅢ.01.05.01 发动机总成 Engine assembly 1
2 60700000743 LG0050DTGAⅢ.01.05.02 减振器 Shock absorber 2
3 51204121614 GB/T5783 螺栓M14×50 Bolt M10×40 4
4 51307001219 GB/T6170 螺母M14 Nut M14 4
5 51401120107 GB/T93 垫圈14 Washer 14 4
6 51421120115 GB/T97.1 垫圈14 Washer 14 8
7 51204161714 GB/T5783 螺栓M22×55 Bolt M22×55 2
8 51401160107 GB/T93 垫圈22 Washer 22 2
9 51421160115 GB/T97.1 垫圈22 Washer 22 2

1 51204101014 GB/T5783 螺栓M10×20 Bolt M10×20 2
2 51401100107 GB/T93 垫圈10 Washer 10 2
3 51421100115 GB/T97.1 垫圈10 Washer 10 2
4 30001110013 LG0050DTGAⅢ.01.03-001 空滤支架 Bracket 1
5 30001014875 LG0075DTG.01.03.01 空滤器总成 Air filter assembly 1
6 56171002101 JB/T8870 喉箍d90(70~90) Hoop d90(70~90) 3
7 56171002201 JB/T8870 喉箍d80(60~80) Hoop d80(60~80) 1
8 60700000373 LG0050DTGAⅢ.01.03-002 成型管 Molding pipe 1
9 51204091014 GB/T5783 螺栓M8×20 Bolt M8×20 4
10 51401090107 GB/T93 垫圈8 Washer 8 4
11 51421090115 GB/T97.1 垫圈8 Washer 8 4
12 60700000374 LG0050DTGAⅢ.01.03-003 成型管 Molding pipe 1

1 56171000301 JB/T8870 喉箍d32(20~32) Hoop d32(20~32) 6
2 30001109224 LG0100DTYA.01.01-001 胶管 Hose 1
3 30006109207 LG0045DXAⅢ.06-001 胶管 Hose 1
4 51204090914 GB/T5783 螺栓M8×16 Bolt M8×16 2 选配副水箱4件
5 51401090107 GB/T93 垫圈8 Washer 8 2 选配副水箱6件
6 51421090115 GB/T97.1 垫圈8 Washer 8 2 选配副水箱4件
7 30012023305 LG0075DTG.12.10 滤清器总成 Filter assembly 1
8 30012115006 LG0060DT.12-012 支架 Bracket 1
9 56171002901 JB/T8870 喉箍d120(100~120) Hoop d120(100~120) 1
10 30001109213 LG0100DT.01.01-002 胶管 Hose 1
11 60911011895 JB/T8870 美式重型喉箍105(83-105) American heavy hoop 3
12 60700000368 LG0050DTGAⅢ.01.01-001 成型管 Molding pipe 1
13 60980002837 LG0160DT.12.63 扎带8×300 Binding tape 1
14 17101000630 LG0050DTGAⅢ.01.01.01 散热器总成 Radiator assy. 1
15 60700000369 LG0050DTGAⅢ.01.01-002 成型管 Molding pipe 1
16 56171002701 JB/T8870 喉箍d60(40~60) Hoop d60(40~60) 3
17 51341000619 GB/T889.1 螺母M10 Nut M10 2
18 51420100121 GB/T96.1 垫圈10 Washer 10 2
19 51204101514 GB/T5783 螺栓M10×45 Bolt M10×45 2
20 30001109000 30D-0121003 减震垫 Rubber gasket 2
21 60700000370 LG0050DTGAⅢ.01.01-003 成型管 Molding pipe 1
22 60911014142 LG0100DTKD.01.01.04 美式重型喉箍79(57-79) American heavy hoop 3
23 60700000375 LG0050DTGAⅢ.01.01.02 钢管焊合 Steel tube weldment 1
24 60700000371 LG0050DTGAⅢ.01.01-004 成型管 Molding pipe 1
25 60700000372 LG0050DTGAⅢ.01.01-005 成型管 Molding pipe 1
26 30001109001 30D-0121004 减震垫 Rubber gasket 2
27 51204091014 GB/T5783 螺栓M8×20 Bolt M8×20 2
28 30001109217 LG0100DT.01.01-005 塑料管 Plastic tube 1 选配副水箱
29 56171000101 JB/T8870 喉箍d16(10~16) Hoop d16(10~16) 2 选配
30 56171001001 JB/T8870 喉箍d70(50~70) Hoop d70(50~70) 1 选配副水箱
31 30001013800 LG0060DT.01.01.01 固定架焊合 Fixed bracket weldment 1 选配副水箱
32 51307000919 GB/T6170 螺母M8 Nut M8 2 选配副水箱
33 30001107100 LG0060DT.01.01-001 防冻液瓶 Antifreeze bottle 1 选配副水箱
34 30001109227 30D-0131002 塑料管 Plastic tube 1 选配副水箱

1 30001015919 LG0075DTG.01.04.01 燃油箱盖板焊合 Cover plate weldment 1
2 30001113910 LG0075DTG.01.04-001 橡胶垫 Rubber gasket 1
3 51204091014 GB/T5783 螺栓M8×20 Bolt M8×20 8
4 56147012401 JB/T982 组合垫圈8 Combination washer 8 8
5 51204091114 GB/T5783 螺栓M8×25 Bolt M8×25 2
6 51420090121 GB/T96.1 垫圈8 Washer 8 2
7 51401090107 GB/T93 垫圈8 Washer 8 2
8 33001109220 LG0420FC.01.03-012 胶管 Hose 2
9 56171001301 JB/T8870 喉箍d20(12~20) Hoop 6
10 60700000829 LG0050DTGAⅢ.01.04-001 管接头 Pipe connector 2 发动机总成带
11 60100002909 LG0050DTGAⅢ.01.04.01 油水分离器总成 Oil & water separator 1 发动机总成带
12 33001109218 LG0420FC.01.03-010 胶管 Hose 1
13 30001015101 30D-0131200 滤芯总成 Filter element assembly 1

1 30001113900 30D-0141001 橡胶垫 Rubber gasket 4
2 51204101714 GB/T5783 螺栓M10×55 Bolt M10×55 2
3 51420100121 GB/T96.1 垫圈10 Washer 10 2
4 51341000619 GB/T889.1 螺母M10 Nut M10 2
5 51204101314 GB/T5783 螺栓M10×35 Bolt M10×35 9
6 51401100107 GB/T93 垫圈10 Washer 10 9
7 51421100115 GB/T97.1 垫圈10 Washer 10 9 发动机带
8 30001111515 LG0100DTGAC.01.02.06 密封垫 Seal gasket 3
9 60700000376 LG0050DTGAⅢ.01.02.01 钢管焊合 Steel tube weldment 1
10 30001109001 30D-0121004 减震垫 damping cushion 1
11 30001016924 LG0075DTG.01.02.02 消声器焊合 Muffler weldment 1
12 60100002191 LG0050DTⅢ.01.02.01 钢管焊合 Steel tube weldment 1 6 – 7 T
60700000132 LG0050DTⅢ.01.02.02 钢管焊合 Steel tube weldment 1 5 T
30001013033 LG0075DTG.01.02.03 钢管焊合 Steel tube weldment 1 7.5T

1 30001113900 30D-0141001 橡胶垫 Rubber gasket 2
2 51204101714 GB/T5783 螺栓M10×55 Bolt M10×55 1
3 51420100121 GB/T96.1 垫圈10 Washer 10 1
4 51341000619 GB/T889.1 螺母M10 Nut M10 1
5 51204101314 GB/T5783 螺栓M10×35 Bolt M10×35 13
6 51401100107 GB/T93 垫圈10 Washer 10 13
7 51421100115 GB/T97.1 垫圈10 Washer 10 13
8 30001111515 LG0100DTGAC.01.02.06 密封垫 Seal gasket 3 发动机带
9 60700000376 LG0050DTGAⅢ.01.02.01 钢管焊合 Steel tube weldment 1
10 30001109001 30D-0121004 减震垫 Rubber gasket 1
11 30001016924 LG0075DTG.01.02.02 消声器焊合 Muffler weldment 1
12 30001013036 LG0075DTG.01.06.01 钢管焊合 Steel tube weldment 1
13 30001013037 LG0075DTG.01.06.02 钢管焊合 Steel tube weldment 1
14A 30001010204 LG0060DT.01.02.02 U型卡总成 U-clamp assembly 1 包含14- 17
14 51307000919 GB/T6170 螺母M8 Nut M8 2
15 30001105104 LG0060DT.01.02.02-001 U型卡环套 U-clamp sheath 1
16 51401090107 GB/T93 垫圈8 Washer 8 2
17 30001105005 LG0060DT.01.02.02-002 U形螺栓 U-bolt 1

1 60200000290 LG0050DTⅢ.02.01 驱动桥总成 Drive axle assembly 1 5-7t
30002024560 LG0075DTG.02.01 驱动桥总成 Drive axle assembly 1 7.5t
2 30002107614 LG0100DT.02.01.02-002 固定板 Fixed plate 2
3 30002119100 LG0100DT.02.01.02-001 气阀加长管 Lengthening pipe 2
4 17408000044 LG0075DTG.02.02 传动轴总成 Drive shaft assembly 1
5 30002111104 LG0075DTG.02-001 螺栓 Bolt 8
6 51309000720 GB/T6171 螺母M16×1.5 Nut M16×1.5 8
7 51401130107 GB/T93 垫圈16 Washer 16 8
8 30002020374 LG0050DTGAⅢ.02.01 变速箱总成 Transmission assembly 1
9 30002024307 LG0060DT.02.01.02 驱动轮总成 Drive wheel assembly 4
10 30002106406 LG0075DTG.02-002 垫圈 Washer 10
11 51207172218 GB/T5786 螺栓M24×2×80 Bolt M24×2×80 10
12 51309001220 GB/T6171 螺母M24×2 Nut M24×2 10
13 30006113003 LG0060DT.06-005 护板 Guard plate 2
14 51401100107 GB/T93 垫圈10 Washer 10 4
15 51421100115 GB/T97.1 垫圈10 Washer 10 4
16 51204101114 GB/T5783 螺栓M10×25 Bolt M10×25 4

1 QD-1060-371 1060-调整螺母 Adjustment nut 2
2 Q341B12 1060-螺母12×1.25 Nut 12×1.25 12
3 2402C-357 1060差壳连接螺栓锁片 Lock split 6
4 QD-1060-318 1060-右差壳 Right differential 1
5 2402C-336 1060-半轴垫片 Shaft axle gasket 2
6 2402C-335 1060-半轴齿轮 Shaft axle gear 2
7 2402C-346 1060-行星齿垫片 Planetary gear gasket 4
8 2402C-345 1060-行星齿轮 Planetary gear 4
9 2402C-331 1060-十字轴 Spider 1
10 150B0816 1060-锁片螺栓M8×1.25 Lock split bolt M8×1.25 4
11 QD-1060-119 1060-轴承盖螺栓M14×2 Bearing cover M4×2 4
12 QD-1060-121 M14螺栓弹簧垫圈 Spring washer M14 4
13 Q40308 M8螺栓弹簧垫圈 Spring washer M8 4
14 2402C-383 1060调整螺母止动片 Adjustment nut stop 2
15 QD-1060-117 1060-轴承盖 Bearing cover 2
16 2402C-356 1060-螺栓M12×1.25 Bolt M12×1.25 12
17 32014 32014轴承 32041 bearing 2
18 QD-1061-026 1061-从动锥齿轮 Driven cone gear 1
19 QD-1060-317 1060-左差壳 Left differential case 1
20 2402C-110 1060-减壳 reducer case 1
21 CGS3260SEK 1060-CGS3260SEK轴承 Bearing 1
22 QD-1061-025 1061-主动锥齿轮 Driven cone gear 1
23 27709E 27709E轴承 Bearing 2
24 2402C-081-084 1060-轴承座调整垫片 Adjustment gasket 按需
25 QD-1060-036 1060-轴承座 Bearing seat 1
26 2402C-049 1060-隔套 Spacer 1
27 2402C-041-044 1060-主锥调整垫片 Adjustment gasket 按需
28 2402C-052 1060-突缘垫片 Gasket 1
29 2402C-053 1060-油封座衬垫 Oil seal seat gasket 1
30 2402Q01-061 1060-油封 Oil seal 1
31 2402C-036 1060-油封座 Oil seal seat 1
32 Q40512 M12螺栓弹簧垫圈 Spring washer 6
33 Q1601245 1060-螺栓M12×1.75 Bolt M12×1.25 6
34 2402Q01-065 1060-突缘(装配体) Flange 1
35 2402C-071 1060-主锥止推垫片 Trust gasket 1
36 2402C-072 1060-主锥锁紧螺母24×1.5 lock nut 24×1.5 1
37 Q500B0550 1060-5X36开口销 Cotter pin 1

1 053017 盖 Cover 2
2 GB5783-86 螺栓M10×20 Bolt M10×20 12
3 GB859-87 弹簧垫圈10 Spring washer 10 12
4 GB1002-77 垫圈14 Washer 14 2
5 Q/zB220-77 螺塞M14×1.5 Plug M14×1.5 2
6 Q61401 螺塞z1/8 Plug 2
7 GB5783-86 螺栓M12×35 Bolt M12×35 30
8 GB93-87 弹簧垫圈 12 Spring washer 12 30
9 053022 行星齿轮轴 Planetary gear shaft 6
10 GB308-77 钢球 Steel ball 6
11 053023 垫 Gasket 12
12 053021 行星齿轮 Planetary gear 6
13 053020 衬套 Bushing 6
14 050001 半轴 Axle shaft 2
15 053018 隔套 Spacer 2
16 GB1235-76 O形密封圈190×3.1 O seal ring 2
17 053015 行星轮架 Planetary gear carrier 2
18 GB5783-86 螺栓M8×25 Bolt M8×25 4
19 GB93-87 弹簧垫圈8 Spring washer8 4
20 053004 挡板 Guide plate 2
21 053014 螺母 Nut 2
22 053013 内齿圈 Ring gear 2
23 GB272-88 轴承7521E(7221E) Bearing 2
24 053010 螺母 Nut 20
25 053009 螺母 Nut 20
26 053008 双头螺栓 threaded stud 20
27 053007 螺母 Nut 20
28 053011 轮彀 Wheel hub 2
29 GB297-84 轴承7520E(7220E) Bearing 2
30 053003D 制动鼓 Brake drum 2
31 GB9877-1-88 骨架油封(SG6120×150×14) Frame oil seal 4
32 053033D 防松垫 Anti-loose gasket 8
33 053027/053028 铰制螺栓/螺栓M16 Hinged bolt/bolt M16 4/12
34 053005 挡油盘 Disc 2
35 053018 隔套 Spacer 2
36 GB1235-76 O形密封圈105×3.1 O seal ring 2

1 25783-71250G 制动分泵总成 Wheel brake pump assembly 1
2 25783-71380G 回位弹簧 Return spring 2
3 25783-71110G 制动蹄总成 Brake shoe assembly 2 包
& 括左右制动片/right left brake piece bel
68051011412 刹车片(左) Brake Piece,left side 1
68051011411 刹车片(右) Brake Piece,right side 1
4 25783-71160G 调整器总成 Regulator assembly 1
5 25783-71370G 拉簧 Pull spring 1
6 25783-71510G 制动底板 Brake bottom plate 1
7 25783-71350G 压簧装置 Pressure spring device 2

1 60205000189 LG0060DT.02.01.02-001 轮胎总成8.25-15-14PR Tire assembly 8.25-20-14PR 2
2 60205000190 LG0060DT.02.01.02-002 轮辋焊合6.5-15 Rim weldment 6.5-15 2
3 30002119100 LG0100DT.02.01.02-001 气阀加长管 Air vlave lengthening pipe 2
4 30002107614 LG0100DT.02.01.02-002 固定板 Fixed plate 2

1 30002024560 LG0075DTG.02.01 驱动桥 Drive axle 1
2 51309001220 GB/T6171 螺母M24X2 Nut M24×2 12
3 30002106406 LG0075DTG.02-002 垫圈 Washer 12
4 51207172218 GB/T5786 螺栓M24X2X80 Bolt M24×2×80 12

A 30002024560 K0Q83-00001 驱动桥 Drive axle 1
1 A02Z3-00202 驱动桥壳总成 Housing axle 1
2 25073-00031 桥壳螺塞 Plug,drain 2
3 22253-02063b 透气塞 Breather 1
4 A02Z3-02081 垫片 Washer 4
5 A02Z3-00301 半轴 Shaft,axle 2
6 REF214284G 制动器总成 Wheel brake asembly 2
7 25783-02800G 支撑板 Plate 2
8 A53H3-03001 圆柱销 Pin 4
9 25784-42111 外螺母 Nut,hub outer 20
10 25784-42101 内螺母 Nut,hub inner 20
11 A02Z3-02052 制动鼓 Drum 2
12 90100-97090 螺栓 Bolt 20
13 51401120107 B5050-00014 垫圈14 Washer 14 34 GB/T93
14 25803-02081 行星架 Carrier,planet 2
15 25803-02101 纸垫 Packing 2
16 25803-02091 行星齿轮 Gear,planet 6
17 REF106352 滚子隔垫 Spacer 6
18 52901001501 Z1612-04218 滚针4X21.81 Needle 4×21.81 348 GB/T309
19 52900007701 Z1510-G0095 钢球9.5 Ball 6 GB/T308
20 90106-34990 行星齿轮轴 Shaft,planet gear 6
21 90106-35090 止推垫片 Washer,thrust 12
22 25803-02071 太阳齿轮 Gear,sun 2
23 03192-33023 轴向卡圈 Ring 2
24 90106-45490A 半轴端盖总成 Cap,axle shaft 2
25 90106-06890 端盖纸垫 Gasket 2
26 51207111214 B0530-12030 螺栓M12X1.25X30 Bolt M12×1.25×30 12 GB/T5786
27 51401110107 B5050-00012 垫圈12 Washer 12 12 GB/T93
28 24043-00230 锁紧螺母(外)M75X2 Lock nut,outer 2
29 24043-00240 锁紧螺母(内)M75X2 Lock nut,inner 2
30 REF101274 防松垫圈 Washer,lock 12
31 22193-03001 堵塞 Plug 4
32 90106-88090 内齿圈螺栓 Bolt 16
33 25803-02041 内齿圈 Gear,inner 2
34 25803-02051 内齿圈座 Gear,inner seat 2
35 51207111114 B0530-12025 螺栓M12X1.25X25 Bolt M12×1.25×25 36 GB/T5786
36 A53H3-02081 轴承Z-33021 Bearing,taper roller 2
37 25783-02051 大轴承 Bearing,taper roller 2
38 24353-72001 螺栓柱 Stud 20
39 25783-02011 纸垫 Packing 1
40 51207121414 B0530-14040 螺栓M14X1.5X40 Bolt M14×1.5×40 14 GB/T5786
41 51309001019 B4223-00020 螺母M20X1.5 Nut M20×1.5 20 GB/T6171
42 A53H3-03011 轴套 Bushing 2
43 51513141702 B3120-12030 销12X30 Pin 12×30 4 GB/T119
44 A53H3-02061 轮毂 Hub 2
45 A53H3-03021 铰制螺栓 Bolt,reamer 4
46 REF104412 平垫圈 Washer 4
47 A53H3-03031 螺栓 Bolt 20
48 25783-02261 锥形垫圈 Washer,conical spring 20
49 A53H3-02071 油封AB4498E0 Oil seal 4

A HRA40B3001
15803-50001 差速器总成 Differential unit 1
1 15783-52041 主传动器壳体 Carrier 1
2 H41X3-02071 油封SG70X95X13 Oil seal 1
3 52323000601 Z-31310 轴承31310 Bearing 31310 1 GB/T297
4 REF341660 调整垫片 Washer,thrust AR
5 13913-52172 隔块 Piece distance 1
6 H41X3-02081 O型固定密封圈140X3.1 O-ring 140×3.1 1
7 52323000701 Z-31311 轴承31311 Bearing 31311 1 GB/T297
8 90100-95390G 调整螺栓总成 Bolt assembly 1
9 51312001019 B4413-00022 螺母M22X1.5 Nut M22×1.5 1 GB/T6173
10 56145010604 Z6053-04004 O型圈40X5.3 O-ring 40×5.3 1 GB/T3452.1
11 52324001201 Z-32214 轴承32214 Bearing 32214 2 GB/T297
12 13913-52071 调整螺母 Nut 2
13 20313-50071 盖用双头螺栓 Bolt 4
14 20233-50281 螺母 Nut 4
15 51512091501 B3010-04036 销4X36 Pin 4×36 4 GB/T91
16 13913-52081 锁片 Lock adjuster 2
17 90100-17490G 螺栓 Bolt 8
18 B4530-00014 螺母M14X1.5 Nut M14×1.5 20 GB/T6176
19 90100-16990 行星齿轮 Gear,planet 4
20 90100-17201 推力垫片 Washer,thrust 4
21 15953-52121G 螺栓 Bolt 12
22 6TY10-00-53 差速器总成标牌 Decal 1
23 15783-52021G 差速器左壳体 Case,lefthousing 1
24 15703-52001G 大螺伞齿轮 Gear 1
25 15783-52031 十字轴 Spider 1
26 13913-52032G 差速器右壳体 Case,righthousing 1
27 16263-52161G 半轴齿轮 Gear side 2
28 REF336236 调整垫片 Washer,adjuster AR
29 51453270107 B6150-00030 轴用弹性垫圈30 Washer 30 1 GB/T894.1
30 51401100107 B5050-00010 垫圈10 Washer 10 2 GB/T93
31 51207105014 B0530-10020 螺栓M10X1.25X20 Bolt M10×1.25×20 2 GB/T5786
32 13913-52051 轴承盖 Cap 2
33 52902000102 Z-NUP306 轴承NUP306 Bearing NUP306 1 GB/T283
34 15703-52011 主动螺旋伞齿轮 Pinion drive 1
35 REF336791 调整垫片 Washer,adjuster AR
36 15783-52051 轴承座 Bearing seat 1
37 15783-52071 衬垫 gasket 1
38 15783-52061 油封座 Oil seal seat 1
39 B5050-00014 垫圈14 Washer 14 6 GB/T93
40 B0430-14050 螺栓M14X1.5X50 Bolt M14×1.25×50 6 GB/T5785
41 15783-52081 凸缘 Flange 1
42 15783-52091 垫圈 Washer 1
43 15783-52101 锁紧螺母 Lock nut 1
44 B2180-03006 铆钉3X4 Rivet 3×4 4 GB/T287
45 H41X3-02091 钢丝10X100 Steel wire 10×100 1

A REF214284
230G3-70112 制动器总成(左) Wheel brake assembly 1
REF214284 230G3-70102 制动器总成(右) Wheel brake assembly 1
1 C-52-61708-11003 制动器底板(左) Left back plate 1 左制动器用
C-52-61708-21003 制动器底板(右) Right back plate 1 右制动器用
B C-52-61708-52005 制动分泵总成 Wheel cylinder assembly 1 左右对称各1
*1 C-K2-61708-02204 主要维修工具包 Repair kit main 1
*2 C-K2-61707-02314 辅助维护工具包 Repair kit sub 1
2 分泵弹簧 Spring 1
3 制动分泵护罩 Boot 1
4 制动分泵缸 Body 1
5 支承环 Ring,back-up 2
6 制动分泵油塞 Piston 2
7 分泵皮碗 Cup 2
8 C-52-61708-02381 分泵活塞顶杆 Link,connection 2
9 C-52-11204-69010 堵塞 Cover 6
C C-52-61708-12015 制动分泵总成 Wheel cylinder assembly 1 带放气螺钉(左)
C-52-61708-22015 制动分泵总成 Wheel cylinder assembly 1 带放气螺钉(右)
*3 C-K2-61708-02204 主要维修工具包 Repair kit main 1
*4 C-K2-61707-02314 辅助维护工具包 Repair kit sub 1
10 分泵弹簧 Spring 1
11 制动分泵护罩 Boot 2
12 制动分泵缸 Body 1
13 支承环 Ring,back-up 2
14 制动分泵油塞 Piston 2
15 分泵皮碗 Cup 2
16 C-52-61708-02381 分泵活塞顶杆 Link,connection 2
17 C-52-30780-02340 分泵放气螺钉帽 Cap 1
18 C-90-6000-1035 分泵放气螺钉 Bleeder 1
19 C-52-61701-03641 垫块 Piece 2
20 C-52-61707-05007 制动蹄带摩擦片总成 Shoe & Lining 2
21 C-90-1694-1000 螺母 Nut 2
22 C-52-61505-54320 垫圈 Wsher 2
23 C-52-61506-04280 柱头螺栓 Stud 2
24 C-90-3100-2522 销 Pin 2
25 C-52-61706-04041 弹簧 Spring 2 左制动器用
C-52-61706-04040 弹簧 Spring 2 右制动器用
26 C-52-61706-14010 弹簧 Spring 2 左制动器用
C-52-61706-24010 弹簧 Spring 2 右制动器用
27 C-52-61707-02403 管 Tubing 1
28 C-90-0527-0815 螺栓 Bolt 4

1 60205000191 GB/T2982 轮胎总成8.25-20-14PR Tire assembly 8.25-20-14PR 4
A 60200000181 LG0075DTG.02.04.01 轮辋焊合7.00T-20 Rim weldment 7.00T-20 4 包含2-3
2 60205000158 LG0100DT.02.01.02.02-003 轮辋体 Rim 4
3 60205100001 LG0100DT.02.01.02.02-001 档圈 Snap ring 4
4 30002119100 LG0100DT.02.01.02-001 气阀加长管 Air vlave lengthening pipe 2
5 30002107614 LG0100DT.02.01.02-002 固定板 Fixed plate 2

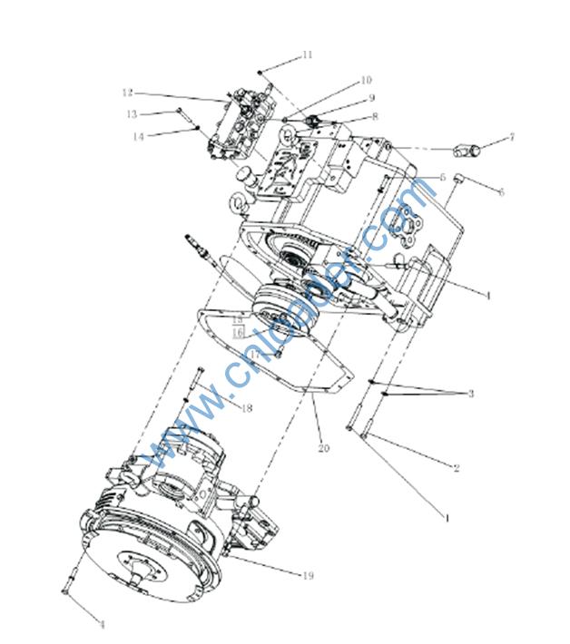
1 60200000367 LG0050DTGAⅢ.02.01.01 变速箱总成 Transmission assembly 1
2 51207131314 GB/T5786 螺栓M16×1.5×35 Nut M16×1.5×35 8
3 51401130107 GB/T93 垫圈16 Washer 16 8
4 30002018706 LG0075DTG.02.03.03 支座焊合 Support weldment 1
5 30002106405 LG0075DTG.02.03-001 垫圈 Washer 2
6 51203102614 GB/T5782 螺栓M10×100 Bolt M10×100 2
7 51341000619 GB/T889.1 螺母M10 Nut M10 2
8 30002113901 LG0100DT.02.03-002 橡胶垫 Rubber shim 2
9 30002018707 LG0075DTG.02.03.04 支座焊合 Bracket weldment 1
10 17601000410 L1CX9-22-12 过渡接头 Transition connector 2
11 17601000659 L2HC-20-22L56 过渡接头 Transition connector 2
12 30002107406 LG0060DT.02.03-002 钢管 Steel tube 2
13 30001106404 LG0075DTG.01.05-001 垫圈 Washer 2
14 30002109002 LG0075DTG.02.03-002 减震垫 Shock absorber 2
15 51401100107 GB/T93 垫圈10 Washer 10 26
16 51204101114 GB/T5783 螺栓M10×25 Bolt M10×25 12
17 51307001019 GB/T6170 螺母M10 Nut M10 12
18 51401080107 GB/T93 垫圈6 Washer 6 4
19 51158190504 GB/T818 螺钉M6×16 Screw M6×16 4
20 30002117300 LG0100DT.02.03-004 缓冲垫 Damping cushion 2
21 51421100115 GB/T97.1 垫圈10 Washer 10 2
22 51207105114 GB/T5786 螺栓M10×1.25×25 Bolt M10×1.25×25 2

1 GB5785-86 螺栓 M10X1.25X80 Bolt M10X1.25X80 2
2 GB5785-86 螺栓 M10X1.25X50 Bolt M10X1.25X50 2
3 GB93-87 弹簧垫圈 10 Spring washer 10 32
4 GB5785-86 螺栓 M10X1.25X70 Bolt M10X1.25X70 3
5 GB5785-86 螺栓 M10X1.25X35 Bolt M10X1.25X35 6
6 JB/ZQ4446 螺塞 Rc3/4〞 Plug Rc3/4〞 2
7 YQX100-01500 铰接螺栓 Articulated bolt 2
8 JB/ZQ4446 螺塞 Rc1/8〞 Plug Rc1/8〞 14
9 J30H-01004 倒车灯开关 Reversing lamp switch 2
10 Y30H-07009 倒车灯衬垫 Reversing lamp gasket 2
11 GB825-88 吊环螺钉 M16 Screw M16 3
12 YQX100-07000 控制阀总成 Control valve assembly 1
13 GB5782-86 螺栓 M8X55 Bolt M8X55 9
14 GB93-87 弹簧垫圈 8 Spring washer 8 9
15 GB5786-86 螺栓 M12X1.25X25 Bolt M10X1.25X25 4
16 GB93-87 弹簧垫圈 12 Spring washer 12 4
17 GB5786-86 螺栓 M10X1.25X20 Bolt M10X1.25X20 5
18 GB5785-86 螺栓 M10X1.25X60 Bolt M10X1.25X60 5
19 GB5786-86 螺栓 M10X1.25X30 Bolt M10X1.25X30 9
20 YQX100-03010 变矩器壳衬垫 Torque converter gasket 1