

飞轮壳装配部件
HOUSING ASSMBLY-FLYWHEEL 6N2474
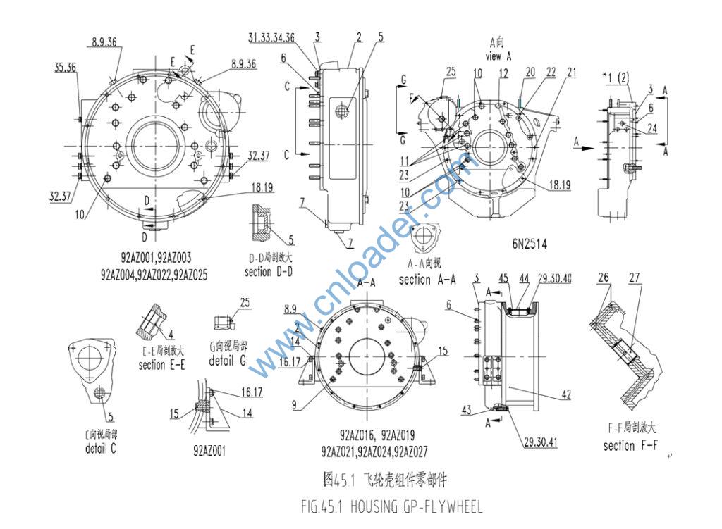
飞轮壳部件/HOUSING ASSMBLY-FLYWHEEL 92AB002
飞轮壳/FLYWHEEL HOUSING 92AL001
飞轮壳/FLYWHEEL HOUSING 92AL002
飞轮壳/FLYWHEEL HOUSING 92AL003a
飞轮壳/FLYWHEEL HOUSING 92AL010a
飞轮壳/FLYWHEEL HOUSING 92AL014
飞轮壳/FLYWHEEL HOUSING 92AL021
飞轮壳/FLYWHEEL HOUSING 92AL028
飞轮壳/FLYWHEEL HOUSING 92AL032
飞轮壳/FLYWHEEL HOUSING 92AL035
飞轮壳/FLYWHEEL HOUSING 6N2010
飞轮壳垫片
GASKET-FLYWHEEL HOUSING 9H5921
碗形闷头/PLUG-CUP 3B0645
内方头锥管螺塞/PLUG-PIPE 1B5170(5/4-23/2 NPTF)
六角锥管螺塞/PLUG-PIPE 5M6213(1/4-18 NPTF)
内方头锥管螺塞/PLUG-PIPE 1B5174(3/4-14 NPTF)
内方头锥管螺塞/PLUG-PIPE 92AL008
内六角螺塞/PLUG-PIPE Q/SC584.2-M30×1.5
内方头锥管螺塞/PLUG-PIPE 2B0858
六角头螺塞/RAIU 5F0304(5/8-18-2ATHD)
六角头螺塞/RAIU Q/SC587.1-M18×1.5
铜垫圈/GASKET 2A1162(1×0.641×0.064)
六角头螺栓/BOLT 1A1460(1/2-13×50.8)
六角头螺栓/BOLT 0V0375
六角头螺栓/BOLT 0S1585(1/2-13×38.1)
六角头螺栓/BOLT 0S1595
六角头螺栓/BOLT 2B0947(1/2-13×57.15)
六角头螺栓/BOLT 0S1587(1/2-13×44.45)
支架/BRACKET 761-02-033a
支架/BRACKET 92AL031
圆柱销/CYLINDRIC PIN GB/T119-A12×24
六角头螺栓/BOLT GB/T611.1-M14×1.5×35
标准型弹簧垫圈/WASHER GB/T93-14
六角头螺栓/BOLT GB/T5783-M10×25
复合式密封硬垫圈/WASHER Q/SC1294-30
双头螺栓/STUD 3D6627
圆柱销/DOWEL 2A3798(15.718×25)
双头螺栓/STUD 3D0490
双头螺栓/STUD 4D8148
圆柱销 DOWEL 5M1392(1/2-13×5.5)
圆柱销/DOWEL 5F0957
内六角螺塞/PLUG-PIPE 9F2247(1/8-27 NPTF)
卷制轴套/BEARING SLEEVE 9M8395
盖板/COVER 92AL011
六角头螺栓/BOLT GB/T5783-M8×16
平垫圈/WASHER GB/T97.2-8-200HV-Y
平垫圈/WASHER GB/T97.2-10-200HV-Y
平垫圈/WASHER GB/T97.1-12-200HV-Y
平垫圈/WASHER GB/T97.2-12-200HV-Y
法兰/FLANGE 92AL006
六角头螺栓/BOLT 92AL007
回油管垫片/GASKET 9F5940
六角头螺栓/BOLT 5M3062(3/8-16×19.05)
六角头螺栓/BOLT 9B7237(3/8-16×31.75)
铜垫圈/WASHER Q/SC598-10×14
铜垫圈/WASHER Q/SC598-18×24
铜垫圈/WASHER Q/SC598-16×24
六角头螺栓/BOLT GB/T5783-M12×20
标准型弹簧垫圈/WASHER GB/T93-12
标准型弹簧垫圈/WASHER GB/T93-8
六角头螺栓/BOLT GB/T5782-M12×45
飞轮壳过渡板/TRANSITION-PLATE D02C-147-01
过渡盘 /TRANSITION-PAN 92AL033
密封垫/SEAL GASKET D02C-148-01
顶盖板/COVER 92AL027
顶盖板垫片/GASKET D02C-141-02
分动箱后壳部件 92AB001
O 型密封圈/SEAL-O-RING 8M4448
双头螺栓/BOLT GB/T899-GM10-M10×40-8.8-Y
六角头螺栓/BOLT 311A004
六角螺母/NUT-FULL GB/T6170-M10
六角头螺栓/BOLT GB/T5782-M10×30
六角头螺栓/BOLT GB/T5782-M10×50
六角头螺栓/BOLT GB/T5782-M10×70
骨架式橡胶油封/SEAL HG4-692-SG50×72×12

旋装式滤清器装拆工具部件
TOOL(FILTER) 49AB001
气门弹簧装拆工具部件
TOOL(VALVE SPRING) 49AB002
盘车工具部件/JIGGER TOOLS 49AB004
装活塞工具/TOOL (LOADING PISTON) 49AL001
喷油泵定时销
TIMING PIN (PUMP-FUEL INJECTION) 49AL201
飞轮定时螺栓
FLYWHEEL BOLT (TIMING) 49AL003
气门间隙量规 49AL013
随机工具组件/TOOLS GP 49AZ002

增压器基本部件(外形图)
TURBOCHARGER GP-BASIC 7C7580(4W7624)
TD08H 型增压器部件
TURBOCHARGER GP-TD08H 38AB002
增压器基本部件(外形图)
TURBOCHARGER GP-BASIC 38AB003(RHE7Q38-6334A-2)
增压器基本部件(外形图)
TURBOCHARGER GP-BASIC RHE7Q38-6334A
TD08H 型增压器
TURBOCHARGER GP-TD08H 38AB005
涡轮进口垫片
GASKET-TURBOCHARGER 1S4295
耐热螺栓/BOLT-HIGH TEMP 7L3195(3/8-16×44.45)
锁紧螺母/LOCKNUT 2N2766(3/8-16)

喷油泵调速器组件
PUMP GP-GOV&FUEL INLECTION CP10Z-P10Z006
喷油泵调速器组件
PUMP GP-GOV&FUEL INLECTION CP10Z-P10Z008
喷油泵调速器组件
PUMP GP-GOV&FUEL INLECTION CP10Z-P10Z009
喷油泵调速器组件
PUMP GP-GOV&FUEL INLECTION CP10Z-P10Z010
喷油泵调速器组件
PUMP GP-GOV&FUEL INLECTION CP10Z-P10Z018
喷油泵调速器组件
PUMP GP-GOV&FUEL INLECTION CP10Z-P10Z019
喷油泵调速器组件
PUMP GP-GOV&FUEL INLECTION CP10Z-P10Z022
喷油泵调速器组件
PUMP GP-GOV&FUEL INLECTION CP10Z-P10Z023
喷油泵调速器组件
PUMP GP-GOV&FUEL INLECTION CP10Z-P10Z101
喷油泵调速器组件
PUMP GP-GOV&FUEL INLECTION CP10Z-P10Z104
喷油泵调速器组件
PUMP GP-GOV&FUEL INLECTION CP10Z-P10Z110
喷油泵调速器组件
PUMP GP-GOV&FUEL INLECTION CP10Z-P10Z112
喷油泵调速器组件
PUMP GP-GOV&FUEL INLECTION CP10Z-P10Z113
喷油泵调速器组件
PUMP GP-GOV&FUEL INLECTION P10Z002-000WX
喷油泵调速器组件
PUMP GP-GOV&FUEL INLECTION P10Z004-000WX
喷油泵调速器组件
PUMP GP-GOV&FUEL INLECTION P10Z005-000WX

机油压力表接头/CONNECTOR 00AL020
机油压力表接头/CONNECTOR 00AL022
机油压力表接头/CONNECTOR 00AL089
机油压力表接头/CONNECTOR 00AL101
水温传感器接头/CONNECTOR 00AL038
调速器控制手柄/HANDLE D26-128-03
软轴支架/BRACKET 00AL202a
软轴支架/BRACKET 00AL203a
取暖水进水接头/CONNECTOR 00AL002
取暖水回水接头/CONNECTOR 00AL003
燃油进油接头/CONNECTOR 00AL007
燃油进油接头/CONNECTOR 00AL104
燃油回油接头/CONNECTOR 00AL008
燃油回油接头/CONNECTOR 00AL105
燃油回油接头/CONNECTOR D26-030-02a
水温表接头/CONNECTOR 00AL004
水温表接头/CONNECTOR 00AL011
水温表接头/CONNECTOR 00AL038
油管/FUEL PIPE 00AL010
油管/FUEL PIPE 00AL016
油管/FUEL PIPE 00AL017
油管/FUEL PIPE 00AL028
油管/FUEL PIPE 00AL029
油管/FUEL PIPE 00AL065
低压油管/ FUEL PIPE 00AL115
低压油管/ FUEL PIPE 00AL116
燃油回油管/FUEL PIPE D00-241-01
燃油回油管/CONNECTOR D00-241-02
燃油回油管/FUEL PIPE D00-241-07
油管/FUEL PIPE G26-106-01
六角头螺栓/BOLT GB/T5786-M10×1×25
六角头螺栓/BOLT 0S1617(5/16-18×19.05)
六角头螺栓/BOLT 8T9378(3/8-16×101.6)
六角头螺栓/BOLT 8T7008(3/8-16×76.2)
六角螺母/NUT-FULL 1D4717(3/8-16)
六角头螺栓/BOLT GB/T5786-M10×1×20-10.9
六角头螺栓/BOLT 5S7383(3/8-16×44.45)
六角头螺栓/BOLT 0S2353
六角头螺栓/BOLT 1D4614
六角头螺栓/BOLT 5P2566(1/2-13×38.1)
六角头螺栓/BOLT 8T4835(1/2-13×50.8)
六角头螺栓/BOLT 2H3755(5/16-18×15.88)
铰接螺栓/BOLT Q/SC642.1-01-M14×1.5
铰接螺栓/BOLT Q/SC642.1-M14×1.5
铜垫圈/COPPER WASHER Q/SC598-14×24
空压泵排气口接头/CONNECTOR 00AL006
发电机支架/BRACKET 1W4972
发电机支架/BRACKET 11BL001
六角螺母/NUT-FULL GB/T6170-M10
六角螺母/NUT-FULL 2J3506
平垫圈/WASHER 5P8248(20.0×36.5×3.5)
平垫圈/WASHER 2S0736(17×27×3.5)
平垫圈/WASHER 9M1974(8.8×16×2.0)
平垫圈/WASHER 8T4896(10.2×18.5×2.5)
平垫圈/WASHER 5P4116
六角头螺栓/BOLT GB/T5782-M18×130
平垫片/GASKET GB/T97.1-10-200HV
橡胶水管/RUBBER HOSE Q/SC646-51×100
橡胶水管/RUBBER HOSE Q/SC646-64×125
出水管/PIPE 24CL072
进水管/PIPE 24CL080
放水阀/VALVE 00AL095、24CL005
六角锥管螺塞/PLUG-PIPE Q/SC584.1-R3/8
起动齿圈/GEAR-FLYWHEEL STARTER 7N9146
套筒/SLEEVE 4N4539
前弹性支承部件/MOUNT AS. 6N3256
操纵软轴/SHAFT D00-277-04
操纵软轴/SHAFT D00-277-05
操纵软轴/SHAFT 00AL114
空调支架部件/BRACKET AS. 00AB002
37°扩口 90°弯管接头
ELBOW-90°-37° FLARED 5P4479
弹簧垫圈/WASHER-SPRING GB/T 93-10
复合垫圈/GASKET Q/SC 1294-14×24
复合垫圈/GASKET Q/SC 1294-14
限烟器管路部件/TUBE AS. 00AB201
管接螺母/NUT 8L3161
钢管/TUBE 5P0077
护套/SLEEVE 8L3162
管夹/CILP 2B2404
转换接头/CONNECTOR 00AL012
六角头螺栓/BOLT 0S1619(3/8-16×76.2)
喷油泵回油管焊接部件/TUBE 00AB004
管子接头/CONNECTOR D26-118-01a
喷油泵回油管/TUBE 00AL106
六角头螺栓/BOLT GB/T5782-M10×130
六角头螺栓/BOLT GB/T5782-M10×45
平垫圈/WASHER 8T4223
发电机调节杆/ROD-ALTERNATOR ADJUSTING 9L6371
滑块/BLOCK 8N2810
六角螺母/NUT-FULL 6B6684
空调压缩机支架/BRACKET 00AL117
螺母部件/NUT 00AB007
喉箍/HOOP Q/SC1302-52~76
喉箍/HOOP Q/SC1302-60~83
汽车 V 带 GB12732-AV13×1350
切边 V 带 Q/SC669-V13×1305
O 型密封圈/SEAL-O-RING 3K0360
发动机前弹性支撑轴套 00AL111
机油压力表接头/CONNECTOR 00AL005
机油压力表接头/CONNECTOR 00AL019
机油压力表接头/CONNECTOR 00AL020
机油压力表接头/CONNECTOR 00AL025
机油压力表接头/CONNECTOR 00AL101
水温传感器接头/CONNECTOR 00AL038
调速器控制手柄/HANDLE D26-128-03
软轴支架/BRACKET 00AL203a
软轴支架/BRACKET 00AL207
软轴支架/BRACKET 00AL208
取暖水进水接头/CONNECTOR 00AL002
取暖水回水接头/CONNECTOR 00AL003
燃油进油接头/CONNECTOR 00AL007
燃油进油接头/CONNECTOR 00AL100
燃油回油接头/CONNECTOR 00AL008
水温表接头/CONNECTOR 00AL004
水温表接头/CONNECTOR 00AL011
水温表接头/CONNECTOR 00AL018
低压油管/FUEL PIPE 00AL010
油管/FUEL PIPE 765LB-26-001
低压油管/FUEL PIPE 00AL016
低压油管/FUEL PIPE 00AL017
低压油管/FUEL PIPE 00AL032
燃油回油管/CONNECTOR 00AL108
油管/FUEL PIPE 00AL109
低压油管/FUEL PIPE 00AL121
低压油管/FUEL PIPE 00AL122
低压油管/FUEL PIPE 765IA1-26-001
燃油回油管/FUEL PIPE D00-241-01
油管/FUEL PIPE D00-241-02
油管/FUEL PIPE D00-241-07
燃油回油管/FUEL PIPE D00-241-08
六角头螺栓/BOLT 1B2886
六角头螺栓/BOLT 0S1617(5/16-18×19.05)
六角头螺栓/BOLT 8T9378(3/8-16×101.6)
六角头螺栓/BOLT 8T7008(3/8-16×76.2)
六角头螺栓/BOLT 0S1566(5/8-11×38.1)
六角螺母/NUT-FULL 1D4717(3/8-16)
六角头螺栓/BOLT 5S7383(3/8-16×101.6)
六角头螺栓/BOLT 3B1915
六角头螺栓/BOLT 0S1571
六角头螺栓/BOLT 311A003
六角头螺栓/BOLT 7B3235
六角头螺栓/BOLT 5P2566
六角头螺栓/BOLT 8T4835
六角头螺栓/BOLT 2H3755(5/16-18×15.88)
铰接螺栓/BOLT Q/SC642.1-01-M14×1.5
铰接螺栓/BOLT Q/SC642.1-01-M14×1.5×30
铰接螺栓/BOLT Q/SC642.1-M14×1.5
铰接螺栓/BOLT Q/SC642.1-01-M16×1.5
空压泵排气口接头/CONNECTOR 00AL006
空压泵排气口接头/CONNECTOR 00AL023
空压泵排气口接头/CONNECTOR 00AL072
空压泵泄压阀接头/CONNECTOR 00AL070
六角螺母/NUT-FULL GB/T6170-M10
六角螺母/NUT-FULL GB/T6170-M18
平垫圈/WASHER 5P8248(20×36.5×3.5)
平垫圈/WASHER 9M1974(8.8×16.0×2.0)
平垫圈/WASHER 8T4896
平垫圈/WASHER 7X0574
平垫圈/WASHER 5P4116(8.8×20.5×2.0)
六角头螺栓/BOLT GB/T5782-M18×130
平垫圈/WASHER GB/T97.1-10-200HV-Y
平垫片/GASKET GB/T97.1-14-200HV-Y
橡胶水管/RUBBER HOSE Q/SC646-64×100
橡胶水管/RUBBER HOSE Q/SC646-70×140
放水阀/VALVE 00AL095
放水阀/VALVE 761G-02-105
内六角锥形螺塞/PLUG 92AL008
操纵软轴/SHAFT D00-277-04
操纵软轴/SHAFT D00-277-05
操纵软轴/SHAFT D00-277-07
操纵软轴/SHAFT 00AL099
37°扩口 90°弯管接头
ELBOW-90°-37° FLARED M5P4479
37°扩口 90°弯管接头
ELBOW-90°-37° FLARED 5P4479
37°扩口 90°弯管接头
ELBOW-90°-37° FLARED 6K1972
复合垫圈/GASKET Q/SC 1294-14×24
复合垫圈/GASKET Q/SC 1294-14
限烟器管路部件/TUBE AS. 00AB201
冒烟限制器管路部件/TUBE AS. 00AB203a
夹子/CILP 2B2404
转换接头/CONNECTOR 00AL012
六角头螺栓/BOLT 0S1619(3/8-16×76.2)
六角头螺栓/BOLT 9S1366
六角头螺栓/BOLT GB/T5782-M10×130
六角头螺栓/BOLT GB/T5782-M12×100
六角头螺栓/BOLT GB/T5782-M10×45
平垫圈/WASHER 8T4223
发电机调节杆/ROD-ALTERNATOR ADJUSTING 9L6371
滑块/BLOCK 8N2810
六角螺母/NUT-FULL 6B6684
六角螺母/NUT-FULL 1D4719
空调压缩机支架/BRACKET 00AL117
螺母部件/NUT 00AB007
喉箍/CLAMP Q/SC1302-60~83
汽车 V 带 GB12732-AV13×1067
调整垫片/GASKET 6N1956
调整垫片/GASKET 6N1957
调整垫片/GASKET 6N1958
铰接式衬管接头/CONNECTOR JB/T6015-14.2
铰接式衬管接头/CONNECTOR JB/T6015-16.2
垫圈/WASHER Q/SC642.1-03-16
垫片/GASKET 5L8484
管子部件/PIPE AS. 5N6176
消声器夹箍/CLAMP 6F8814
六角螺母/NUL-FULL 1B5355
六角螺母/NUL-FULL 1B5358
电磁铁接插件部件 00AB204
空然比通气管部件 00AB601
放油接头/CONNECTOR 00AL036
六角头螺栓/BOLT 0L1351
六角螺母/NUL-FULL 5M2894
回油管垫片/GASKET 9F5940
盖板/COVER 6B0041
机油压力表接头/CONNECTOR 00AL020
机油压力表接头/CONNECTOR 00AL022
机油压力表接头/CONNECTOR 00AL019
机油压力表接头/CONNECTOR 00AL089
水温传感器接头/CONNECTOR 00AL005
水温传感器接头/CONNECTOR 00AL038
调速器控制手柄/HANDLE 00AL026
操纵手柄/HANDLE D26-128-03
软轴支架/BRACKET 00AL203a
软轴支架/BRACKET 00AL207
软轴支架/BRACKET 00AL212
软轴支架/BRACKET 00AL213
软轴支架/BRACKET 00AL214
软轴支架/BRACKET 00AL208
取暖水进水接头/CONNECTOR 00AL002
取暖水回水接头/CONNECTOR 00AL003
燃油进油接头/CONNECTOR 00AL104
燃油回油接头/CONNECTOR 00AL008
水温表接头/CONNECTOR 00AL004
水温表接头/CONNECTOR 00AL011
水温表接头/CONNECTOR 00AL03
水温表接头/CONNECTOR 00AL018
低压油管/FUEL PIPE 00AL123
低压油管/FUEL PIPE 00AL124
油管/FUEL PIPE 00AL016
油管/FUEL PIPE 00AL121
油管/FUEL PIPE 00AL122
低压油管/FUEL PIPE 00AL029
低压油管/FUEL PIPE 00AL215
油管/FUEL PIPE D00-241-02
油管/FUEL PIPE D00-241-07
油管/FUEL PIPE 00AL065
油管/FUEL PIPE 761G-26-054a
六角头螺栓/BOLT 0S1617(5/16-18×19.05)
六角头螺栓/BOLT 8T9378(3/8-16×101.6)
六角头螺栓/BOLT 8T7008(3/8-16×76.2)
六角头螺栓/BOLT 8T9101