|
Item No. |
Part No. |
Description |
Qty. |
|
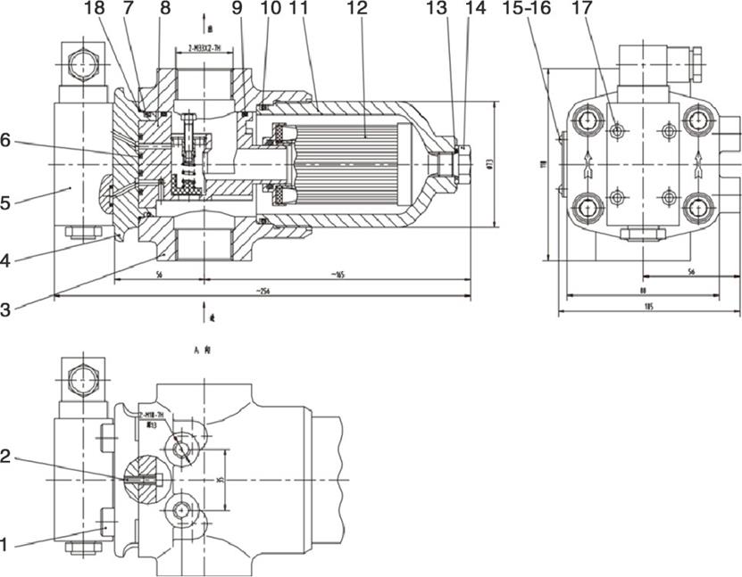
1 |
60140760 |
Ring, seal, dustproof |
1 |
|
2 |
60140725 |
Ball, steel |
1 |
|
3 |
60140749 |
Bushing, threaded |
1 |
|
4 |
60140761 |
Seal, shaft |
1 |
|
5 |
60140729 |
Bearing |
1 |
|
6 |
60140720 |
Ring |
1 |
|
7 |
60140730 |
Bolt |
1 |
|
8 |
60140736 |
Spring |
1 |
|
9 |
60140755 |
Shaft, universal |
1 |
|
10 |
60224581 |
Washer |
1 |
|
11 |
60140759 |
O-ring |
1 |
|
12 |
60140753 |
Disc, distributor |
1 |
|
13 |
60140732 |
Device, transmission, gear |
1 |
|
14 |
60140758 |
O-ring |
2 |
|
15 |
60140745 |
Cover, end |
1 |
|
16 |
60140744 |
Washer |
7 |
|
17 |
60224582 |
Screw, special-made |
1 |
|
18 |
60224583 |
Screw |
6 |
|
19 |
60140751 |
Nameplate |
1 |
|
20 |
60224584 |
Valve, pressure reducing |
1 |
|
21 |
60224585 |
Spring, pressure reducing valve |
1 |
|
22 |
60140717 |
Seal, lip |
1 |

|
Item No. |
Part No. |
Description |
Qty. |
|
1 |
12105786 |
Group, movable valve |
1 |
|
2 |
A210204000196 |
Screw |
4 |
|
3 |
A210401000001 |
Washer |
4 |
|
4 |
B230103006930 |
Hose, rubber |
2 |
|
5 |
B230103006930 |
Hose, rubber |
2 |
|
6 |
12070845 |
Pipe, steel, connection, shift, counterweight |
2 |
|
7 |
10213222 |
Pipe, steel |
2 |
|
8 |
B210780000847 |
Connector |
4 |
|
9 |
B230103005168 |
Hose, rubber |
1 |
|
10 |
B230103000089 |
Hose, rubber |
1 |
|
11 |
A210204000136 |
Screw M6×45GB70.1 |
4 |
|
12 |
A210401000016 |
Washer |
4 |
|
13 |
B210780000024 |
Fitting, Elbow |
2 |
|
14 |
B230103002390 |
Hose, rubber |
2 |
|
15 |
60004179 |
Hose, rubber |
2 |
|
16 |
B210780000698 |
Fitting, Adapter |
4 |
|
17 |
60156807 |
Hose, rubber |
1 |
|
18 |
B230103003874 |
Hose, rubber |
1 |
|
19 |
B220401000028 |
Valve, balance, double-direction, pipe type |
2 |
|
20 |
B230103000446 |
Hose, rubber |
2 |
|
21 |
B210780000016 |
Fitting, Tee |
2 |
|
22 |
B210780000180 |
Connector |
4 |

|
Item No. |
Part No. |
Description |
Qty. |
|
1 |
A210204000119 |
Screw |
12 |
|
2 |
60059724 |
Valve, reversal, electromagnetic |
1 |
|
3 |
A820199003193 |
Block, moveable valve |
1 |
|
4 |
B210399000003 |
Plug |
7 |
|
5 |
B210780000036 |
Connector |
4 |
|
6 |
B220401000046 |
Valve, shuttle |
1 |
|
7 |
60155035 |
Valve, reversal, electromagnetic |
2 |
|
8 |
B210780000201 |
Plug |
4 |
|
9 |
A820601020466 |
Cover, waterproof |
12 |
|
10 |
B210780000232 |
Fitting, Adapter |
2 |
|
11 |
12105680 |
Plate, cover |
1 |
|
12 |
A210401000015 |
Washer |
4 |
|
13 |
A210204000117 |
Screw M5×20GB70.1 |
4 |
|
14 |
A210609000091 |
O-ring |
4 |

|
Item No. |
Part No. |
Description |
Qty. |
|
1 |
B230103007032 |
Hose, rubber |
1 |
|
2 |
B230103000475 |
Hose, rubber |
1 |
|
3 |
B230103000477 |
Hose, rubber |
1 |
|
4 |
A222100000128 |
Filter, pressurized oil |
1 |
|
5 |
A820205001857 |
Body, joint |
2 |
|
6 |
A210434000015 |
Washer |
2 |
|
7 |
A210204000262 |
Screw |
2 |
|
8 |
A210401000001 |
Washer |
2 |
|
9 |
60071658 |
Hose, rubber |
1 |
|
10 |
B210780000631 |
Fitting, Tee |
1 |
|
11 |
13424467 |
Assembly, pilot accumulator |
1 |
|
12 |
B230103000475 |
Hose, rubber |
1 |
|
13 |
B210780000636 |
Connector |
1 |
|
14 |
12947074 |
Group, pilot valve |
1 |
|
15 |
B230103000465 |
Hose, rubber |
1 |
|
16 |
B210780001286 |
Fitting, Adapter |
2 |
|
17 |
B230103005270 |
Hose, rubber |
1 |
|
18 |
B230103001702 |
Hose, rubber |
1 |

|
Item No. |
Part No. |
Description |
Qty. |
|
1 |
A210204000197 |
Screw M10×40GB70.112.9 |
4 |
|
2 |
A210204000258 |
Screw M4×16GB70.1 |
4 |
|
3 |
60136463 |
Head, filter |
1 |
|
4 |
60136460 |
Cover |
1 |
|
5 |
A240500000033 |
Transmitter, CMS |
1 |
|
6 |
29001672 |
O-ring |
2 |
|
7 |
A210609000199 |
O-ring |
1 |
|
8 |
60136468 |
Valve, bypass |
1 |
|
9 |
A210608000074 |
O-ring |
1 |
|
10 |
A210609000132 |
O-ring 61.5×3.55GB3452.1 |
1 |
|
11 |
60136476 |
Body, shell |
1 |
|
12 |
A222100000148 |
Element, filter |
1 |
|
13 |
A210434000007 |
Washer |
1 |
|
14 |
A210333000010 |
Plug |
1 |
|
15 |
60136489 |
Label |
1 |
|
16 |
A210510000010 |
Rivet |
4 |
|
17 |
A210204000120 |
Screw M5×35GB70.1 |
4 |
|
18 |
60136486 |
O-ring |
1 |

|
Item No. |
Part No. |
Description |
Qty. |
|
1 |
B229900000045 |
Accumulator |
1 |
|
2 |
A820101320714 |
Plate, mounting |
1 |
|
3 |
A210111000089 |
Bolt |
2 |
|
4 |
A210401000017 |
Washer |
2 |
|
5 |
A820205001856 |
Body, joint |
1 |
|
6 |
A210434000013 |
Washer |
1 |
|
7 |
13424466 |
Sleeve, protective, rubber |
1 |

|
Item No. |
Part No. |
Description |
Qty. |
|
1 |
B220401000105 |
Valve, overflow |
2 |
|
2 |
B210770000084 |
Pressure Tap |
1 |
|
3 |
B210780000036 |
Connector |
4 |
|
4 |
B220401000536 |
Valve, pressure reducing |
1 |
|
5 |
B210780000053 |
Fitting, Adapter |
1 |
|
6 |
B220400000421 |
Core, valve, check valve |
1 |
|
7 |
10056401 |
Sleeve, clamp |
1 |
|
8 |
B210780000201 |
Plug |
2 |
|
9 |
B220401000046 |
Valve, shuttle |
2 |
|
10 |
B210780001286 |
Fitting, Adapter |
1 |
|
11 |
B210780000609 |
Plug |
1 |
|
12 |
A210204000031 |
Screw M12×90GB70.1 |
2 |
|
13 |
B220401000539 |
Valve, check |
1 |
|
14 |
12947032 |
Block, pilot valve |
1 |
|
15 |
B210780000232 |
Fitting, Adapter |
2 |

|
Item No. |
Part No. |
Description |
Qty. |
|
1 |
60024203 |
Body, pipe clamp |
18 |
|
4 |
60165334 |
Clamp, Tube, Single |
20 |
|
6 |
60165343 |
Body, pipe clamp |
10 |
|
7 |
60014676 |
Body, pipe clamp |
7 |
|
8 |
60165336 |
Body, pipe clamp |
10 |
|
10 |
A820101350330 |
Plate, clamp, extension system |
2 |
|
11 |
A820101350536 |
Body, clamp, extension system 2 |
4 |
|
13 |
A820101350550 |
Body, clamp, extension system 3 |
2 |
|
14 |
A820101350551 |
Body, clamp, extension system |
2 |
|
15 |
A210110000218 |
Bolt M10×80GB5782 |
8 |
|
16 |
A210401000001 |
Washer |
8 |
|
17 |
A820601991103 |
Body, clamp, extension system 4 |
2 |