
|
Item No. |
Part No. |
Description |
Qty. |
|
23 |
60121032 |
Washer |
1 |
|
24 |
60121068 |
Seal |
2 |
|
25 |
60121052 |
O-ring |
3 |
|
26 |
60121050 |
O-ring |
2 |
|
27 |
60099742 |
O-ring |
3 |
|
28 |
60099756 |
Seal |
1 |
|
29 |
60099757 |
Seal, Pump Shaft |
2 |
|
30 |
60099761 |
O-ring, brake block, pressure regulating valve |
1 |
|
31 |
60099764 |
O-ring |
1 |
|
32 |
60121036 |
Washer |
1 |
|
33 |
60121066 |
Seal, oil |
2 |
|
34 |
60121067 |
Seal, oil |
2 |
|
36 |
60121065 |
Seal, oil |
1 |
|
37 |
60121035 |
Washer |
1 |
|
38 |
60121030 |
Washer |
1 |
|
39 |
60121031 |
Washer |
1 |
|
40 |
60099743 |
O-ring |
2 |
|
41 |
60121073 |
Ring, oil seal, piston |
2 |
|
42 |
60121058 |
Ring, oil seal, piston |
1 |
|
43 |
60121055 |
O-ring |
1 |
|
44 |
60121057 |
Ring, oil seal, piston |
1 |
|
45 |
60099774 |
O-ring |
8 |

|
Item No. |
Part No. |
Description |
Qty. |
|
46 |
60121049 |
O-ring |
1 |
|
47 |
60121038 |
Washer |
1 |
|
48 |
60099752 |
O-ring |
1 |
|
49 |
60099752 |
O-ring |
1 |
|
50 |
60099630 |
Gasket |
1 |
|
51 |
60121060 |
Ring, seal |
1 |
|
52 |
60099592 |
Gasket |
1 |
|
53 |
60121047 |
O-ring |
1 |
|
54 |
60121056 |
O-ring |
1 |
|
55 |
60121061 |
Ring, seal |
1 |
|
56 |
60121051 |
O-ring |
1 |
|
57 |
60121016 |
Ring |
1 |
|
58 |
60121063 |
Ring, seal |
1 |
|
59 |
60099590 |
Gasket |
1 |

|
Item No. |
Part No. |
Description |
Qty. |
|
1 |
60349715 |
Cylinder head |
1 |
|
2 |
60349716 |
Valve cover |
1 |
|
3 |
60349717 |
Cylinder block |
1 |
|
4 |
60349718 |
Flywheel housing |
1 |
|
5 |
60349719 |
Adapter |
1 |
|
6 |
60349720 |
Control valve |
1 |
|
7 |
60349721 |
Rocker arm shaft |
1 |
|
8 |
60349722 |
Control valve |
1 |
|
9 |
60349723 |
Timing gear plate |
1 |
|
10 |
60349724 |
Camshaft |
1 |
|
11 |
60349725 |
Crankshaft |
1 |
|
12 |
60349726 |
Flywheel |
1 |
|
13 |
60349727 |
Oil pan |
1 |
|
14 |
60349728 |
Oil filter |
1 |
|
15 |
60349729 |
Oil cooler |
1 |
|
16 |
60349730 |
Fuel filter |
1 |
|
17 |
60349731 |
Fuel filter |
1 |
|
18 |
60349732 |
Fuel hose |
1 |
|
19 |
60349733 |
Tandem pump |
1 |
|
20 |
60349734 |
Fuel pump |
1 |
|
21 |
60349735 |
Unit injector |
1 |
|
22 |
60349736 |
Exhaust |
1 |

|
Item No. |
Part No. |
Description |
Qty. |
|
23 |
60349737 |
Inlet |
1 |
|
24 |
60349738 |
Heat shield |
1 |
|
25 |
60349739 |
Turbocharger |
1 |
|
26 |
60349740 |
Starter element |
1 |
|
27 |
60349741 |
Separator |
1 |
|
28 |
60349742 |
Coolant pump |
1 |
|
29 |
60349743 |
Alternator |
1 |
|
30 |
60349744 |
Starter motor |
1 |
|
31 |
60349745 |
Control unit |
1 |
|
32 |
60349746 |
sensor |
1 |
|
33 |
60349747 |
tensioner |
1 |

|
Item No. |
Part No. |
Description |
Qty. |
|
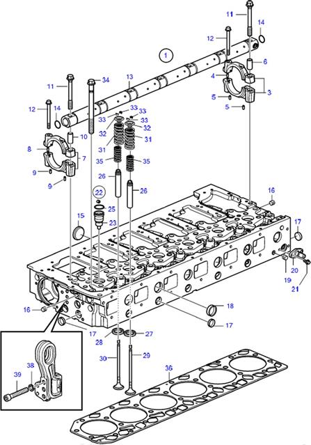
1 |
60267953 |
Cylinder head |
1 |
|
3 |
60267954 |
Bearing housing |
1 |
|
4 |
60132034 |
Pin |
1 |
|
5 |
60132031 |
Pin |
2 |
|
6 |
60267955 |
Pin |
1 |
|
7 |
60132308 |
Bearing housing |
6 |
|
8 |
60132034 |
Pin |
1 |
|
9 |
60132034 |
Pin |
2 |
|
10 |
60267955 |
Pin |
1 |
|
11 |
60131051 |
Flange screw |
7 |
|
12 |
60131078 |
Flange screw |
7 |
|
13 |
60267956 |
Rocker arm shaft |
1 |
|
14 |
60130996 |
Expansion plug |
2 |
|
15 |
60267957 |
Expansion plug |
5 |
|
16 |
60130998 |
Plug |
2 |
|
17 |
60129832 |
Expansion plug |
12 |
|
18 |
60131004 |
Expansion plug |
6 |
|
19 |
60092774 |
Plug |
1 |
|
20 |
60267958 |
Connector |
1 |
|
21 |
60203734 |
Flange screw |
2 |
|
22 |
60267959 |
Injector sleeve, kit |
6 |
|
23 |
60267960 |
Sleeve |
1 |

|
Item No. |
Part No. |
Description |
Qty. |
|
25 |
60096071 |
O-ring |
1 |
|
26 |
60267961 |
Valve guide |
24 |
|
27 |
60267962 |
Valve seat, exhaust |
12 |
|
28 |
60267963 |
Valve seat, intake |
12 |
|
29 |
60267964 |
Exhaust valve |
1 |
|
30 |
60267965 |
Inlet valve |
1 |
|
31 |
60203726 |
Valve spring |
24 |
|
32 |
60131019 |
Valve spring washer |
24 |
|
33 |
60095866 |
Valve cotter |
48 |
|
34 |
60203727 |
Flange screw |
26 |
|
35 |
B210619000004 |
Valve spring |
12 |
|
36 |
60095857 |
Cylinder head gasket |
1 |
|
38 |
60267966 |
Washer |
3 |
|
39 |
60267967 |
Hex. socket screw |
3 |

|
Item No. |
Part No. |
Description |
Qty. |
|
1 |
60096582 |
Valve cover |
1 |
|
3 |
60267968 |
Draining bowl |
3 |
|
4 |
60090109 |
O-ring |
1 |
|
5 |
60267969 |
Retainer Obsolete part |
1 |
|
6 |
60267970 |
Washer obsolete part |
1 |
|
7 |
60267971 |
Nut washer |
2 |
|
8 |
60267972 |
Spacer sleeve |
2 |
|
9 |
60093500 |
Sealing strip |
1 |
|
10 |
60203758 |
Flange screw |
16 |
