
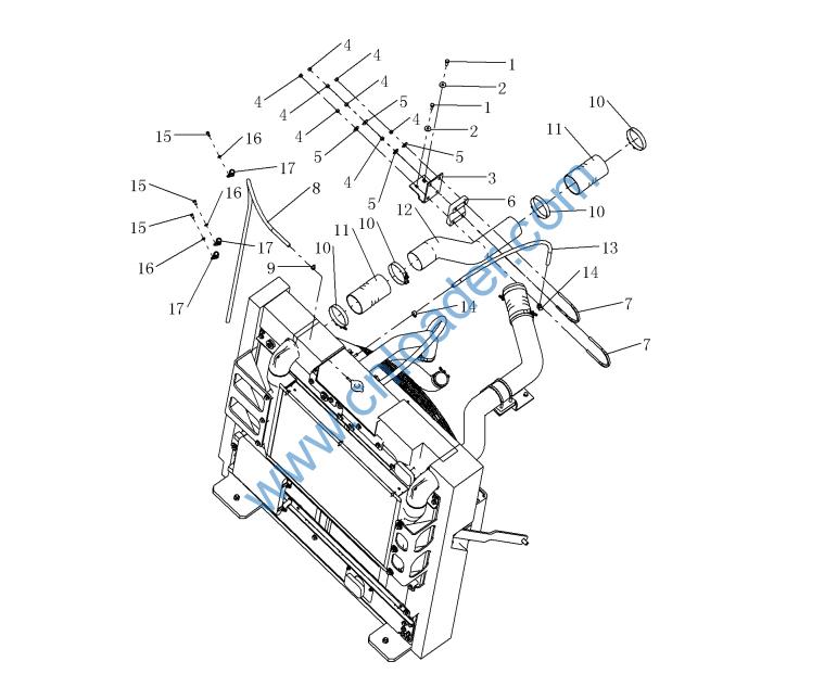
860132418 卡箍 Clamp 4
2 860132418 气管 Hose 2
3 314008335 进气钢管 Tube 1
4 805046416 螺栓 M10×30 Bolt 8
5 329900517 U 型螺栓 U-Bolt 2
6 805338279 垫圈 10 Washer 16
7 314008362 减震垫 Damper 1
8 314008324 支架 Bracket 1
9 805238371 螺母 M10 Nut 16
10 800159609 水管 Hose 1
11 800104561 卡箍 Clamp 3
12 314004568 支架 Bracket 1
13 314008333 进水钢管 Tube 1
14 800159281 水管 Hose 1
15 800141515 卡箍 Clamp 1
16 314004565 U 型螺栓 U-Bolt 2
17 314008363 减震垫 Damper 1

805046416 螺栓 M10×30 Bolt 2
2 805338268 垫圈 10 Washer 2
3 314008336 支架 Bracket 1
4 805238371 螺母 M10 Nut 4
5 805338268 垫圈 10 Washer 4
6 314008362 减震垫 Damper 1
7 329900517 U 型螺栓 U-Bolt 2
8 800155200 水管 Φ8 L=1600 Hose 1
9 819909238 喉箍 Clamp 1
10 860132419 卡箍 Clamp 4
11 860132418 气管 Hose 2
12 314008337 进气钢管 Tube 1
13 800158670 水管 Φ10 L=860 Hose 1
14 819908944 喉箍 Clamp 2
15 805046504 螺栓 M8×16 Bolt 3
16 805338277 垫圈 8 Nut 3
17 801905480 喉箍 Clamp 3

800141515 卡箍 Clamp 1
2 800156502 水管 Hose 1
3 800104608 卡箍 Clamp 1
4 800104449 喉箍 Clamp 2
5 800158669 水管Φ22 L=1360 Hose 1
6 805338279 垫圈 10 Nut 11
7 805011330 螺栓 M10×25 Bolt 6
8 314004990 连接盘 Coupling 1
9 314004991 连接盘 Coupling 1
10 805046416 螺栓 M10×30 Bolt 5
11 800151947 风扇总成Φ1050 Fan 5

800156852 柴油管 Fuel Hose 1
2 800141502 胶套卡箍 Clamp 13
3 805338277 垫圈 8 Washer 15
4 805046504 螺栓 M8×16 Bolt 15
5 800155956 柴油管 Fuel Hose 1
6 805238397 螺母 M24 Nut 4
7 805338299 垫圈 24 Washer 8
8 314007193 垫板 Washer 4
9 801905551 后减震器 Damper 4
10 800104642 发动机减震器护罩 Cover 2
11 800104646 发动机减震器 Damper 2
11.1 800141086 发动机减震器护罩 Cover 2
12 314008569 发动机支架 Bracket 1
13 329900936 螺栓 M24×220Bolt 4
14 314007194 接头体 Joint 1
15 314007192 接头体 C Joint 1
16 314007197 橡胶垫 Rubber Mat 4
17 314007198 盖板 Plate 2
18 800155486 放油管 Hose 1
19 801969003 喉箍 Clamp 1
20 805238375 螺母 M20 Nut 2
21 329900295 垫圈 20 Washer 4
22 329900926 螺栓 M20×100 Bolt 2
23 314004584 接头体 Joint 1
24 314004579 水滤支架总成 Bracket 1
25 329900302 垫圈 10 Washer 38
26 314004586 弯板 Plate 1
27 314004583 接头体 Joint 1
28 805046472 螺栓 M10×20 Bolt 4
29 800152896 燃油进油管ⅡFuel Hose 1
30 314008571 垫圈 18 Washer 8
31 805006281 螺钉 M18×90 Screw 8
32 800156499 燃油进油管ⅢFuel Hose 1
33 800104977 柴油滤总成 Fuel Filter 1
33.1 800105027 燃油过滤器(细)Filter 2
34 314007207 接头体 Joint 2
35 805300032 垫圈 22 Washer 2
36 314007205 接头 Joint 2
37 314004581 弯板 Bent Plate 1
38 314007208 螺栓 Bolt 4
39 805046416 螺栓 M10×30 Bolt 22
40 314004570 支架总成 Bracket 1
41 800156498 燃油进油管ⅠFuel Hose 1
42 800141331 油水分离器 Separator 1
42.1 800155203 水管 Hose 1
42.2 819908944 喉箍 Clamp 1
42.3 316003383 放水接头 Joint 1
43 805046528 螺栓 M10×35 Bolt 4
45 800359437 联轴器总成 Coupling 1
46 819908628 胶套卡箍 Clamp 2
47 800153280 发动机总成 Engine 1
48 314004582 接头体 Joint 2
49 803004393 球阀 DN25(1) Globe Valve 1
50 805300016 垫圈 33 Washer 2
51 805046625 螺栓 M10×90 Bolt 2
52 314004576 支架总成 Bracket 1
53 314008562 发动机左后支架 Bracket 1
53.1 314008565 发动机优厚支架 Bracket 1
54 800104978 机油滤总成 Oil Filter 1
54.1 803302602 机油过滤器 Filter 1
55 314004573 机油滤支架 Bracket 1
56 805238371 螺母 M10 Nut 2

800156852 柴油管 Hose 1
2 805046497 螺栓 M6×25Bolt 4
3 314008579 垫块 Washer 4
4 314008536 接头 Joint 2
5 803089968 LT36198 手油泵 Pump 1
6 314008575 支架 Bracket 1
7 329900302 垫圈 Washer 4
8 805046416 螺栓 M10×30 Bolt 4
9 805338381 垫圈 5 Washer 2
10 314008572 支架 Bracket 1
11 805046906 螺栓 M5×12 Bolt 2
12 314008578 弯板 Bracket 1
13 800156499 柴油管 Hose 1
14 805300026 垫圈 16 Washer 2
15 312702990 接头 Joint 2

803092534
1901-981-8010
水散芯体 Rad Assy 1
2 803092535
1902-981-8010
油散芯体 O.C Assy 1
3 803092629
1901-981-3000
支架总成 Frame Assy 1
4 803092630
1091-461-3910
减震垫 Rubber 2
5 803092631
1381-618-3830
减震垫 Rubber 2
6 803092632
1381-618-3820
套圈 Collar 2
7 803092633
1141-784-3820
垫圈 Washer 2
8 803092634
01024-81050
螺栓 Bolt 2
9 803092635
1901-981-4000
导风罩 Shroud Assy 1
10 803092636
1901-981-4210
风扇护网 Wire Net 1
11 803092637
1901-981-3250
支架 Bracket 1
12 803092638
1901-981-3280
支架 Bracket 1
13 803092639
1901-981-3130
支架 Bracket 1
14 803092640
1901-981-4310
防尘网 Protector 1
15 803092641
1901-981-4320
防尘网 Protector 1
16 803092642
1906-981-1000
空空中冷 AC.C Comp 1
17 803092643
1901-981-3330
支架 Bracket 1
18 803092644
1901-981-3340
支架 Bracket 1
19 803092645
1451-126-3510
减震器 Rubber 3
20 803092646
1131-335-3170
垫圈 washer 6
21 803092647
01024-81240
螺栓 Bolt
3
22 803092648
1451-126-3120
套圈 Collar
3
23 803092649
1901-981-4330
防尘网 protector
1
24 803092650
1901-981-3320
支架 Bracket
1
25 803092651
1901-981-8100
副水箱 Tank Assy
1
26 803092652
6141-219-5100
压力盖 Pressure Cap
1
27 803092653
1801-053-5360
水管 Hose
1
28 803092654
1141-678-5390
喉箍 Clip
2
29 803092655
1901-981-3270
支架 Bracket
1
30 803092656
3962-904-1050
燃油散芯体 F.C Core
1
31 803092657
1901-981-3290
平板 Plate
2

314004588 油箱体 Tank 1
2 803111105 螺塞 Plug 1
3 805046525 螺栓 M10×20 Bolt 4
4 329900302 垫圈 10 Washer 4
5 314004600 支架总成 Bracket 2
6 329900761 调整垫片 Washer 8
7 329900304 垫圈 16 Washer 8
8 329900955 螺栓 M16×45 Bolt 8

801102871 O 形圈 165×5.3O-Ring 1
2 314009885 法兰盘 Flange 1
3 329900303 垫圈 12 Washer 6
4 805006413 螺栓 M12×35 Bolt 6
5 803094012 球阀 Valve 1
6 805338305 垫圈 22 Washer 2
7 314007245 接头 Joint 1
8 819908944 喉箍 Clamp 1
9 803202258 织物液压软管ⅠHose 1
10 805300016 垫圈 33 Washer 2
11 803094011 球阀 Valve 1
12 314004582 接头 Joint 1

803007456 加油盖 Tank Cover 1
2 803173686 滤芯 Filter Core 1
3 805046912 螺栓 M5×16 Bolt 6
4 805338383 垫圈 5Washer 6
5 314007243 法兰盖 Flange 1
6 314007244 橡胶垫 Rubber Mat 1
7 805046508 螺栓 M8×20 Bolt 2
8 805338266 垫圈 8Washer 2
9 329900979 护板 Plate 1
10 805046525 螺栓 M10×20 Bolt 6
11 805338268 垫圈 10Washer 6
12 314004602 防滑板 Anti-skid Plate 1
13 314004603 海绵 Sponge 1

803087136 泵 Pump 1
2 801138349 O 形圈 O-Ring 1
3 805338263 垫圈 16(达克罗 Washer 4
4 805139896 螺钉 M16×55 Screw 4
10.9(达克罗)
5 803388673 喉箍 Clamp 4
6 314004659 吸油胶管 Hose 1
7 314004661 吸油钢管 Pipe 1
8 800105536 喉箍 Clamp 4
9 314004665 吸油胶管 Hose 1
10 314004667 吸油钢管 Pipe 1
11 801138357 O 形圈 O-Ring 1
12 803082268 泵 Pump 1
13 329900303 加厚平垫圈 Washer 4
14 805139877 螺钉 M12×40 Screw 4
10.9(达克罗

1 803173365 法兰组件 Flange 4
2 803418871 软管总成 Hose 1
3 803422145 软管总成 Hose 1
4 314004697 支架 Holder 1
5 329900304 加厚平垫圈 Whaser 8
6 805006332 螺栓 M16×40 Bolt 4
- 9(达克罗)
7 314004699 橡胶管夹 Clamp 1
8 314004700 压板 Pressing Plate 1
9 805006392 螺栓 M16×110 2
10.9(达克罗)
10 803088428 主阀 Main Control Valve 1
11 329900300 加厚大垫圈 Washer 4
12 805006289 螺栓 M16×35 4
10.9(达克罗)
13 314004705 主阀支架 Bracket 1
14 314004705 螺栓 M16×30 Blot 4
10.9(达克罗)
314004632 上车液压管路 Hydraulic Piping

803164323 法兰组件 Flange 12
2 803408834 软管总成 Hose 1
3 803408834 软管总成 Hose 1
4 314004708 管夹 Clamp 1
5 329900304 加厚平垫圈 Washer 1
6 805046663 螺栓 M16×60 1
10.9(达克罗)Bolt
7 329900300 加厚大垫圈 Washer 2
8 805006332 螺栓 M16×40 2
10.9(达克罗)Bolt
9 314004715 支架 Bracket 1
10 314004717 管夹 Clamp 1
11 805046667 螺栓 M16×100 1
10.9(达克罗)Bolt
12 803388653 软管总成 Hose 2
13 803306302 软管总成 Hose 2
14 314004718 钢管总成 pIpe 1
15 314004709 钢管总成 pIpe 1