|
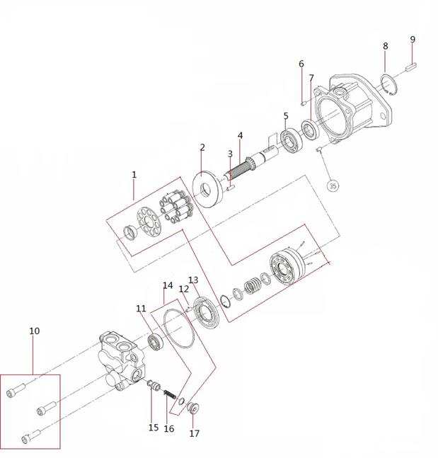
识别码 IC |
序号 INDEX |
零件代码 PART NUMBER |
数量 QTY |
名称 PART NAME |
|
|
4-29-711 |
711 |
60008695 |
1 |
O形圈 |
O-ring |
|
4-29-723 |
723 |
60008708 |
6 |
O形圈 |
O-ring |
|
4-29-724 |
724 |
60319611 |
6 |
O形圈 |
O RING |
|
4-29-725 |
725 |
60008697 |
6 |
O形圈 |
O-ring |
|
4-29-728 |
728 |
60008705 |
3 |
O形圈 |
O-ring |
|
4-29-729 |
729 |
60319612 |
2 |
O形圈 |
O RING |
|
4-29-732 |
732 |
60050052 |
2 |
O形圈 |
O-ring |
|
4-29-733 |
733 |
60319613 |
1 |
O形圈 |
O ring |
|
4-29-752 |
752 |
60319614 |
2 |
密封垫 |
Packing seat |
|
4-29-774 |
774 |
61006881 |
1 |
油封PTCV60DLVY SY485泵轴加粗 |
Oil Seal |
|
4-29-789 |
789 |
60075424 |
2 |
挡圈 |
Ring, retaining |
|
4-29-792 |
792 |
60075423 |
2 |
挡圈 |
Ring, retaining |
|
4-29-806 |
806 |
60319615 |
2 |
六角螺母 |
NUT |
|
4-29-807 |
807 |
60319616 |
2 |
六角螺母 |
NUT |
|
4-29-824 |
824 |
60319617 |
2 |
卡环 |
RING snap |
|
4-29-825 |
825 |
61006882 |
2 |
制动环0SR70 SY485泵轴加粗 |
Brake ring |
|
4-29-826 |
826 |
60319619 |
2 |
卡环 |
RING snap |
|
4-29-827 |
827 |
60319620 |
1 |
卡环 |
RING snap |
|
4-29-828 |
828 |
60319621 |
1 |
卡环 |
RING snap |
|
4-29-829 |
829 |
60319622 |
1 |
卡环 |
RING snap |

|
识别码 IC |
序号 INDEX |
零件代码 PART NUMBER |
数量 QTY |
名称 PART NAME |
|
|
4-31-830 |
830 |
60319623 |
1 |
卡环 |
Ring, Snap |
|
4-31-831 |
831 |
60319624 |
1 |
卡环 |
RING snap |
|
4-31-885 |
885 |
60075461 |
2 |
销 |
Pin |
|
4-31-886 |
886 |
60008878 |
4 |
销 |
Pin |
|
4-31-887 |
887 |
60008737 |
1 |
销 |
Pin |
|
4-31-888 |
888 |
60319625 |
2 |
定位销 |
PIN |
|
4-31-889 |
889 |
60319626 |
4 |
定位销 |
PIN |
|
4-31-901 |
901 |
60319627 |
2 |
吊环 |
BOLT eye |
|
4-31-953 |
953 |
60319628 |
2 |
防松螺母 |
SCREW set |
|
4-31-954 |
954 |
60319629 |
2 |
防松螺母 |
SCREW set |

|
识别码 IC |
序号 INDEX |
零件代码 PART NUMBER |
数量 QTY |
名称 PART NAME |
|
|
4-33-2 |
2 |
60319637 |
2 |
调节器 |
Adjuster for main pump |
|
4-33-3 |
3 |
60125194 |
2 |
电磁比例减压阀壳体组件 |
Housing GP, valve, reducing |
|
4-33-4 |
4 |
60319636 |
1 |
齿轮泵 |
Gear Pump |
|
4-33-5 |
5 |
60319638 |
1 |
主泵维修包 |
Main Pump Repair Kit |
|
4-33-11 |
11 |
60319630 |
2 |
活塞总成 |
ASSY piston |
|
4-33-13 |
13 |
60319631 |
1 |
缸体总成 |
ASSY ccylinder (R) |
|
4-33-14 |
14 |
60319632 |
1 |
缸体总成 |
ASSY ccylinder (L) |
|
4-33-30 |
30 |
60319633 |
2 |
斜盘总成 |
ASSY swash plate |
|
4-33-41 |
41 |
60319634 |
2 |
单向阀总成 |
ASSY check valve 1 |
|
4-33-111 |
111 |
61006876 |
1 |
传动轴2924250-2030 SY485泵轴 |
Transmission shaft |
|
4-33-113 |
113 |
60319567 |
1 |
从动轴 |
Shaft driven |
|
4-33-114 |
114 |
60319568 |
1 |
连轴花键套 |
Coupling spline |
|
4-33-121 |
121 |
60319569 |
1 |
圆柱轴承 |
Bearing roller |
|
4-33-122 |
122 |
60319570 |
1 |
圆柱轴承 |
Bearing roller |
|
4-33-123 |
123 |
60319571 |
1 |
滚针轴承 |
Bearing needle |
|
4-33-124 |
124 |
60319572 |
1 |
滚针轴承 |
Bearing needle |
|
4-33-125 |
125 |
60319573 |
1 |
滚针轴承内圈 |
Ring inner |
|
4-33-126 |
126 |
61006877 |
2 |
衬垫PFTRA7095 SY485泵轴加粗 |
Cushion |
|
4-33-127 |
127 |
60319575 |
1 |
轴承隔离圈 |
Spacer |
|
4-33-128 |
128 |
60319576 |
1 |
轴承隔离圈 |
Spacer bearing |

|
识别码 IC |
序号 INDEX |
零件代码 PART NUMBER |
数量 QTY |
名称 PART NAME |
|
|
4-35-129 |
129 |
60319577 |
1 |
轴承隔离圈 |
Spacer ,bearing |
|
4-35-130 |
130 |
60319578 |
2 |
轴承隔离圈 |
Spacer bearing |
|
4-35-131 |
131 |
60319579 |
1 |
轴承隔离圈 |
Spacer bearing |
|
4-35-132 |
132 |
60319580 |
1 |
增压轮 |
Booster |
|
4-35-153 |
153 |
60319581 |
2 |
回程盘 |
Plate set |
|
4-35-156 |
156 |
60319582 |
2 |
球面衬套 |
Bush spherical |
|
4-35-157 |
157 |
60319583 |
18 |
回程弹簧 |
Spring cylinder |
|
4-35-171 |
171 |
61006878 |
1 |
前壳体2923310-0912 SY485泵轴 |
Front housing body |
|
4-35-191 |
191 |
61006879 |
1 |
主动齿轮2903190-1825 SY485泵 |
Driving gear |
|
4-35-192 |
192 |
60319586 |
1 |
从动齿轮 |
Gear driven |
|
4-35-211 |
211 |
60319587 |
2 |
滑靴盘 |
Plate shoe |
|
4-35-251 |
251 |
60319588 |
1 |
斜盘支撑台 |
Plate swash |
|
4-35-252 |
252 |
60319589 |
1 |
斜盘支撑台 |
Support s. p. |
|
4-35-261 |
261 |
61006880 |
1 |
前盖2923150-2179 SY485泵轴加 |
Front cover |
|
4-35-262 |
262 |
60319591 |
1 |
盖板 |
Cover |
|
4-35-263 |
263 |
60319592 |
1 |
PTO盖 |
Cover PTO |
|
4-35-264 |
264 |
60319593 |
1 |
连接法兰 |
PLATE sub |
|
4-35-271 |
271 |
60319594 |
1 |
泵壳体 |
Housing-pump |
|
4-35-312 |
312 |
60319595 |
1 |
配油盖 |
Cover valve |
|
4-35-314 |
314 |
60319596 |
1 |
配油盘 |
Distributing Oil Disc |

|
识别码 IC |
序号 INDEX |
零件代码 PART NUMBER |
数量 QTY |
名称 PART NAME |
|
|
4-37-405 |
405 |
60319597 |
8 |
螺钉 |
SCREW hex. S. H. C. |
|
4-37-406 |
406 |
60319598 |
8 |
螺钉 |
SCREW hex. S. H. C. |
|
4-37-408 |
408 |
60319599 |
11 |
螺钉 |
SCREW hex. S. H. C. |
|
4-37-409 |
409 |
60319600 |
2 |
螺钉 |
SCREW hex. S. H. C. |
|
4-37-410 |
410 |
60319601 |
9 |
螺钉 |
SCREW hex. S. H. C. |
|
4-37-411 |
411 |
60319602 |
2 |
螺钉 |
SCREW hex. S. H. C. |
|
4-37-412 |
412 |
60319603 |
1 |
螺钉 |
SCREW hex. S. H. C. |
|
4-37-413 |
413 |
60319604 |
8 |
螺钉 |
SCREW hex. S. H. C. |
|
4-37-465 |
465 |
60100467 |
6 |
堵 |
Plug |
|
4-37-466 |
466 |
60319605 |
2 |
堵 |
PLUG |
|
4-37-467 |
467 |
60008711 |
4 |
堵 |
Plug |
|
4-37-469 |
469 |
60008712 |
3 |
堵 |
Plug |
|
4-37-492 |
492 |
60319606 |
4 |
保持器 |
RESTRICTOR |
|
4-37-497 |
497 |
60224866 |
6 |
堵头 |
Plug |
|
4-37-532 |
532 |
60075455 |
2 |
伺服柱塞 |
Plunger, servo |
|
4-37-534 |
534 |
60319607 |
2 |
挡柱 |
STOPPER(L) |
|
4-37-535 |
535 |
60319608 |
2 |
挡柱 |
STOPPER(S) |
|
4-37-536 |
536 |
60319609 |
2 |
伺服盖 |
COVER servo |
|
4-37-702 |
702 |
60050051 |
2 |
O形圈 |
O-ring |
|
4-37-709 |
709 |
60319610 |
2 |
O形圈 |
O RING |

|
识别码 IC |
序号 INDEX |
零件代码 PART NUMBER |
数量 QTY |
名称 PART NAME |
|
|
4-39-711 |
711 |
60008695 |
1 |
O形圈 |
O-ring |
|
4-39-723 |
723 |
60008708 |
6 |
O形圈 |
O-ring |
|
4-39-724 |
724 |
60319611 |
6 |
O形圈 |
O RING |
|
4-39-725 |
725 |
60008697 |
6 |
O形圈 |
O-ring |
|
4-39-728 |
728 |
60008705 |
3 |
O形圈 |
O-ring |
|
4-39-729 |
729 |
60319612 |
2 |
O形圈 |
O RING |
|
4-39-732 |
732 |
60050052 |
2 |
O形圈 |
O-ring |
|
4-39-733 |
733 |
60319613 |
1 |
O形圈 |
O ring |
|
4-39-752 |
752 |
60319614 |
2 |
密封垫 |
Packing seat |
|
4-39-774 |
774 |
61006881 |
1 |
油封PTCV60DLVY SY485泵轴加粗 |
Oil Seal |
|
4-39-789 |
789 |
60075424 |
2 |
挡圈 |
Ring, retaining |
|
4-39-792 |
792 |
60075423 |
2 |
挡圈 |
Ring, retaining |
|
4-39-806 |
806 |
60319615 |
2 |
六角螺母 |
NUT |
|
4-39-807 |
807 |
60319616 |
2 |
六角螺母 |
NUT |
|
4-39-824 |
824 |
60319617 |
2 |
卡环 |
RING snap |
|
4-39-825 |
825 |
61006882 |
2 |
制动环0SR70 SY485泵轴加粗 |
Brake ring |
|
4-39-826 |
826 |
60319619 |
2 |
卡环 |
RING snap |
|
4-39-827 |
827 |
60319620 |
1 |
卡环 |
RING snap |
|
4-39-828 |
828 |
60319621 |
1 |
卡环 |
RING snap |
|
4-39-829 |
829 |
60319622 |
1 |
卡环 |
RING snap |

|
识别码 IC |
序号 INDEX |
零件代码 PART NUMBER |
数量 QTY |
名称 PART NAME |
|
|
4-41-830 |
830 |
60319623 |
1 |
卡环 |
Ring, Snap |
|
4-41-831 |
831 |
60319624 |
1 |
卡环 |
RING snap |
|
4-41-885 |
885 |
60075461 |
2 |
销 |
Pin |
|
4-41-886 |
886 |
60008878 |
4 |
销 |
Pin |
|
4-41-887 |
887 |
60008737 |
1 |
销 |
Pin |
|
4-41-888 |
888 |
60319625 |
2 |
定位销 |
PIN |
|
4-41-889 |
889 |
60319626 |
4 |
定位销 |
PIN |
|
4-41-901 |
901 |
60319627 |
2 |
吊环 |
BOLT eye |
|
4-41-953 |
953 |
60319628 |
2 |
防松螺母 |
SCREW set |
|
4-41-954 |
954 |
60319629 |
2 |
防松螺母 |
SCREW set |

|
识别码 IC |
序号 INDEX |
零件代码 PART NUMBER |
数量 QTY |
名称 PART NAME |
|
|
4-43-2 |
2 |
60319546 |
1 |
调节器 |
Regulator |
|
4-43-3 |
3 |
61007328 |
1 |
电磁溢流阀 |
Electromagentic Overflow Valve |
|
4-43-11 |
11 |
60319547 |
1 |
滑靴 |
ASSY piston (8pcs) |
|
4-43-13 |
13 |
60319548 |
1 |
缸体总成 |
ASSY cylinder |
|
4-43-111 |
111 |
60319549 |
1 |
驱动轴 |
SHAFT drive |
|
4-43-123 |
123 |
60319550 |
1 |
轴承 |
BEARING roller |
|
4-43-124 |
124 |
60319551 |
1 |
滚针轴承 |
BEARING needle |
|
4-43-127 |
127 |
60319552 |
2 |
轴承隔离圈 |
SPACER bearing |
|
4-43-153 |
153 |
60319553 |
1 |
滑靴盘 |
PLATE set |
|
4-43-156 |
156 |
60319554 |
1 |
球面衬套 |
BUSH spherical |
|
4-43-157 |
157 |
60038383 |
6 |
回程弹簧 |
cylinder spring |
|
4-43-212 |
212 |
60319555 |
1 |
斜盘 |
PLATE swash |
|
4-43-251 |
251 |
60319556 |
1 |
斜盘支撑台 |
SUPPORT S.P. |
|
4-43-271 |
271 |
60319557 |
1 |
泵壳体 |
CASING pump |
|
4-43-312 |
312 |
60319558 |
1 |
配油盖 |
COVER valve |
|
4-43-401 |
401 |
60319559 |
4 |
螺钉 |
SCREW hex.S.H.C. |
|
4-43-465 |
465 |
60082178 |
2 |
油塞 |
Plug, oil |
|
4-43-466 |
466 |
60008710 |
1 |
堵 |
Plug |
|
4-43-467 |
467 |
60082177 |
2 |
油塞 |
Plug, oil |
|
4-43-468 |
468 |
60100467 |
2 |
堵 |
Plug |

|
识别码 IC |
序号 INDEX |
零件代码 PART NUMBER |
数量 QTY |
名称 PART NAME |
|
|
4-45-532 |
532 |
60319560 |
1 |
伺服活塞 |
PISTON tilting |
|
4-45-535 |
535 |
60319561 |
1 |
复位弹簧 |
SPRING return |
|
4-45-702 |
702 |
60221655 |
1 |
O形圈 |
O-ring |
|
4-45-711 |
711 |
60008702 |
1 |
O形圈 |
O-ring |
|
4-45-718 |
718 |
B230101000595 |
1 |
O形圈 |
O-ring |
|
4-45-719 |
719 |
60221657 |
2 |
O形圈 |
O-ring |
|
4-45-728 |
728 |
60082184 |
2 |
O形圈 |
O-ring |
|
4-45-729 |
729 |
60082185 |
2 |
O形圈 |
O-ring |
|
4-45-774 |
774 |
60319562 |
1 |
轴端油封 |
SEAL oil |
|
4-45-824 |
824 |
60319563 |
1 |
卡环 |
RING snap |
|
4-45-825 |
825 |
60319564 |
2 |
卡环 |
REGULATOR |
|
4-45-884 |
884 |
60038579 |
1 |
配油盘销 |
Pin, oil distribution tray |
|
4-45-885 |
885 |
60008878 |
3 |
销 |
Pin |
|
4-45-901 |
901 |
60319565 |
1 |
吊环 |
Lug, Lifting |

|
识别码 IC |
序号 INDEX |
零件代码 PART NUMBER |
数量 QTY |
名称 PART NAME |
|
|
4-47-1 |
1 |
60312024 |
2 |
胶管 |
Rubber Hose |
|
4-47-2 |
2 |
60312023 |
2 |
胶管 |
Rubber Hose |
|
4-47-3 |
3 |
13304029 |
1 |
过渡块 |
transitional block |
|
4-47-4 |
4 |
13304432 |
1 |
过渡块 |
transitional block |
|
4-47-5 |
5 |
A210204000360 |
7 |
螺钉M12×80GB70.1 10.9级 |
Screw |
|
4-47-6 |
6 |
60217140 |
1 |
压力传感器 |
Sensor, pressure |
|
4-47-7 |
7 |
60253567 |
1 |
胶管 |
Rubber Hose |
|
4-47-8 |
8 |
60253566 |
1 |
胶管 |
Rubber Hose |
|
4-47-9 |
9 |
60253569 |
2 |
胶管 |
Rubber Hose |
|
4-47-10 |
10 |
60253568 |
2 |
胶管 |
Rubber Hose |
|
4-47-11 |
11 |
B230103007826 |
1 |
胶管 |
Rubber Hose |
|
4-47-12 |
12 |
60278257 |
1 |
胶管 |
Rubber Hose |
|
4-47-13 |
13 |
60253572 |
1 |
胶管 |
Rubber Hose |
|
4-47-14 |
14 |
60171480 |
1 |
胶管 |
Rubber Hose |
|
4-47-15 |
15 |
13306238 |
1 |
卡板 |
clamp plate SY485C1I3KH.1.2.2-7 |
|
4-47-16 |
16 |
13308536 |
2 |
Φ48胶垫 |
Φ48 rubber cushion |
|
4-47-17 |
17 |
A210111000103 |
4 |
螺栓M12×60GB5783 10.9级 |
Bolt |
|
4-47-18 |
18 |
60253572 |
1 |
胶管 |
Rubber Hose |
|
4-47-19 |
19 |
60253571 |
1 |
胶管 |
Rubber Hose |
|
4-47-20 |
20 |
B210780000244 |
16 |
对开法兰 |
Flange, Split |

|
识别码 IC |
序号 INDEX |
零件代码 PART NUMBER |
数量 QTY |
名称 PART NAME |
|
|
4-49-21 |
21 |
A210204000354 |
32 |
螺钉 M10×30GB70.1 10.9级 |
Screw |
|
4-49-22 |
22 |
B210780000004 |
24 |
对开法兰 |
Flange, Split |
|
4-49-23 |
23 |
A210204000338 |
48 |
螺钉M12×40GB70.1 10.9级 |
Screw |
|
4-49-24 |
24 |
B210780000693 |
24 |
对开法兰 |
Flange, Split |
|
4-49-25 |
25 |
A210204000454 |
32 |
螺钉M14×45GB70.1 10.9级 |
Screw |
|
4-49-26 |
26 |
13307237 |
2 |
管夹 |
clamp SY485C1I3KH.1.2.3-3 |
|
4-49-27 |
27 |
11206203 |
4 |
Φ40胶垫 |
Φ40 rubber cushion |
|
4-49-28 |
28 |
A210204000353 |
16 |
螺钉M14×50GB70.1 10.9级 |
Screw |
|
4-49-29 |
29 |
21027533 |
8 |
螺钉M12×55GB70.1 10.9级 |
Screw |

|
识别码 IC |
序号 INDEX |
零件代码 PART NUMBER |
数量 QTY |
名称 PART NAME |
|
|
4-51-1 |
1 |
13503265 |
1 |
主阀架体 |
Main Valve Frame Body |
|
4-51-2 |
2 |
13503267 |
1 |
电磁阀架 |
Electromagnetic Valve Bracket |
|
4-51-3 |
3 |
A210111000101 |
3 |
螺栓M12×25GB5783 10.9级 |
Bolt |
|
4-51-4 |
4 |
13300896 |
3 |
加厚垫片 |
Thickening Washer |

|
识别码 IC |
序号 INDEX |
零件代码 PART NUMBER |
数量 QTY |
名称 PART NAME |
|
|
4-53-1 |
1 |
60249269 |
1 |
散热器 |
Radiator |
|
4-53-2 |
2 |
60249010 |
1 |
风扇 |
Fan |
|
4-53-3 |
3 |
60248398 |
1 |
柱塞马达 |
Cooling Motor |
|
4-53-4 |
4 |
14015401 |
2 |
撑杆 |
supporting rod SY485C1I3KH.1.2.6 |
|
4-53-5 |
5 |
A210110000323 |
3 |
螺栓M12×90GB5782 10.9级 |
Bolt |
|
4-53-6 |
6 |
A210111000442 |
6 |
螺栓 |
Bolt |
|
4-53-7 |
7 |
13411987 |
8 |
加厚垫片 |
Thickening Washer |
|
4-53-8 |
8 |
A210111000208 |
2 |
螺栓 |
Bolt |
|
4-53-9 |
9 |
A210111000120 |
1 |
螺栓M10×45GB5783 10.9级 |
Bolt |
|
4-53-10 |
10 |
13300919 |
1 |
套 |
Thickening Washer |
|
4-53-11 |
11 |
13300940 |
2 |
底部海绵 |
Bottom Sponge |
|
4-53-12 |
12 |
13300945 |
3 |
支腿底部海绵 |
Bottom Sponge under Outrigger |
|
4-53-13 |
13 |
13300978 |
1 |
右下海绵 |
Right Lower Sponge |
|
4-53-14 |
14 |
13300979 |
1 |
左下海绵 |
Left Lower Sponge |
|
4-53-15 |
15 |
13510884 |
1 |
顶部海绵 |
Top Sponge |
|
4-53-16 |
16 |
A210110000197 |
5 |
螺栓M12×100GB5782 10.9级 |
Bolt |
|
4-53-17 |
17 |
14014497 |
2 |
支座 |
fixed seat SY485C1I3KH.1.2.6.1.1 |
|
4-53-18 |
18 |
14014513 |
2 |
支座 |
fixed seat SY485C1I3KH.1.2.6-10 |
|
4-53-19 |
19 |
A210111000209 |
2 |
螺栓M14×45GB5783 10.9级 |
Bolt M14×45GB5783-00 Class |
|
4-53-20 |
20 |
A210307000031 |
4 |
螺母M12GB6170 10级 |
Nut M12 |

|
识别码 IC |
序号 INDEX |
零件代码 PART NUMBER |
数量 QTY |
名称 PART NAME |
|
|
4-55-1 |
1 |
60318022 |
1 |
马达维修改包 |
Repai kit |
|
4-55-2 |
2 |
60318015 |
1 |
斜盘 |
Plate swash |
|
4-55-3 |
3 |
60318016 |
1 |
定位销 |
Pin |
|
4-55-4 |
4 |
60318012 |
1 |
轴 |
Shaft |
|
4-55-5 |
5 |
60318013 |
1 |
轴承 |
Bearing ball |
|
4-55-6 |
6 |
60192683 |
2 |
销子 |
Pin |
|
4-55-7 |
7 |
60318014 |
1 |
轴端油封 |
Seal oil |
|
4-55-8 |
8 |
60318020 |
1 |
止动挡圈 |
Ring snap |
|
4-55-9 |
9 |
60318021 |
1 |
键 |
Key |
|
4-55-10 |
10 |
60318019 |
3 |
螺栓 |
Bolt sch |
|
4-55-11 |
11 |
60318018 |
1 |
轴承 |
Bearing ball |
|
4-55-12 |
12 |
60086804 |
1 |
销 |
Pin |
|
4-55-13 |
13 |
60318017 |
1 |
配油盘 |
Plate valve |
|
4-55-14 |
14 |
60318023 |
1 |
缸体维修包 |
Kit cylinder block |
|
4-55-15 |
15 |
60086711 |
1 |
单向阀 |
Valve – Check |
|
4-55-16 |
16 |
60086761 |
1 |
弹簧 |
Spring |
|
4-55-17 |
17 |
60082652 |
1 |
螺塞 |
Plug, screw |

|
识别码 IC |
序号 INDEX |
零件代码 PART NUMBER |
数量 QTY |
名称 PART NAME |
|
4-57-1 |
1 |
60186788 |
1 |
呼吸阀滤芯 Filter, hydaulic tank breather |

|
识别码 IC |
序号 INDEX |
零件代码 PART NUMBER |
数量 QTY |
名称 PART NAME |
|
|
4-59-1 |
1 |
60319536 |
2 |
行走阀芯 |
Spool travel |
|
4-59-2 |
2 |
60319537 |
1 |
斗杆1阀芯组件 |
Sub-assy arm1 spool |
|
4-59-3 |
3 |
60319538 |
1 |
动臂1阀芯组件 |
SUB-ASSY boom1 spool |
|
4-59-4 |
4 |
60319539 |
1 |
铲斗阀芯 |
Splool buchet |
|
4-59-5 |
5 |
60319540 |
1 |
回转阀芯 |
Splool swing |
|
4-59-6 |
6 |
60319541 |
1 |
斗杆2阀芯 |
Splool arm2 |
|
4-59-7 |
7 |
60319542 |
1 |
动臂2阀芯 |
Splool boom2 |
|
4-59-8 |
8 |
60319543 |
1 |
直线行走阀芯组件 |
SUB-ASSY straight travel spool |
|
4-59-9 |
9 |
60292580 |
1 |
备用阀芯 |
Option spool |
|
4-59-10 |
10 |
60319544 |
2 |
旁路截止阀芯 |
Splool bypass-cut |
|
4-59-151 |
151 |
60100467 |
6 |
堵 |
Plug |
|
4-59-152 |
152 |
60008711 |
2 |
堵 |
Plug |
|
4-59-153 |
153 |
60008713 |
10 |
堵 |
Plug |
|
4-59-161 |
161 |
60319524 |
4 |
O形圈 |
O-Ring |
|
4-59-162 |
162 |
60319525 |
6 |
O形圈 |
O-Ring |
|
4-59-163 |
163 |
60100517 |
9 |
O形圈 |
O-ring |
|
4-59-164 |
164 |
60319526 |
2 |
O形圈 |
O-Ring |
|
4-59-165 |
165 |
60100515 |
4 |
O形圈 |
O-ring |
|
4-59-166 |
166 |
60008696 |
12 |
O形圈 |
O-ring |
|
4-59-167 |
167 |
60221657 |
6 |
O形圈 |
O-ring |

|
识别码 IC |
序号 INDEX |
零件代码 PART NUMBER |
数量 QTY |
名称 PART NAME |
|
|
4-61-168 |
168 |
60221658 |
3 |
O形圈 |
O-ring |
|
4-61-169 |
169 |
60312651 |
10 |
O-RINGOORBP14 |
O-RING |
|
4-61-201 |
201 |
60075555 |
9 |
阀盖 |
Cover, valve |
|
4-61-202 |
202 |
60100506 |
2 |
弹簧盖 |
Cap, pilot |
|
4-61-203 |
203 |
60075556 |
9 |
阀盖 |
Cover, valve |
|
4-61-204 |
204 |
60292567 |
1 |
阀盖 |
Cover |
|
4-61-205 |
205 |
60292568 |
1 |
阀盖 |
Cover |
|
4-61-211 |
211 |
60292569 |
1 |
板 |
Plate |
|
4-61-213 |
213 |
60075554 |
2 |
阀盖 |
Valve bonnet |
|
4-61-214 |
214 |
60319527 |
1 |
单向阀板 |
Cover load check |
|
4-61-215 |
215 |
60075552 |
1 |
阀盖 |
Valve bonnet |
|
4-61-216 |
216 |
60292570 |
1 |
法兰 |
Flange |
|
4-61-252 |
252 |
60292571 |
2 |
锁阀 |
lock valve selector |
|
4-61-253 |
253 |
60271302 |
1 |
斗杆1逻辑阀 |
logic valve of Arm 1 |
|
4-61-254 |
254 |
60319528 |
1 |
回转逻辑阀部件 |
ASSY logic poppet |
|
4-61-255 |
255 |
60205667 |
2 |
逻辑控制阀 |
Logic control valve |
|
4-61-257 |
257 |
60271306 |
1 |
斗杆再生切断阀 |
cutoff Spool of Arm Regeneration |
|
4-61-261 |
261 |
60319529 |
11 |
O形圈 |
O-Ring |
|
4-61-262 |
262 |
60100514 |
2 |
O形圈 |
O-ring |
|
4-61-263 |
263 |
60319530 |
9 |
O形圈 |
O-Ring |

|
识别码 IC |
序号 INDEX |
零件代码 PART NUMBER |
数量 QTY |
名称 PART NAME |
|
|
4-63-264 |
264 |
60319531 |
3 |
O形圈 |
O-Ring |
|
4-63-267 |
267 |
60319532 |
1 |
O形圈 |
O-Ring |
|
4-63-271 |
271 |
60319533 |
40 |
内六角螺钉 |
Screw hex S.H.C. |
|
4-63-272 |
272 |
60008721 |
4 |
内六角螺钉 |
Bolt, socket head |
|
4-63-273 |
273 |
60319534 |
4 |
内六角螺钉 |
Screw hex S.H.C. |
|
4-63-275 |
275 |
60319535 |
12 |
内六角螺钉 |
Screw hex S.H.C. |
|
4-63-277 |
277 |
60100512 |
4 |
内六角螺钉 |
Screw, socket head |
|
4-63-341 |
341 |
60292586 |
1 |
堵 |
Plug |
|
4-63-342 |
342 |
60271305 |
1 |
铲斗限位阀芯 |
Limit Spool of Bucket |
|
4-63-351 |
351 |
60292587 |
3 |
节流 |
Orifice |
|
4-63-511 |
511 |
60075548 |
10 |
单向阀 |
One-Way Valve |
|
4-63-512 |
512 |
60292590 |
2 |
节流阀 |
Poppet |
|
4-63-513 |
513 |
60075549 |
2 |
单向阀 |
One-Way Valve |
|
4-63-514 |
514 |
60271304 |
1 |
BP阀芯 |
BP Spool |
|
4-63-515 |
515 |
60292591 |
2 |
节流阀 |
Poppet |
|
4-63-521 |
521 |
60075591 |
12 |
弹簧 |
Spring |
|
4-63-522 |
522 |
60008817 |
2 |
弹簧 |
Spring |
|
4-63-523 |
523 |
60075589 |
2 |
弹簧 |
Spring |
|
4-63-541 |
541 |
60075545 |
1 |
球 |
Ball |
|
4-63-542 |
542 |
60307532 |
1 |
弹簧座 |
Seat, spring |

|
识别码 IC |
序号 INDEX |
零件代码 PART NUMBER |
数量 QTY |
名称 PART NAME |
|
|
4-65-543 |
543 |
60075592 |
1 |
弹簧 |
Spring |
|
4-65-551 |
551 |
60075542 |
17 |
堵 |
Plug |
|
4-65-552 |
552 |
60008715 |
2 |
堵 |
Plug |
|
4-65-553 |
553 |
60075540 |
2 |
堵 |
Plug |
|
4-65-554 |
554 |
60008714 |
1 |
堵 |
Plug |
|
4-65-555 |
555 |
60039401 |
1 |
油塞 |
Plug, oil |
|
4-65-556 |
556 |
60242320 |
1 |
节流接头 |
plug |
|
4-65-561 |
561 |
60312647 |
19 |
O-RINGOORBP29 |
O-RING |
|
4-65-562 |
562 |
60008705 |
2 |
O形圈 |
O-ring |
|
4-65-563 |
563 |
60100516 |
1 |
O形圈 |
O-ring |
|
4-65-601 |
601 |
60319545 |
1 |
主溢流阀 |
Assy main rellef valve |
|
4-65-602 |
602 |
60205669 |
6 |
接口溢流阀 |
Port relief valve |
|
4-65-605 |
605 |
60205670 |
2 |
接口溢流阀 |
Port relief valve |

|
识别码 IC |
序号 INDEX |
零件代码 PART NUMBER |
数量 QTY |
名称 PART NAME |
|
|
4-67-1 |
1 |
60319536 |
2 |
行走阀芯 |
Spool travel |
|
4-67-2 |
2 |
60319537 |
1 |
斗杆1阀芯组件 |
Sub-assy arm1 spool |
|
4-67-3 |
3 |
60319538 |
1 |
动臂1阀芯组件 |
SUB-ASSY boom1 spool |
|
4-67-4 |
4 |
60319539 |
1 |
铲斗阀芯 |
Splool buchet |
|
4-67-5 |
5 |
60319540 |
1 |
回转阀芯 |
Splool swing |
|
4-67-6 |
6 |
60319541 |
1 |
斗杆2阀芯 |
Splool arm2 |
|
4-67-7 |
7 |
60319542 |
1 |
动臂2阀芯 |
Splool boom2 |
|
4-67-8 |
8 |
60319543 |
1 |
直线行走阀芯组件 |
SUB-ASSY straight travel spool |
|
4-67-9 |
9 |
60292580 |
1 |
备用阀芯 |
Option spool |
|
4-67-10 |
10 |
60319544 |
2 |
旁路截止阀芯 |
Splool bypass-cut |
|
4-67-151 |
151 |
60100467 |
6 |
堵 |
Plug |
|
4-67-152 |
152 |
60008711 |
2 |
堵 |
Plug |
|
4-67-153 |
153 |
60008713 |
10 |
堵 |
Plug |
|
4-67-161 |
161 |
60319524 |
4 |
O形圈 |
O-Ring |
|
4-67-162 |
162 |
60319525 |
6 |
O形圈 |
O-Ring |
|
4-67-163 |
163 |
60100517 |
9 |
O形圈 |
O-ring |
|
4-67-164 |
164 |
60319526 |
2 |
O形圈 |
O-Ring |
|
4-67-165 |
165 |
60100515 |
4 |
O形圈 |
O-ring |
|
4-67-166 |
166 |
60008696 |
12 |
O形圈 |
O-ring |
|
4-67-167 |
167 |
60221657 |
6 |
O形圈 |
O-ring |
