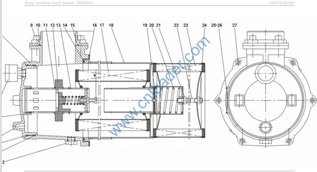
A222100000367 Filter, oil return (1/2)

1 B210399000005 Plug, screw 2
2 A210608000032 O-ring 2
3 24002783 O-ring 1
4 A210609000212 O-ring 1
5 60136461 Cover 1
6 24906966 O-ring 1
7 A240500000032 Transmitter, CYB-I 1
8 60136464 Head, filter 1
9 A210204000023 Screw 4
10 A210608000173 O-ring 1
11 A210414000032 Ring, retainer 3
12 60140403 Ring, magnetic 1
13 60136469 Valve, bypass 1
14 A210609000304 O-ring 1
15 60136473 Flange 1
16 60136482 Pad, sealing 1
17 A222100000368 Element, filter 1
18 60136477 Body, shell 1
19 60136466 Pad, self-sealing 1
20 60136485 Spring, self-sealing 1
21 A210307000036 Nut 1
22 60136483 Stud 1
23 60136462 Diffuser 1
24 60136484 Nut, lock 1
25 A210510000010 Rivet 4
26 60136490 Nameplate 1
27 A210204000184 Screw 6
A819700001385 Body, seat, check valve

1 A210204000360 Screw 4
2 A210401000002 Washer 4
3 B220401000535 Valve, check 1
4 A820199003188 Seat, check valve 1
A810399000723 Body, multi-ported, oil-draining

1 B210780000036 Connector, pipe 3
2 A820199003252 Body, multi-ported, oil-draining 1
3 B210780000040 Connector, pipe 1
4 B210780000232 Connector, pipe 1