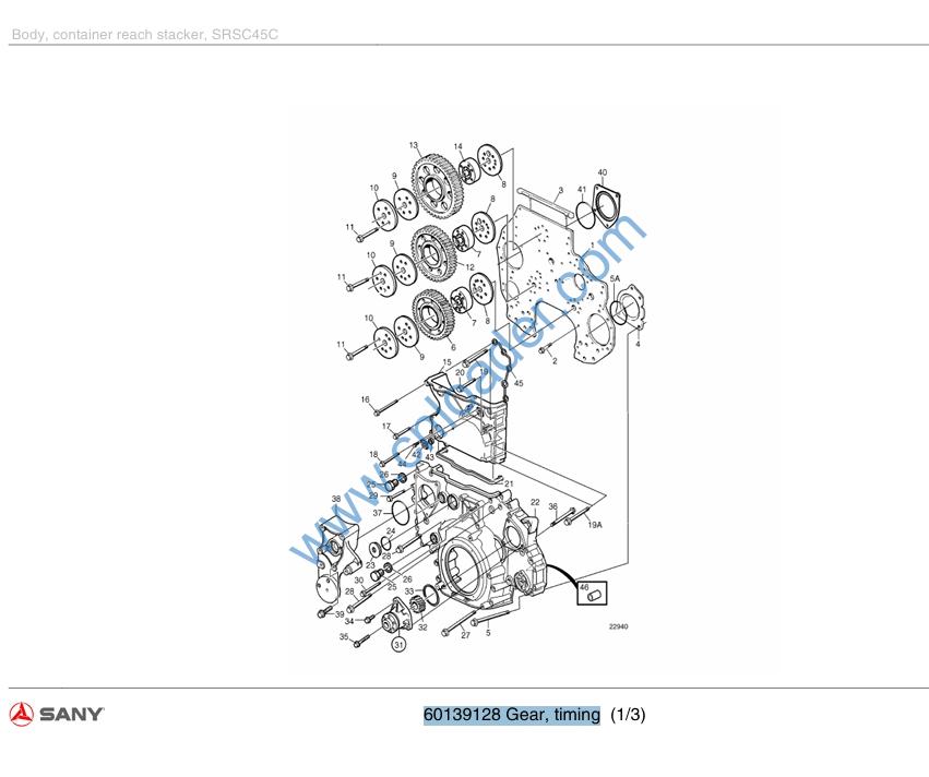
60139128 Gear, timing

1 60094217 Plate,timing gear 1
2 60131057 Screw 17
3 60132537 Sealingstrip 1
4 60129826 Cover 1
5 60131066 Flangescrew 4
6 60094281 Idler gear 1
7 60094374 Hub,wheel 2
8 60094432 Washer,thrust 3
9 60132268 Thrustwasher 3
10 60130398 Bearingshield 3
11 60087347 Screw 18
12 60094282 Idler gear 1
13 60094181 Pump,gear,joggle,inner 1
14 60094121 Hub 1
15 60130940 Timinggearcasing 1
16 60131828 Screw 1
17 60092463 Bolt,flange 3
18 60092464 Bolt,flange 1
19 60092467 Bolt,flange 1
20 60131069 Flangescrew 1
21 60132536 Sealingstrip 1
22 60130444 Timinggearcover 1
23 60130986 Plug 1
24 60130776 Gasket 1
25 60092408 Plug 1
26 60130879 Washer 1
27 60092484 Bolt,flange 4
28 B229900002073 Screw 2
29 60092597 Bolt 12
30 60092464 Bolt,flange 1
31 60130044 Driveoutlet 1
32 60130414 Gear 1
33 60092718 O-ring 1
34 60094291 Bolt,flange 1
35 60092467 Bolt,flange 1
36 60131056 Flangescrew 1
37 60132385 O-ring 1
38 60140001 Bracket 1
39 60139162 Flange screw 4
40 60139233 Cover 1
41 60140257 O-ring 1
42 60139139 Plug 1
43 60140280 Sealing ring 1
44 60139161 Flange screw 2
45 60140491 Seal 1
46 60138453 Guide sleeve 1
47 60092709 O-ring 1
48 B229900002073 Screw 2
60139979 Camshaft

1 60131981 Camshaft 1
2 60086193 Bearing shell,cam shaft 1
3 60086194 Bearing shell,cam shaft 6
4 60095873 Bolt,flange 6
5 60094218 Shock damper,Cam shaft 1
6 60130011 Wheel 1
7 60095781 Gear 1
8 60130941 Locatingpin 1
9 60130903 Spacer 6