10697674 “System,lubrication,RSC45C.9”

1 10971941 System, lubrication, carriage,RSC45C.9.1 1
2 10971942 “System, lubrication, boom,RSC45C.9.2” 1
3 10971943 System,lubrication,axle,steering 1
1 11015707 “Block(3), multichannel,RSC45C.9-3” 1
2 A210711000011 Pipe connector 2
3 A229900010155 Clamp 1
4 10632471 “Hose I,RSC4545.9-1” 1
5 A210714000005 Adaptor 2
6 A229900010159 Oil pipe 3
7 A210734400001 Adaptor 2
8 A210204000153 Screw 4
9 10632474 “Hose II,RSC4545.9-2” 1
10 A229900010158 Grease cup 2
11 A239900000065 Nylon belting 2
12 A210210000006 Screw 1
13 A210405000005 Plain washer 1
14 A210401000017 Spring washer 4
1 A229900010155 Clamp 4
2 10632560 “Hose III,RSC4545.9-4” 1
3 A210210000006 Screw 4
4 A210405000005 Plain washer 4
5 A210714000005 Adaptor 2
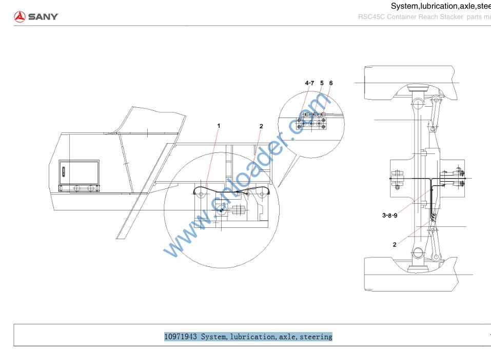
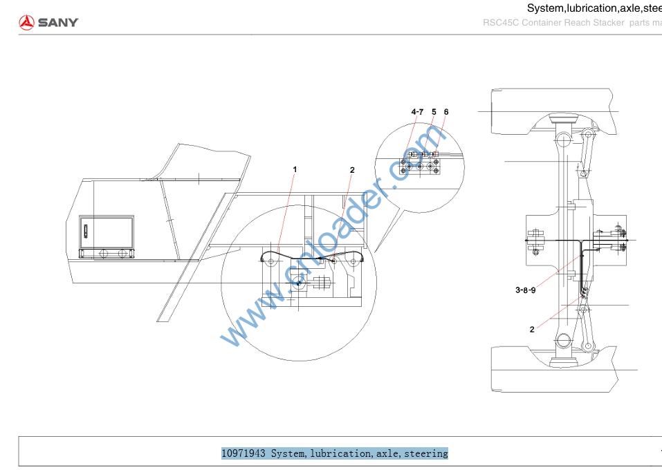
10971943 System,lubrication,axle,steering

1 10632560 “Hose III,RSC4545.9-4” 3
2 A210734400001 Adaptor 6
3 A229900010157 Clamp 1
4 A210204000153 Screw 4
5 A229900010158 Grease cup 3
6 10697673 “Block(2), multichannel,RSC45C.9-2” 1
7 A210401000017 Spring washer 4
8 A210210000006 Screw 1
9 A210405000005 Plain washer 1