|
序号 |
代码 |
名称 |
数量 |
|
1 |
60099769 |
活塞油封 |
3 |
|
2 |
60121646 |
固定环 |
1 |
|
3 |
60121618 |
板239947 dana |
1 |
|
4 |
60121804 |
球10J4 dana |
1 |
|
5 |
60121709 |
轴承239946 dana |
1 |
|
6 |
60099678 |
前轴承卡环 |
1 |
|
7 |
60121646 |
固定环 |
1 |
|
8 |
60099535 |
离合器主动齿轮轴承233488 DANA |
1 |
|
9 |
60099657 |
离合器主动齿轮定位环 |
2 |
|
10 |
60099766 |
离合器股油封圈243997 DANA |
1 |
|
11 |
60099657 |
离合器主动齿轮定位环 |
2 |
|
12 |
60121734 |
轴承-离合器传动齿轮230885 dana |
1 |
|
13 |
60099596 |
弹簧座卡环 |
1 |
|
14 |
60099596 |
弹簧座卡环 |
1 |
|
15 |
60099595 |
卡环座 |
1 |
|
17 |
60099615 |
碟形弹簧总成 DANA |
1 |
|
20 |
60099596 |
弹簧座卡环 |
1 |
|
21 |
60121722 |
固定套-第二齿轮位置环 |
1 |
|
22 |
60134410 |
卡环 DANA |
1 |
|
23 |
60099596 |
弹簧座卡环 |
1 |
|
24 |
60099595 |
卡环座 |
1 |
|
25 |
60099671 |
盘簧座 |
1 |

|
序号 |
代码 |
名称 |
数量 |
|
26 |
60121854 |
活塞回程弹簧 |
1 |
|
27 |
60099670 |
盘簧座 |
1 |
|
28 |
60134409 |
卡环 |
1 |
|
29 |
60121826 |
高速离合器盘垫板 |
1 |
|
30 |
60134391 |
离合器外边圆盘 |
12 |
|
31 |
60121818 |
离合器内边圆盘 |
12 |
|
32 |
60134377 |
装配体 |
1 |
|
33 |
60134407 |
密封圈 |
1 |
|
34 |
60121794 |
密封圈 |
1 |
|
35 |
60122038 |
离合器活塞测定密封 |
1 |
|
36 |
60121809 |
装配体 dana |
1 |
|
37 |
60121794 |
密封圈 |
1 |
|
38 |
60134407 |
密封圈 |
1 |
|
39 |
60121859 |
离合器活塞 dana |
1 |
|
40 |
60134391 |
离合器外边圆盘 |
12 |
|
41 |
60121818 |
离合器内边圆盘 |
12 |
|
42 |
60099652 |
离合器摩擦片压盘 DANA |
1 |
|
43 |
60134409 |
卡环 |
1 |

|
序号 |
代码 |
名称 |
数量 |
|
1 |
60121677 |
装配体-包括零件21-26 dana |
1 |
|
2 |
60121676 |
装配体 |
1 |
|
3 |
60121967 |
O形圈-属部件24 dana |
1 |
|
4 |
60121990 |
止动环 |
1 |
|
5 |
60121927 |
轴-属部件24 dana |
1 |
|
6 |
60121907 |
堵头 |
1 |
|
7 |
60122039 |
离合器活塞警示密封 dana |
1 |
|
8 |
60168581 |
离合器活塞和密封圈组件 |
1 |
|
9 |
60121794 |
密封圈 |
1 |
|
10 |
60134407 |
密封圈 |
1 |
|
11 |
60121817 |
离合器内盘 |
9 |
|
12 |
60134391 |
离合器外边圆盘 |
9 |
|
13 |
60134366 |
板224774 DANA |
1 |
|
14 |
60021237 |
压板卡环 |
1 |
|
15 |
60121779 |
弹簧251430 dana |
1 |
|
16 |
60134395 |
薄垫片 DANA |
1 |
|
17 |
60134399 |
垫圈 |
1 |
|
18 |
60121785 |
弹簧固定套 |
1 |
|
19 |
60121771 |
齿轮卡环 |
1 |
|
20 |
60121658 |
开口环固定套 |
1 |
|
21 |
60121739 |
齿轮-毂低速离合器 |
1 |
|
22 |
60121697 |
轴承 |
1 |

|
序号 |
代码 |
名称 |
数量 |
|
23 |
60122034 |
活塞环 dana |
1 |
|
24 |
60121815 |
轴承230886 dana |
1 |
|
25 |
60121700 |
外圆锥滚子轴承 |
1 |
|
26 |
60121699 |
内圆锥滚子轴承 |
1 |
|
27 |
60121692 |
低速轴轴承端 |
1 |
|
28 |
60121776 |
螺钉 |
5 |
|
29 |
60099699 |
锁止垫圈 |
5 |
|
30 |
60122051 |
销 dana |
1 |
|
31 |
60121954 |
O形圈76K241 dana |
1 |
|
32 |
60121952 |
O形圈76K112 dana |
1 |
|
33 |
60121712 |
轴承-杯部 |
1 |
|
34 |
60121714 |
轴承-锥部 |
1 |
|
35 |
60134391 |
离合器外边圆盘 |
9 |
|
36 |
60121786 |
弹簧固定套 |
1 |
|
37 |
60134396 |
薄垫片 DANA |
1 |
|
38 |
60134397 |
薄垫片 DANA |
1 |

|
序号 |
代码 |
名称 |
数量 |
|
1 |
60121646 |
固定环 |
1 |
|
2 |
60121711 |
轴承247348 dana |
1 |
|
3 |
60121891 |
输出轴 dana |
1 |
|
4 |
60121716 |
42T输出轴齿轮 dana |
1 |
|
5 |
60121892 |
输出轴齿轮间隔环 dana |
1 |
|
6 |
60121708 |
轴承239922 dana |
1 |
|
7 |
60121666 |
球10J15 dana |
1 |
|
8 |
60121989 |
止动环 |
1 |
|
9 |
60121844 |
后轴承间隔环 |
1 |
|
10 |
60121713 |
轴承端垫衬 dana |
1 |
|
14 |
60121980 |
油封231884 dana |
1 |
|
16 |
60121698 |
后轴承输出轴端帽 dana |
1 |
|
17 |
60134402 |
防松垫片 DANA |
2 |
|
18 |
60121831 |
端部螺栓 dana |
2 |
|
20 |
60121908 |
堵头 |
1 |
|
21 |
60121830 |
螺钉 |
2 |
|
22 |
60134402 |
防松垫片 DANA |
2 |

|
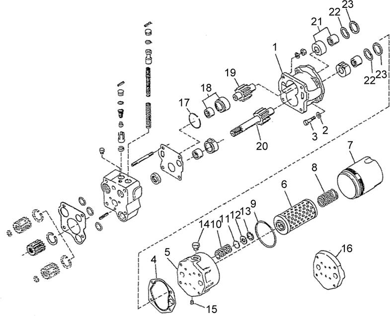
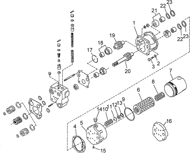
序号 |
代码 |
名称 |
数量 |
|
1 |
60134379 |
阀体 DANA |
1 |
|
2 |
60134367 |
管塞 DANA |
1 |
|
3 |
60121751 |
安全阀体座 dana |
1 |
|
4 |
60121750 |
安全阀间隔环 dana |
1 |
|
5 |
60121890 |
释放压力柱塞 |
1 |
|
6 |
60121749 |
安全阀弹簧 |
1 |
|
7 |
60121051 |
O形圈 |
1 |
|
8 |
60121821 |
安全阀弹簧顶套 dana |
1 |
|
9 |
60121754 |
摆销654723 dana |
1 |
|
10 |
60121754 |
摆销654723 dana |
1 |
|
11 |
60121682 |
阀止动套 |
1 |
|
12 |
60121050 |
O形圈 |
1 |
|
13 |
60121914 |
压力校准阀活塞 dana |
1 |
|
14 |
60121913 |
压力校准弹簧(内部) |
1 |
|
15 |
60121778 |
弹簧 dana |
1 |
|
16 |
60099756 |
泵驱动轴油封 |
1 |
|
17 |
60121753 |
摆销 dana |
3 |

|
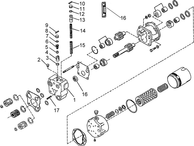
序号 |
代码 |
名称 |
数量 |
|
1 |
60168559 |
20GPM送液泵装配4213801 DANA |
1 |
|
2 |
60134393 |
泵防松垫圈 DANA |
4 |
|
3 |
60121881 |
螺栓93G724 dana |
4 |
|
4 |
60121735 |
垫衬-泵到过滤器 dana |
1 |
|
5 |
60121653 |
过滤自适器 dana |
1 |
|
6 |
60015465 |
变速箱油滤芯 |
1 |
|
7 |
60121736 |
过滤器安装套 dana |
1 |
|
8 |
60121842 |
过滤器弹簧 dana |
1 |
|
9 |
60121961 |
O形圈-过滤自适安装套 dana |
1 |
|
10 |
60121841 |
过滤盘过道弹簧 dana |
1 |
|
11 |
60121738 |
过滤器过道盘 dana |
1 |
|
12 |
60121737 |
过滤器过道密封 dana |
1 |
|
13 |
60121654 |
环 dana |
1 |
|
14 |
60099571 |
安装销24K5 DANA |
1 |
|
15 |
60099571 |
安装销24K5 DANA |
1 |
|
16 |
60135351 |
泵端盖 DANA |
1 |
|
17 |
60135363 |
止动环 DANA |
1 |
|
18 |
60135364 |
套筒 DANA |
1 |
|
19 |
60135353 |
齿轮轴 DANA |
1 |
|
20 |
60135354 |
齿轮轴 DANA |
1 |
|
21 |
60135365 |
套筒 DANA |
1 |
|
22 |
60135362 |
密封圈 DANA |
1 |

|
序号 |
代码 |
名称 |
数量 |
|
23 |
60135356 |
防松垫圈 DANA |
1 |