|
序号 |
代码 |
名称 |
数量 |
|
1 |
60222772 |
弹簧 |
1 |
|
2 |
60222773 |
旁通阀 |
1 |
|
3 |
60222774 |
滤芯 |
1 |

|
序号 |
代码 |
名称 |
数量 |
|
1 |
60004227 |
风冷器壳 |
1 |
|
2 |
B249900000947 |
风扇 |
1 |
|
3 |
60004228 |
风扇网罩 |
1 |
|
4 |
60004226 |
马达安装板 |
1 |
|
5 |
B229900002382 |
风冷却器叶片 |
10 |
|
6 |
60136520 |
冷却板 奥优泰克 |
1 |

|
序号 |
代码 |
名称 |
数量 |
|
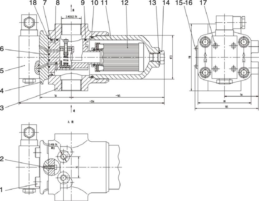
1 |
60107554 |
前盖 |
1 |
|
2 |
60107625 |
后盖 |
1 |
|
3 |
60107578 |
驱动齿轮 |
1 |
|
4 |
60107577 |
驱动齿轮 |
1 |
|
5 |
60123686 |
球轴承 |
1 |
|
6 |
21008534 |
螺钉 |
4 |
|
7 |
60107662 |
支撑杆 |
1 |
|
8 |
60107673 |
O形圈 |
2 |
|
9 |
60107645 |
密封装置 |
2 |
|
10 |
60107544 |
方形密封 |
2 |
|
11 |
60107677 |
轴密封带 |
1 |
|
12 |
60107547 |
环 |
1 |
|
13 |
60107546 |
环 |
1 |
|
14 |
60107617 |
防挤压装置 |
2 |
|
15 |
60107658 |
销子 |
1 |
|
16 |
60107616 |
法兰 |
1 |
|
17 |
60107627 |
花键连接轴 |
1 |
|
18 |
60107661 |
支撑垫圈 |
1 |
|
19 |
60107663 |
止推板 |
2 |

|
序号 |
代码 |
名称 |
数量 |
|
1 |
A210204000197 |
螺钉 |
4 |
|
2 |
A210204000258 |
螺钉M4×16GB70.1 |
4 |
|
3 |
60136463 |
滤头PLF-C30-1 黎明 |
1 |
|
4 |
60136460 |
盖 黎明 |
1 |
|
5 |
A240500000033 |
发讯器 |
1 |
|
6 |
29001672 |
O形圈14×2.4GB1235 |
2 |
|
7 |
A210609000199 |
O形圈 |
1 |
|
8 |
60136468 |
旁通阀 黎明 |
1 |
|
9 |
A210608000074 |
O形圈 |
1 |
|
10 |
A210609000132 |
O形圈61.5×3.55GB3452.1 |
1 |
|
11 |
60136476 |
壳体 黎明 |
1 |
|
12 |
A222100000148 |
滤芯 |
1 |
|
13 |
A210434000007 |
垫圈 14JB982 |
1 |
|
14 |
A210333000010 |
螺塞 |
1 |
|
15 |
60136489 |
标牌 黎明 |
1 |
|
16 |
A210510000010 |
铆钉 |
4 |
|
17 |
A210204000120 |
螺钉M5×35GB70.1 |
4 |
|
18 |
60136486 |
O形圈 黎明 |
1 |

|
序号 |
代码 |
名称 |
数量 |
|
1 |
60041787 |
胶管2 |
1 |
|
2 |
60041784 |
胶管2 |
1 |
|
3 |
60165334 |
单联管夹TLPG16-218 |
12 |
|
4 |
A210204000138 |
螺钉M6×55GB70.1 |
24 |
|
5 |
60165339 |
夹体SP430-PP DP-AS |
7 |
|
6 |
A210204000140 |
螺钉M6×65(GB70.1) |
14 |
|
7 |
B210780000036 |
端直通接头 |
2 |
|
8 |
B230103000129 |
胶管 |
1 |
|
9 |
10795818 |
钢管Ⅰ |
1 |
|
10 |
10795821 |
钢管Ⅱ |
1 |
|
11 |
B230103003194 |
胶管1SN08-DKOL-DKOL90-3400Q/SY1102 |
2 |
|
12 |
B210780000631 |
三通组合T型接头 |
1 |
|
13 |
A210307000016 |
螺母 |
28 |
|
14 |
A210401000016 |
垫圈 |
28 |
|
15 |
A210405000006 |
垫圈 |
28 |
|
16 |
21026444 |
胶管Q/SY1102 |
1 |
|
17 |
B230103004093 |
胶管Q/SY1102 |
1 |
|
18 |
B230103002297 |
胶管 |
2 |
|
19 |
12444875 |
|
1 |
|
20 |
B210780000015 |
三通组合L型接头 |
1 |
|
21 |
13084663 |
右举升阀组 右举升阀组 |
1 |
|
22 |
B230103002039 |
胶管Q/SY1102 |
2 |

|
序号 |
代码 |
名称 |
数量 |
|
23 |
13084637 |
左举升阀组 左举升阀组 |
1 |

