|
序号 |
代码 |
名称 |
数量 |
|
26 |
60121935 |
O形圈 dana |
1 |
|
27 |
60121901 |
吸入管隔离垫 dana |
1 |
|
28 |
60121900 |
吸入管非对称器 dana |
1 |
|
29 |
60099699 |
锁止垫圈 |
1 |
|
30 |
60099662 |
螺钉 |
1 |
|
31 |
60099632 |
螺钉 |
1 |
|
32 |
60099698 |
锁止垫圈 |
1 |
|
33 |
60121641 |
封管器 |
1 |
|
34 |
60121663 |
逆流管非对称器 dana |
1 |
|
35 |
60121932 |
O形圈 dana |
1 |
|
36 |
60099632 |
螺钉 |
1 |
|
37 |
60099698 |
锁止垫圈 |
1 |
|
38 |
60121662 |
逆流管非对称器 dana |
1 |
|
39 |
60099632 |
螺钉 |
1 |
|
40 |
60099698 |
锁止垫圈 |
1 |
|
41 |
60121641 |
封管器 |
1 |
|
42 |
60121649 |
管 dana |
1 |
|
43 |
60121932 |
O形圈 dana |
1 |
|
44 |
60121683 |
供油阀管 dana |
1 |
|
45 |
60134368 |
螺丝钉 DANA |
10 |
|
46 |
60099700 |
锁止垫圈 |
10 |
|
47 |
60121761 |
衬垫 dana |
1 |

|
序号 |
代码 |
名称 |
数量 |
|
48 |
60121905 |
销 dana |
2 |
|
49 |
60121761 |
衬垫 dana |
1 |
|
50 |
60121642 |
隔离垫 dana |
1 |

|
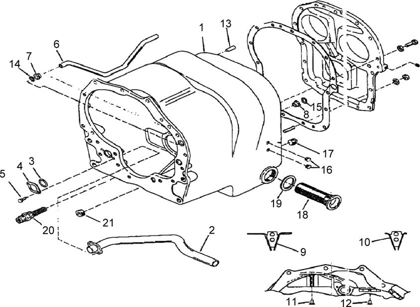
序号 |
代码 |
名称 |
|
1 |
60121686 |
变速箱与管的装配体-包括零部件2-12 |
|
2 |
60121899 |
吸入管的装配体-属部件1 dana |
|
3 |
60121962 |
O形圈-属部件1 dana |
|
4 |
60121889 |
前吸管线软垫圈-属部件 |
|
5 |
60121775 |
大帽螺钉-属部件1 dana |
|
6 |
60121740 |
低压离合器管 |
|
7 |
60099727 |
油管衬套 DANA |
|
8 |
60099727 |
油管衬套 DANA |
|
9 |
60121679 |
阻油器 |
|
10 |
60121680 |
阻油器 |
|
11 |
60121882 |
铆钉 dana |
|
12 |
60121882 |
铆钉 dana |
|
13 |
60121858 |
开槽销 |
|
14 |
60121953 |
O形圈 dana |
|
15 |
60121953 |
O形圈 dana |
|
16 |
60099781 |
油面检查孔塞 |
|
17 |
60099669 |
排油塞 DANA |
|
18 |
60121672 |
真空筛浆机装配体 |
|
19 |
60099630 |
盖塞密封垫 |
|
20 |
60121665 |
膨胀塞 |
|
21 |
60121651 |
管塞 |

|
序号 |
代码 |
名称 |
数量 |
|
1 |
60121843 |
后盖 |
1 |
|
2 |
60121625 |
垫衬 |
1 |
|
3 |
60121777 |
螺钉 |
21 |
|
4 |
60099700 |
锁止垫圈 |
23 |
|
5 |
60099640 |
后盖至壳体的双头螺栓螺母 |
2 |
|
6 |
60121929 |
柱头螺栓 dana |
2 |
|
7 |
60099508 |
塞 |
1 |

|
序号 |
代码 |
名称 |
数量 |
|
1 |
60121878 |
螺钉 |
6 |
|
2 |
60134403 |
防松垫片 DANA |
6 |
|
3 |
60121930 |
装配体-定子支撑套 |
1 |
|
4 |
60121669 |
涡轮杆 dana |
1 |
|
5 |
60121853 |
活塞环 |
1 |
|
6 |
60121705 |
轴承 dana |
1 |
|
7 |
60121771 |
齿轮卡环 |
1 |
|
8 |
60121852 |
活塞环 |
1 |
|
10 |
60121995 |
装配体-油挡板及油封-包含组件11 dan |
1 |
|
11 |
60121017 |
油 DANA |
1 |
|
12 |
60121986 |
油封环 |
1 |
|
13 |
60121622 |
档油环 |
1 |

|
序号 |
代码 |
名称 |
数量 |
|
1 |
60121897 |
涡轮毂 dana |
1 |
|
2 |
60121645 |
固定环 |
1 |
|
3 |
60121640 |
反应器13的成员 dana |
1 |
|
4 |
60121832 |
反应器成员间隔环 |
1 |
|
5 |
60122057 |
轴承止动环 |
1 |
|
6 |
60121707 |
轴承 dana |
1 |
|
7 |
60122052 |
叶轮毂 |
1 |
|
8 |
60121951 |
O形圈 dana |
1 |
|
9 |
60121915 |
叶轮 |
1 |
|
10 |
60121918 |
叶轮毂螺栓垫板环 |
1 |
|
12 |
60121917 |
叶轮毂螺钉 |
12 |
|
13 |
60121668 |
涡轮 13.5 dana |
1 |
|
14 |
60121898 |
涡轮毂螺栓垫板环 |
1 |
|
15 |
60121975 |
密封圈 |
1 |
|
16 |
60121916 |
叶轮盖 dana |
1 |
|
17 |
60099699 |
锁止垫圈 |
24 |
|
18 |
60121776 |
螺钉 |
24 |
|
19 |
60121810 |
滚珠轴承 dana |
1 |
|
20 |
60121949 |
O形圈 dana |
1 |
|
21 |
60121919 |
叶轮毂轴承垫圈 dana |
1 |
|
22 |
60121644 |
固定环 dana |
1 |
|
23 |
60121701 |
叶轮盖轴承帽 dana |
1 |
