
60046506 1 发动机垫圈包 Kit, Gasket (Engine)
60046516 1 气缸盖罩 Cover GP, Valve Mechanism
60046515 1 气缸盖 Cylinder Head AS
60046508 1 缸体 Cylinder Block
60046520 1 油底壳和机油尺 Oil Pan & Lever Gauge(Engine)
60046519 1 凸轮轴与气门 Camshaft & Valve Mechanism
60046517 1 曲柄连杆机构及飞轮 Crank Connecting Rod & Flywheel
60046521 1 正时齿轮箱和飞轮壳 Timing gearbox and flywheel
60046512 1 进气歧管 Manifold GP, Air Inlet
60046514 1 排气歧管 Manifold GP, Exhaust
60046497 1 呼吸系统 Breathing System
60046502 1 水泵 Pump, Water
60046511 1 节温器及节温器室 Thermostat & Housing
60046507 1 发动机水管 Hose, Water (Engine)
60046522 1 风扇及皮带 Fan & Belt, Fan
60046500 1 涡轮增压器 Turbocharger
60046498 1 喷油系统 Fuel Injection System
60046501 1 燃油泵和管 Pump & Tube, Fuel Injection
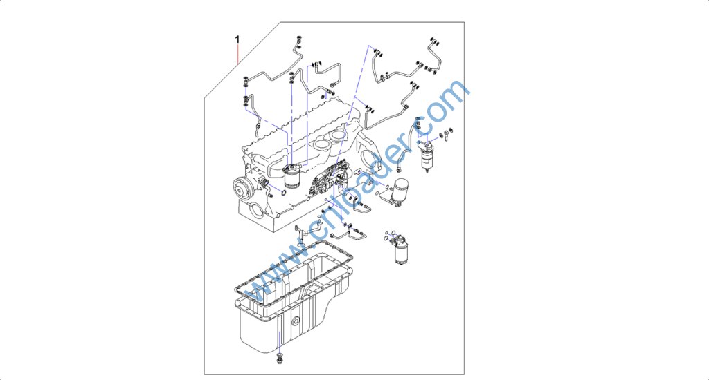
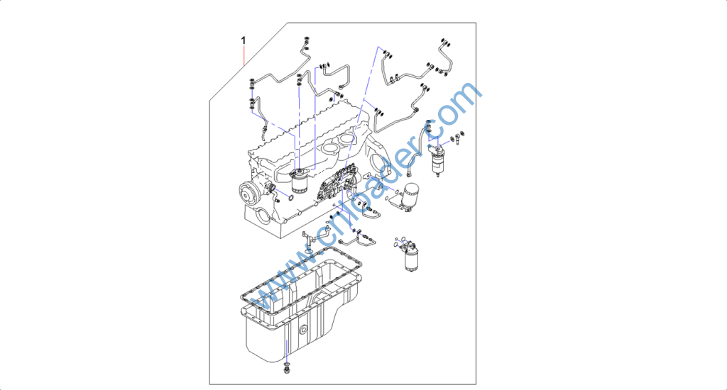
60046503 1 机油冷却器和机滤 Cooler & Filter, Oil
60046509 1 机油泵和机油滤网 Oil Pump & Strainer
60046510 1 机油管 Lines GP, Engine Oil
60046496 1 电器控制部件 Parts, Electric Control
60046524 1 蓄电池和电缆 Battery & Cable
60046513 1 耦合装置和喷射器 Coupling Equipment & Injector
60046525 1 油门踏板和控制器 Throttle Pedal & Controller

B229900004647 1 垫圈修理包 Kit, Maintenance (Gasket)

B229900003257 1 发动机修理包 Kit, Maintenance (Engine)

B229900004397 1 气门室盖总成 Cover GP, Valve Mechanism
B229900005123 1 机油盖 Cap AS, Engine Oil Filler
B229900005124 1 机油盖垫 Gasket, Oil Filler Cap
B229900004899 11 螺栓 M8×35凸缘 Bolt
B229900004434 11 橡胶 Sleeve, Spacer
B229900004560 1 垫片 Gasket
B229900004192 1 板 Plate
60008997 6 螺钉 Bolt

B229900004265 1 缸盖总成 Cylinder Head AS
B229900003270 1 气缸垫 Gasket
B229900004948 26 螺栓 M14×115凸缘 Bolt
B229900005043 24 气门导管 Guide, Inlet
B229900004351 12 进气门座 Seat, Inlet
B229900004388 12 排气门座 Seat, Exhaust
B229900004227 1 堵盖 Plug, Cup
B229900004651 6 堵塞 Plug, Cup
B229900004652 6 堵塞 Plug
B229900004655 7 堵塞 Plug, Cup
B229900004662 11 堵塞 Plug
B229900004449 6 预热塞 Plug, Preheat
B229900004451 1 预热塞连片 Gasket, Heat Conducting
B229900004452 1 预热塞连片 Gasket, Heat Conducting
B229900004314 1 后吊耳 Hook
B229900005013 12 螺柱 Stud
B229900004802 8 螺母 Nut
60008998 2 螺栓 Bolt
B229900004896 2 螺栓 M10×22凸缘 Bolt
B229900005028 6 喷油嘴 Nozzle
B229900005030 6 喷油嘴垫片 Washer
B229900005029 6 喷油嘴垫片 Washer
B229900004208 12 导向杆 Rod
B229900004854 2 螺栓 Bolt
60009002 2 螺柱 Stud
60009003 6 螺柱 Stud
60008996 1 堵塞 Plug
60009000 1 螺栓 Bolt
60009001 1 螺栓 Bolt
B221801000041 1 惰齿轮 Gear, Idler
B229900004231 1 惰轮轴 Shaft, Idler Gear
B229900004490 2 插销 Dowel
B229900004398 1 前吊耳 Hook
B229900004816 6 螺母 M4凸缘 Nut
B229900004538 6 垫片 Shim

B229900005039 1 气缸体总成 Cylinder Block GP
B229900003273 6 气缸套组件 1级 四配套 Kits, Piston & Rod
B229900003271 6 气缸套1级 Liner, Cylinder (Grade 1)
B229900004722 1 过渡接头 Connector
B229900005059 2 销 Dowel
B229900005060 2 销 Dowel
B220401001134 1 阀 Valve
B229900004547 1 垫片 Shim
B229900004650 5 堵塞 Plug
B229900004657 1 堵塞 Plug, Cup
B229900004659 4 堵塞 Plug, Cup
B229900004652 1 堵塞 Plug
B229900005061 4 销 Dowel
B229900004661 1 堵塞 Plug
B229900004360 6 冷却喷头 Nozzle, Cooling
B229900004663 3 堵塞 Plug, Cup
B229900004723 1 过渡接头 Connector
B220401001135 6 阀 Valve
B229900004493 2 衬套 Sleeve
B220400000444 1 放水阀 Valve
B229900004405 1 软管 Hose
B229900004948 14 螺栓 M14×115凸缘 Bolt
B229900004951 25 螺栓 Bolt
B229900005062 2 销 Dowel
B229900005009 1 螺柱 Stud
B229900004536 1 垫片 Shim
B229900004312 1 过渡块 Block
B229900004521 1 垫片 Shim
B229900004654 1 堵塞 Plug
B229900004754 1 卡箍 Clamp
B229900004237 1 防护板 Plate, Guard
B229900004658 3 堵塞 Plug
B229900004422 1 套 Sleeve
B229900004849 5 螺栓 M8×12凸缘 Bolt
B229900004226 1 定向杆 Rod
B229900005008 2 螺柱 Stud
B229900005002 2 螺柱 Stud
B229900004802 2 螺母 Nut

B229900004446 1 油底壳 Pan, oil
B229900005113 1 油标尺 Gauge, Oil Lever(Engine)
B229900004520 1 垫片 Gasket
B229900003258 1 放油螺塞 Plug
B229900004489 1 标尺导管 Tube, Oil Lever Gauge
B229900004546 2 垫片 Shim
B229900004850 1 螺栓 Bolt
B229900004448 1 油底壳垫 Gasket
B229900004871 30 螺栓 Bolt
B229900004799 4 螺母 Nut
B229900004707 1 管夹 Clip

B229900004431 1 凸轮轴 Camshaft
B229900004349 12 进气门 Valve, Inlet
B229900004386 12 排气门 Valve, Exhaust
B229900004949 1 螺栓 Bolt
B229900004632 1 垫圈 Washer
B221801000032 1 齿轮 Gear
B229900005048 4 上轴瓦 Bearing, Upper
B229900005051 4 下轴瓦 Bearing, Lower
B229900005058 1 销 Dowel
B229900004440 1 摇臂轴 Shaft, Rocker Arm
B229900004792 12 螺杆 Bolt
B229900004824 12 螺母 Nut
B229900004442 12 摇臂座 Support, Rocker Arm
B222200000044 48 锁扣 Locker
B229900004749 12 进气门弹簧 Spring, Valve (Inlet)
B229900005021 12 排气门弹簧 Spring, Valve ( Outlet)
B229900005041 24 气门弹簧座 Seat, Valve Spring
B229900005042 24 气门弹簧座 Seat, Valve Spring
B229900004395 24 气门密封 Washer
B229900004855 2 螺栓 M8×40凸缘 Bolt
B229900004945 5 螺栓 Bolt
B229900004437 6 摇臂 Rocker Arm
B229900004438 6 摇臂 Rocker Arm
B229900005070 12 摇臂螺钉 Screw
B229900004795 12 螺母 Nut
B229900005076 5 摇臂轴支架 Bracket
B229900005075 6 摇臂轴弹簧 Spring
B229900004943 1 螺栓 Bolt
B229900004258 12 盖 Cover

B229900004865 3 螺栓 M8×16凸缘 Bolt
B229900004846 1 螺栓 Bolt
B229900004947 1 螺栓 Bolt
B229900004953 1 螺栓 Bolt
B229900004585 2 垫圈 Washer
B229900004232 1 惰轮轴 Shaft, Idler
B229900004233 1 惰轮轴 Shaft, Idler
B229900004230 1 惰轮轴 Shaft, Idler
B229900004228 1 惰轮圈 Gear Ring, Idler
B229900004229 1 惰轮圈 Gear Ring, Idler
B221801000038 1 惰齿轮 Gear, Idler
B221801000039 1 惰齿轮 Gear, Idler
B221801000040 1 惰齿轮 Gear, Idler

B229900004401 1 曲轴 Crankshaft
B229900005044 7 曲轴瓦 蓝 Bearing, Crankshaft (Blue)
B229900005045 7 曲轴瓦 黑 Bearing, Crankshaft (Black)
B229900005046 7 曲轴瓦 棕 Bearing, Crankshaft (brown)
B229900004238 1 飞轮 Flywheel
B229900005128 1 皮带轮 Pulley
B229900004337 1 减震盘 Damper
B229900004633 4 垫圈 Washer
B229900004885 6 螺栓 Bolt
B229900004402 1 曲轴齿轮 Gear, Crankshaft
B229900005064 2 销 Dowel
B229900005067 1 销 Dowel
B229900004199 1 齿圈 Ring, Gear
B229900004944 8 螺栓 Bolt
B229900004202 1 挡垫 Gasket , Retaining
B229900004203 2 挡垫 Gasket , Retaining
B229900005057 1 销 Dowel
B229900004843 4 螺栓 Bolt
B229900003259 6 活塞 Piston
B229900003261 6 活塞环 Ring, Piston
B229900004361 6 连杆瓦 绿 Bearing, Connecting Rod (Green)
B229900003262 6 活塞销 Pin, Piston
B229900003267 6 连杆总成 Connecting rod GP
B229900004780 6 连杆轴套 Sleeve
B229900004778 12 连杆螺栓 Bolt, connecting rod
B229900004516 12 挡圈 Ring, Retaining
B229900004362 6 连杆瓦 黄 Bearing, Connecting Rod (Yellow)