
60027515 1 闷头螺塞 Plug
10999961 1 右轴端盖 right_cover
60029251 2 圆柱销 Pin
A210608000081 2 O形圈 O-ring
60027514 2 浮封 Seal
60027516 2 轴套 Bushing
10999959 1 轴 spindle
13288924 1 190A压接版轮体 Press Plate Wheel Body
10999960 1 左轴端盖 left_cover

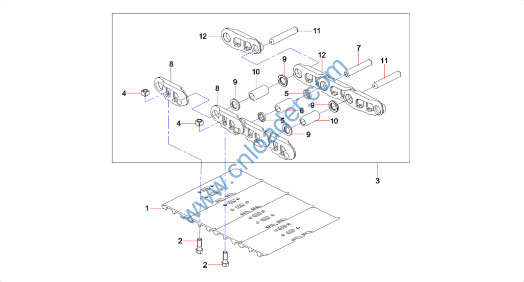
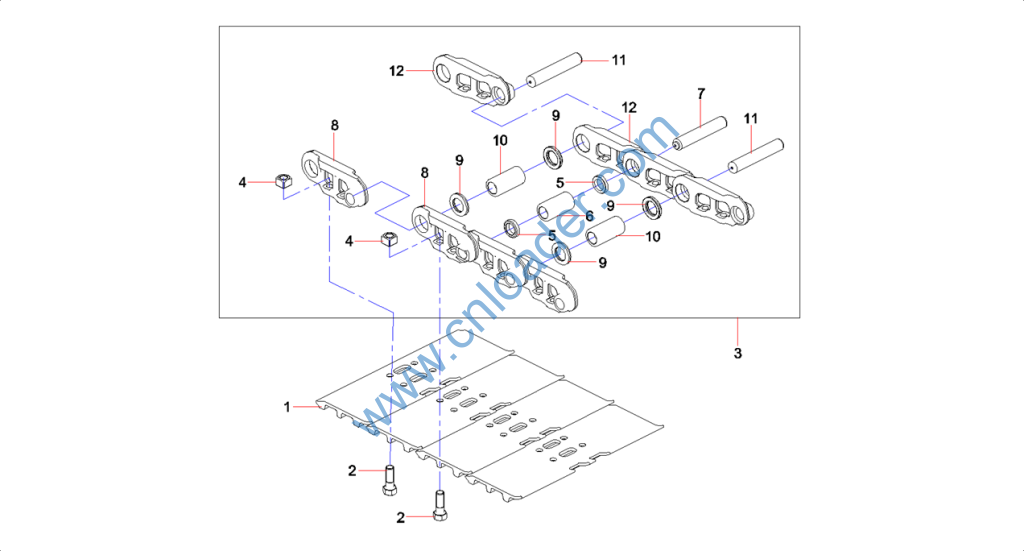
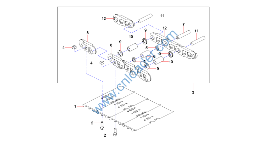
60019252 47 履带板 Track shoe
60051464 188 履带螺栓 Track Bolt LDM190-10B
12233708 1 链轨总成 Link AS, track
60110067 188 履带防松螺母 Nut, track
12372220 2 主密封圈 Master Seal
12110565 1 主销套 master track bush
12110566 1 主销轴 master track pin
12110570 47 左链轨节 track link/L
12110571 92 密封圈 Seal Ring
12110569 46 销套 track bush
12110568 46 销轴 track pin
12110573 47 右链轨节 track link/R

12670075 1 履带总成 crawler assembly
10721486 2 加宽踏板 Step
A210110000009 4 螺栓 Bolt
A210307000031 4 螺母 Nut
A210491000121 4 垫圈 Washer

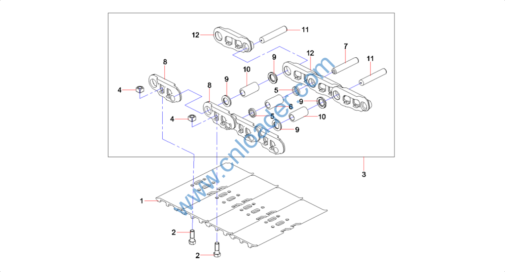
60019253 47 履带板 Track shoe
60051464 188 履带螺栓 Track Bolt LDM190-10B
12233708 1 链轨总成 Link AS, track
60110067 188 履带防松螺母 Nut, track
12372220 2 主密封圈 Master Seal
12110565 1 主销套 master track bush
12110566 1 主销轴 master track pin
12110570 47 左链轨节 track link/L
12110571 92 密封圈 Seal Ring
12110569 46 销套 track bush
12110568 46 销轴 track pin
12110573 47 右链轨节 track link/R

6-47-1 1 61003112 1 回转轴 Revolving shaft
6-47-2 2 61003113 4 锥堵 The nose cone
6-47-3 3 61003114 1 锥堵 The nose cone
6-47-4 4 61003115 1 防尘圈 Dust ring
6-47-5 5 61003116 1 防尘套 A dust cover
6-47-6 6 61003117 1 O型圈 O ring
6-47-7 7 61003118 1 回转体 Revolving body
6-47-8 8 61003119 1 O型圈 O ring
6-47-9 9 61003120 1 抗磨环 Wear ring
6-47-10 10 61003121 6 旋转密封圈 Rotary sealing ring
6-47-11 11 61003122 1 垫片 Shim
6-47-12 12 61003123 1 挡板 Baffle
6-47-13 13 61003124 1 轴用弹性挡圈 External circlips
6-47-14 14 61003125 1 O型圈 O ring
6-47-15 15 61003126 1 垫片 Shim
6-47-16 16 61003127 1 端盖 End cap
6-47-17 17 61003128 4 标准型弹簧垫圈 Standard spring washer
6-47-18 18 61003129 4 六角头螺栓 Hexagon headed bolt
6-47-19 19 60266514 1 回转接头维修包 Kit, seal

13527491 1 减震及传动系统 Mounting GP, engine
13527493 1 排气系统 Exhaust system
13527494 1 冷却系统 Cooling system
13527496 1 进气系统 Intake System
13971830 1 燃油系统 fuel system
160102050013A 1 发动机 Engine
13683591 1 燃油加注泵 Fuel Injection Pump
13371269 1 燃油箱总成 Fuel tank AS
12657427 1 燃油箱总成 Feul Tank Assy

A210204000356 9 螺钉 M10×50GB70.1 10.9级 Screw
A229900009391 1 法兰联轴器 Flanging coupling
13676469 1 端盖 Cover, flywheel
A210491000120 20 垫圈 Washer
A210204000335 3 螺钉M10×55GB70.1 10.9级 Screw
A210111000197 6 螺栓M10×25GB5783 10.9级 Bolt
61000394 4 减震垫 damping pad
13465380 4 座垫 Washer
A210307000035 4 螺母 Nut
A820301021297 4 螺栓 Bolt
A210111000111 2 螺栓M10×60GB5783 10.9级 Bolt
61000395 4 减震垫 damping pad
A210111000101 8 螺栓M12×25GB5783 10.9级 Bolt
A210491000121 8 垫圈 Washer
13466489 1 左前支架 Mount, engine, front, left
13555263 1 右前支架 Mount, engine, front, right
13466479 1 左后支架 Mount, engine, rear, left
13466482 1 右后支架 Mount, engine, rear, right
13819612 1 调整垫片 Mount, rubber
13820386 1 调整垫片 Mount, rubber

13465368 1 引水管总成 Tube, exhaust drain
A229900001347 1 软管环箍 Clamp
A820606031018 1 引水胶管 Hose
A210111000343 2 螺栓M8×20GB5783 10.9级 Bolt
24000633 2 垫圈8GB97.1 达克锈 Washer
13585868 1 隔热板总成 Partition
13463568 1 排气抱箍 Clamp, exhaust
A210307000036 2 螺母 Nut
A210111000120 2 螺栓M10×45GB5783 10.9级 Bolt
13882249 1 排气接管 Pipe, exhaust
A210307000055 3 螺母M8GB6170 10级 Nut
60270667 1 消声器 muffler
13463233 1 消声器支架 Bracket, muffler
12691275 2 U型抱箍 U-bolt
A210307000055 8 螺母M8GB6170 10级 Nut

A820606030367 1 软管 Hose
A229900001345 3 软管环箍 Clamp
A229900001590 1 储液箱 Tank, coolant
A810102099060 1 支架 Bracket
24000633 5 垫圈8GB97.1 达克锈 Washer
A210204000340 2 螺钉 M8×16GB70.1 10.9级 Bolt, socket head
13217729 1 软管 Hose, to radiator
A210491000118 7 垫圈 High-strength steel washer
A313041602516 1 螺钉 Screw
A820301017394 1 前支撑 Brace, front
A210111000012 2 螺栓M10×20GB5783 10.9级 Bolt
13462203 1 管夹 Clamp
A820606030450 1 护套 Grommet
13462205 1 管夹 Clamp
A210204000198 4 螺钉M16×35GB70.1 10.9级 Screw
A820101118172 12 垫片 Gasket
12897201 1 垫片 spacer
60219321 4 喉箍φ58-φ71 W型内衬 Clamp, hose
13466571 1 散热器出水管 Hose, radiator, lower
A210491000120 4 垫圈 Washer
23000066 4 螺钉 Screw
13461828 1 风扇护网 Fan, guard AS
60337357 1 风扇 Fan
A210346000007 6 螺母 Nut
12171497 1 支撑 Hose, covering
13466572 1 散热器进水管 Hose, radiator, upper
A210111000101 1 螺栓M12×25GB5783 10.9级 Bolt
60060548 1 垫圈12GB96.1 达克锈 Washer
14006570 2 侧海绵 inside sponge
60271257 1 散热器 Radiator
13691310 1 直泡胶条 Foam

60271260 1 散热器 Cooler, charge air
60271259 1 散热器 Cooler, hydraulic oil
60125365 1 水箱盖 Cap, coolant tank
60271258 1 散热器 Radiator, engine coolant