
1 A820606020168 1 上密封圈 Ring, sealing
2 A810410990020 1 护圈 Ring, protective
3 A820606020170 1 橡胶垫 Block, rubber
4 A820101210192 1 密封板 Plate, sealing
5 A210405000011 2 垫圈 Washer
6 A210307000017 2 螺母 Nut
7 A820606020169 1 下密封圈 Ring, sealing

6-15-2 2 A820301012418 2 销 pin
6-15-4 4 A820205000955 1 方接头 Connector
6-15-6 6 A820205000954 1 方接头 Connector
6-15-9 9 A820207010191 1 硬管 Pipe
6-15-10 10 A820101118370 1 管夹 Clamp
6-15-13 13 A210770000195 1 管接头 Pipe connector
6-15-14 14 60199487 36 螺栓M20×70DIN931 10.9级 Bolt
6-15-15 15 60039132 32 螺栓 Bolt
6-15-16 16 A210491000132 68 垫圈 Washer

14007328 1 引导轮轮体总成 Leading Wheel Body Assembly
14007336 1 轴 Shaft
A210608000081 2 O形圈 O-ring
14007345 2 衬套 BUSH
60349789 2 浮动油封113×131.5×14.7线径 Floating oil seal
14007340 1 左支座 Left-Support Abutment
14007343 1 右支座 right-Support Abutment
60027515 1 闷头螺塞 Plug
13405880 2 圆柱销 Pin

A210110000162 4 螺栓 Bolt
10132662 4 垫圈
60047950 1 锁片 Plate, lock
60047966 1 螺母 Nut
60047943 1 叉环 Mount
60047952 1 弹簧 Spring
60047976 1 油缸 Cylinder
60047955 1 挡圈 Ring, retaining
60047995 1 密封圈 Ring, sealing
60047946 1 磨损修正圈 Ring, wear
60047992 1 防尘圈 Ring, dust
60047981 1 轴 Shaft
60018970K 1 涨紧装置维修包 Seal kit

60028678 1 直壁型轴套 Bushing
60028679 1 浮动密封 Seal,floating
11029450 1 浮封座 Floating Seat
11908438 1 轴 shaft
A210111000024 3 螺栓 Bolt
60027515 1 闷头螺塞 Plug
11908439 1 侧盖 Side Cover
A210608000089 1 O形圈 O-ring
A210111000012 3 螺栓M10×20GB5783 10.9级 Bolt
12168574 1 垫片 Gasket
60028677 1 带法兰轴套 Sleeve, flanged
11908442 1 轮体 Wheel body

60312633 1 柱塞马达 Motor, travel
13870762 1 减速机总成 gear reducer GT40D43B-F1H1N
60311526 1 成套密封(行走减速机维修包) Kit, seal

60008464 4 销 Pin
60008465 8 弹簧 Spring
60311006 1 刹车活塞 Brake
60008475 1 密封环 Ring, sealing
60008476 1 密封环 Ring, sealing
60008642 1 球轴承 Bearing, ball
60311003 1 销 Pin
60311007 1 配油盘 Plate, port
60008473 1 压环 Ring
60008469 1 卡套 Washer
60008466 1 弹簧 Spring
60008468 1 弹簧座 Seat, spring
60311529 1 柱塞缸组件 block assy cylinder
60008463 3 销 Pin
60311524 3 20T行走制动从动片 Plate, friction
B229900003190 2 20T行走制动主动片 Plate, seperator
60008467 2 弹簧 Spring
60202326 4 O形圈 O-ring
60311527 1 法兰套装 Housing
60311525 1 O型圈 O-ring
60311005 1 密封圈 Seal, oil
60008641 1 球轴承 Bearing, ball
60311523 1 轴 shaft
60008474 2 钢球 Ball, steel
60008635 1 斜盘 Swashplate

60311017 3 节流口 Orifice
60081488 2 O形圈 O-ring
60008472 1 堵头 Plug
60311522 2 溢流阀组件 Valve, relief AS
60311528 1 固定板套装 Cap
60311521 2 弹簧座 Seat, spring
60008488 2 节流口 ORIFICE
60008460 4 堵头 O-ring
60081486 4 O形圈 Plug
60311004 10 齿圈螺栓 Bolt
60081484 1 O形圈 O-ring
60081489 1 O形圈 O-ring
60065008 2 备用挡圈 Ring, retaining
60081487 1 O形圈 O-ring
60065007 2 备用挡圈 Ring, retaining

60081489 2 O形圈 O-ring
60311521 2 弹簧座 Seat, spring
60311014 2 弹簧 Spring
60081490 2 O形圈 O-ring
60311015 2 盖板 Cap
60081458 8 螺钉 Bolt
60311522 2 溢流阀组件 Valve, relief AS
60081484 1 O形圈 O-ring
60310785 1 O型圈 O-ring
60081489 1 O形圈 O-ring
60065008 2 备用挡圈 Ring, retaining
60081487 1 O形圈 O-ring
60065007 2 备用挡圈 Ring, retaining
60008484 1 节流口 Orifice
60008628 1 弹簧 Spring
60008648 1 弹簧倒向环 Guide, spring
60081488 2 O形圈 O-ring
60008461 1 堵头 PLUG

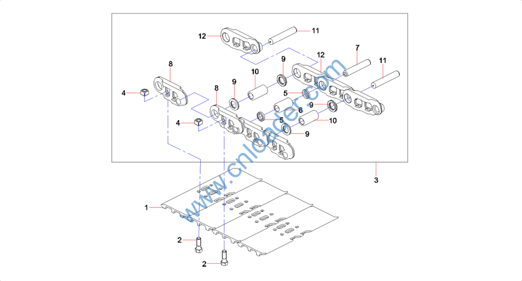
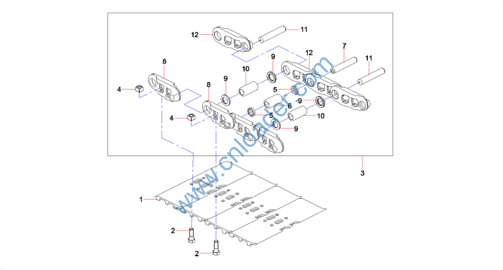
60001366 47 履带板 Shoe, track
60001368 188 履带螺栓 Bolt, track
12233708 1 链轨总成 Link AS, track
60110067 188 履带防松螺母 Nut, track
12372220 2 主密封圈 Master Seal
12110565 1 主销套 master track bush
12110566 1 主销轴 master track pin
12110570 47 左链轨节 track link/L
12110571 92 密封圈 Seal Ring
12110569 46 销套 track bush
12110568 46 销轴 track pin
12110573 47 右链轨节 track link/R