
|
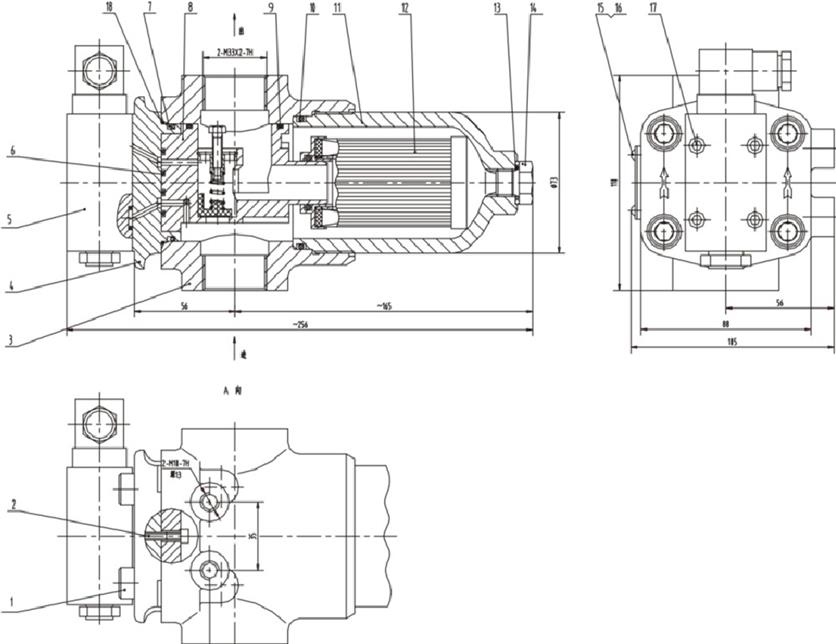
序 号 |
代码 |
名称 |
数 量 |
|
1 |
A210204000197 |
螺钉 |
4 |
|
2 |
A210204000258 |
螺钉M4×16GB70.1 |
4 |
|
3 |
60136463 |
滤头PLF-C30-1 黎明 |
1 |
|
4 |
60136460 |
盖 黎明 |
1 |
|
5 |
A240500000033 |
发讯器 |
1 |
|
6 |
29001672 |
O形圈14×2.4GB1235 |
2 |
|
7 |
A210609000199 |
O形圈 |
1 |
|
8 |
60136468 |
旁通阀 黎明 |
1 |
|
9 |
A210608000074 |
O形圈 |
1 |
|
10 |
A210609000132 |
O形圈61.5×3.55GB3452.1 |
1 |
|
11 |
60136476 |
壳体 黎明 |
1 |
|
12 |
A222100000148 |
滤芯 |
1 |
|
13 |
A210434000007 |
垫圈 |
1 |
|
14 |
A210333000010 |
螺塞 |
1 |
|
15 |
60136489 |
标牌 黎明 |
1 |
|
16 |
A210510000010 |
铆钉2×5GB827 |
4 |
|
17 |
A210204000120 |
螺钉M5×35GB70.1 |
4 |
|
18 |
60136486 |
O形圈 黎明 |
1 |

|
序 号 |
代码 |
名称 |
数 量 |
|
1 |
B220401000105 |
溢流阀 |
2 |
|
2 |
B210770000084 |
测压接头 |
2 |
|
3 |
B210780000036 |
管接头 |
4 |
|
4 |
B220401000536 |
减压阀 |
1 |
|
5 |
B210780000053 |
管接头 |
1 |
|
6 |
B220400000421 |
单向阀阀芯 |
1 |
|
7 |
10056401 |
卡套 |
1 |
|
8 |
B210780000201 |
螺塞VSTI14×1.5EDA3C |
1 |
|
9 |
B220401000046 |
梭阀 |
2 |
|
10 |
B210780001286 |
管接头 |
1 |
|
11 |
B210780000609 |
螺塞 |
1 |
|
12 |
A210204000031 |
螺钉M12×90GB70.1 |
2 |
|
13 |
B220401000539 |
单向阀 |
1 |
|
14 |
12947032 |
先导阀块 |
1 |
|
15 |
B210780000232 |
管接头 |
2 |

|
序 号 |
代码 |
名称 |
数 量 |
|
1 |
12768506 |
吊具组合管夹底板 |
5 |
|
2 |
12759963 |
管夹支架焊接图 |
1 |

|
序 号 |
代码 |
名称 |
数 量 |
|
1 |
A820101350329 |
管夹底板 |
1 |
|
2 |
12759960 |
吊具胶管组合管夹支板 |
1 |

|
序 号 |
代码 |
名称 |
数 量 |
|
1 |
60024203 |
管夹体 |
15 |
|
2 |
60165334 |
管夹体SP218-PP DP-AS |
8 |
|
3 |
60165344 |
管夹体SP650.8-PP DP-AS |
1 |
|
4 |
60165343 |
管夹体SP538-PPH DP-AS |
10 |
|
5 |
60014676 |
管夹体 |
7 |
|
6 |
60165336 |
管夹体SP325/25-PP DP-AS |
8 |
|
7 |
A820101350330 |
伸缩系统管夹盖板 |
2 |
|
8 |
A820101350536 |
伸缩系统管夹体2 |
4 |
|
9 |
A820101350550 |
伸缩系统管夹体3 |
2 |
|
10 |
A820101350551 |
伸缩系统管夹体 |
2 |
|
11 |
A210110000218 |
螺栓M10×80GB5782 |
8 |
|
12 |
A210401000001 |
垫圈10GB93-87 |
8 |
|
13 |
A820601991103 |
伸缩系统管夹体4 |
2 |
|
14 |
A210204000116 |
螺钉 |
4 |

|
序 号 |
代码 |
名称 |
数 量 |
|
15 |
60014673 |
管夹体SP216-PP DP-AS |
4 |
|
16 |
60165337 |
管夹体SP428/28-PPH GD-AS |
2 |

|
序 号 |
代码 |
名称 |
数 量 |
|
17 |
A820101350321 |
管夹盖板 |
2 |
|
18 |
A210111000029 |
螺栓M10×50GB5783-00 |
6 |
|
19 |
A210421000003 |
垫圈 |
6 |
|
20 |
12768531 |
吊具组合管夹体 |
2 |
|
21 |
12768533 |
吊具组合管夹体 |
2 |
|
22 |
A210111000071 |
螺栓 |
4 |
