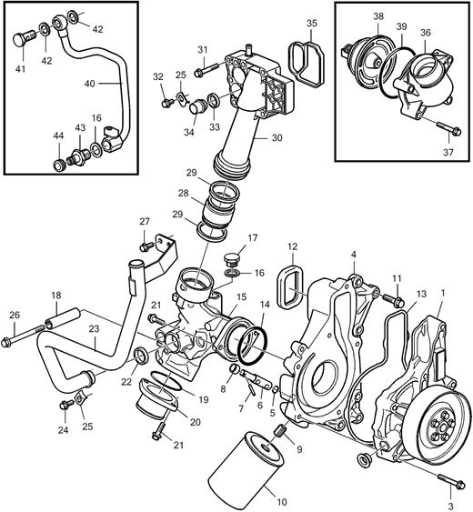
|
序 号 |
代码 |
名称 |
数 量 |
备注 |
|
1 |
60199246 |
水泵3801102 |
1 |
|
|
3 |
60203741 |
法兰螺栓984740 |
6 |
|
|
4 |
60199247 |
水泵泵壳20566236 |
1 |
|
|
5 |
60132390 |
O形圈 VOLVO |
1 |
|
|
6 |
60132339 |
转轴 VOLVO |
1 |
|
|
7 |
60130651 |
弹簧销 VOLVO |
1 |
|
|
8 |
60132957 |
套筒 VOLVO |
1 |
|
|
9 |
60087995 |
接头1676554 Volvo |
1 |
|
|
10 |
B222100000358 |
水滤芯 Volvo |
1 |
|
|
11 |
60199258 |
法兰螺栓984755 |
6 |
|
|
12 |
60132420 |
密封圈 VOLVO |
1 |
|
|
13 |
60132454 |
密封圈 VOLVO |
1 |
|
|
14 |
60199248 |
O型圈975697 |
1 |
|
|
15 |
60199249 |
冷却管3849305 |
1 |
|
|
16 |
60199250 |
垫圈976932 |
2 |
|
|
17 |
60092773 |
插头960634 Volvo |
1 |
|
|
19 |
B230101001208 |
O型圈 |
1 |
|
|
20 |
60129986 |
冷却管 VOLVO |
1 |
|
|
21 |
60203731 |
法兰螺栓984736 |
4 |
|
|
22 |
60086207 |
铁水管密封环471708 Volvo |
1 |
|
|
23 |
60095708 |
铁管20522122 Volvo |
1 |
|
|
24 |
60203734 |
法兰螺栓984733 |
1 |

|
序 号 |
代码 |
名称 |
数 量 |
备注 |
|
25 |
60086174 |
小水管锁卡1546531 Volvo |
2 |
|
|
26 |
60203733 |
法兰螺栓984761 |
1 |
|
|
27 |
60203736 |
法兰螺栓984738 |
2 |
|
|
28 |
60129852 |
管 VOLVO |
1 |
|
|
29 |
60086206 |
水管密封圈1547254 Volvo |
2 |
|
|
30 |
60095672 |
管20555313 Volvo |
1 |
|
|
31 |
60092399 |
螺丝973924 Volvo |
6 |
|
|
32 |
60094144 |
螺丝944926 Volvo |
1 |
|
|
33 |
60075867 |
变速箱水管密封圈1547252 Volvo |
1 |
|
|
34 |
60130954 |
堵头 VOLVO |
1 |
|
|
35 |
60096108 |
密封条20479636 Volvo |
1 |
|
|
36 |
60088582 |
连接管20405125 Volvo |
1 |
|
|
37 |
60092399 |
螺丝973924 Volvo |
4 |
|
|
38 |
60199251 |
节温器21412639 |
1 |
|
|
39 |
60087385 |
密封环1549651 Volvo |
1 |
|
|
40 |
60199252 |
管子20825289 |
1 |
|
|
41 |
B229900004960 |
螺栓 |
1 |
|
|
42 |
60085707 |
垫圈11998 Volvo |
2 |
|
|
43 |
60087996 |
接头1676622 Volvo |
1 |
|
|
44 |
60132979 |
防护罩 VOLVO |
1 |

|
序 号 |
代码 |
名称 |
数 量 |
备注 |
|
1 |
60199254 |
垫圈3888763 |
1 |
|
|
2 |
60092578 |
螺栓953098 Volvo |
3 |
|
|
3 |
60092456 |
法兰螺母971096 Volvo |
3 |
|
|
4 |
60131497 |
绝缘衬套 VOLVO |
3 |
|
|
5 |
60199254 |
垫圈3888763 |
1 |

|
序 号 |
代码 |
名称 |
数 量 |
备注 |
|
1 |
60001115 |
发电机 volvo |
1 |
|
|
2 |
60199256 |
支架3886356 |
1 |
|
|
3 |
60199257 |
法兰螺栓975121 |
1 |
|
|
4 |
60092594 |
螺栓965185 Volvo |
1 |
|
|
5 |
60131497 |
绝缘衬套 VOLVO |
2 |
|
|
6 |
60203799 |
法兰螺栓979935 |
1 |
|
|
7 |
60092458 |
法兰螺母979230 Volvo |
1 |
|
|
8 |
60131496 |
绝缘衬套 VOLVO |
2 |
|
|
9 |
B229900002075 |
螺丝 |
2 |
|
|
10 |
60199259 |
支架3887787 |
1 |
|
|
11 |
60092399 |
螺丝973924 Volvo |
1 |
|
|
12 |
60131064 |
法兰螺栓 VOLVO |
2 |
|
|
13 |
B229900002073 |
螺丝 |
1 |
|
|
15 |
60132573 |
传动皮带 VOLVO |
1 |
|
|
16 |
60199261 |
线束3887830 |
1 |
|
|
17 |
60199262 |
支架965539 |
1 |
|
|
18 |
60131808 |
螺栓 VOLVO |
1 |
|
|
19 |
60132237 |
支架 VOLVO |
1 |
|
|
20 |
60094286 |
法兰螺栓946440 Volvo |
3 |
|
|
21 |
60094396 |
螺栓946671 Volvo |
1 |
|
|
23 |
60131267 |
管夹 VOLVO |
4 |
|
|
24 |
60092572 |
螺母983714 Volvo |
1 |

|
序 号 |
代码 |
名称 |
数 量 |
备注 |
|
25 |
60199263 |
六角螺母983715 |
1 |
|
|
26 |
60092573 |
螺母983716 Volvo |
2 |

|
序 号 |
代码 |
名称 |
数 量 |
备注 |
|
1 |
60132814 |
dcu控制单元 VOLVO |
1 |
|
|
2 |
60092608 |
螺栓969407 Volvo |
8 |
|
|
3 |
60132194 |
支架 VOLVO |
1 |
|
|
4 |
60132013 |
橡胶衬套 VOLVO |
4 |
|
|
5 |
60203800 |
法兰螺母990939 |
8 |
|
|
6 |
60199266 |
支架21366967 |
1 |
|
|
7 |
60131286 |
护罩 VOLVO |
1 |
|
|
8 |
60129909 |
机臂 VOLVO |
1 |
|
|
9 |
60092399 |
螺丝973924 Volvo |
1 |
|
|
10 |
60132966 |
套筒 VOLVO |
1 |
|
|
11 |
60203801 |
法兰螺母990940 |
1 |
|
|
12 |
60132761 |
电缆束 VOLVO |
1 |
|
|
13 |
60132762 |
电缆束 VOLVO |
1 |

|
1 |
60132812 |
ciu控制单元 VOLVO |
1 |

|
序 号 |
代码 |
名称 |
数 量 |
备注 |
|
1 |
60131505 |
壳体 VOLVO |
1 |
|
|
2 |
60129789 |
盖 VOLVO |
1 |
|
|
3 |
60131268 |
管夹 VOLVO |
2 |
|
|
4 |
B229900005655 |
风扇螺栓 |
2 |
|
|
5 |
60199267 |
控制单元20959036 |
1 |
|
|
6 |
60132012 |
橡胶衬套 VOLVO |
4 |
|
|
7 |
60203736 |
法兰螺栓984738 |
4 |