|
序 号 |
代码 |
名称 |
数 量 |
备注 |
|
1 |
60132814 |
dcu控制单元 VOLVO |
1 |
|
|
2 |
60092608 |
螺栓969407 Volvo |
8 |
|
|
3 |
60132194 |
支架 VOLVO |
1 |
|
|
4 |
60132013 |
橡胶衬套 VOLVO |
4 |
|
|
5 |
60203800 |
法兰螺母990939 |
8 |
|
|
6 |
60199266 |
支架21366967 |
1 |
|
|
7 |
60131286 |
护罩 VOLVO |
1 |
|
|
8 |
60129909 |
机臂 VOLVO |
1 |
|
|
9 |
60092399 |
螺丝973924 Volvo |
1 |
|
|
10 |
60132966 |
套筒 VOLVO |
1 |
|
|
11 |
60203801 |
法兰螺母990940 |
1 |
|
|
12 |
60132761 |
电缆束 VOLVO |
1 |
|
|
13 |
60132762 |
电缆束 VOLVO |
1 |

|
序 号 |
代码 |
名称 |
数 量 |
备注 |
|
1 |
60132812 |
ciu控制单元 VOLVO |
1 |

|
序 号 |
代码 |
名称 |
数 量 |
备注 |
|
1 |
60131505 |
壳体 VOLVO |
1 |
|
|
2 |
60129789 |
盖 VOLVO |
1 |
|
|
3 |
60131268 |
管夹 VOLVO |
2 |
|
|
4 |
B229900005655 |
风扇螺栓 |
2 |
|
|
5 |
60199267 |
控制单元 |
1 |
|
|
6 |
60132012 |
橡胶衬套 VOLVO |
4 |
|
|
7 |
60203736 |
法兰螺栓984738 |
4 |

|
1 |
60203802 |
电缆21209719 |
1 |
|
|
4 |
60092379 |
卡带949746 Volvo |
6 |
|
|
5 |
60094396 |
螺栓946671 Volvo |
1 |
|
|
7 |
60092371 |
固定夹949747 Volvo |
1 |
|
|
8 |
60203734 |
法兰螺栓984733 |
6 |
|
|
9 |
60199165 |
夹子1545432 |
2 |
|
|
10 |
60131267 |
管夹 VOLVO |
2 |
|
|
11 |
60092399 |
螺丝973924 Volvo |
1 |
|
|
12 |
60199264 |
隔套977801 |
1 |
|
|
13 |
60131268 |
管夹 VOLVO |
2 |
|
|
14 |
60203765 |
法兰螺栓984734 |
2 |
|
|
15 |
60199265 |
线夹3121512 |
3 |
|
|
16 |
60094352 |
卡箍948211 Volvo |
1 |
|
|
17 |
60203803 |
夹子977743 |
1 |

|
序 号 |
代码 |
名称 |
数 量 |
备注 |
|
1 |
60199271 |
支架3887790 |
1 |
|
|
2 |
60199272 |
停止按钮21847110 |
1 |
|
|
3 |
60199273 |
六芯插座螺栓986214 |
2 |
|
|
5 |
60092608 |
螺栓969407 Volvo |
2 |
|
|
6 |
60085303 |
螺栓1079677 Volvo |
3 |
|
|
7 |
B229900002074 |
螺丝 |
3 |
|
|
8 |
60085302 |
螺母1079687 Volvo |
3 |
|
|
9 |
60199275 |
继电器插座3587172 |
1 |
|
|
10 |
60146726 |
电器设备-继电器3171420 VOLVO(国产) |
1 |
|
|
11 |
60129882 |
盒子 VOLVO |
1 |
|
|
12 |
60199274 |
继电器护圈3587174 |
1 |
|
|
13 |
60094352 |
卡箍948211 Volvo |
4 |

|
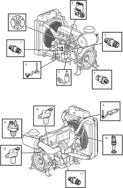
序 号 |
代码 |
名称 |
数 量 |
备注 |
|
1 |
60199268 |
紧急停止标牌3809463 |
1 |
|
|
2 |
60199269 |
压力温度传感器21385453 |
1 |
|
|
3 |
60001322 |
机油压力传感器 Volvo |
1 |
|
|
4 |
60134044 |
发动机-压力传感器20796744 volvo(国产) |
1 |
|
|
5 |
60199270 |
水位传感器3885070 |
1 |
|
|
6 |
60097208 |
油量传感器21042447 VOLVO |
1 |
|
|
7 |
60001322 |
机油压力传感器 Volvo |
1 |
|
|
8 |
60096167 |
真空开关20560843 Volvo |
1 |
|
|
9 |
60132613 |
水平传感器 VOLVO |
1 |
|
|
10 |
B240600000362 |
水温传感器 |
1 |
|
|
11 |
60131385 |
活塞冷却测压器 VOLVO |
1 |
|
|
12 |
60001130 |
转速传感器 volvo |
1 |
|
|
13 |
60001130 |
转速传感器 volvo |
1 |
