|
序 号 |
代码 |
名称 |
数 量 |
备注 |
|
46 |
60129875 |
管嘴 VOLVO |
6 |
|
|
47 |
60092391 |
螺丝966378 Volvo |
6 |
|
|
48 |
60199146 |
O型圈955982 |
6 |
|
|
50 |
60094496 |
密封环948610 Volvo |
1 |
|
|
51 |
60130303 |
减压阀 VOLVO |
1 |
|
|
54 |
60132452 |
密封圈 VOLVO |
1 |
|
|
55 |
60203762 |
托架21540770 |
1 |
|
|
56 |
60203763 |
隔板21305840 |
1 |
|
|
57 |
60092391 |
螺丝966378 Volvo |
4 |

|
序 号 |
代码 |
名称 |
数 量 |
备注 |
|
1 |
60199151 |
支架20441392 |
1 |
|
|
2 |
60131538 |
空心轴 VOLVO |
1 |
|
|
3 |
60092399 |
螺丝973924 Volvo |
1 |
|
|
4 |
60199152 |
机油尺套管21186881 |
1 |
|
|
5 |
60092623 |
螺栓975371 Volvo |
1 |
|
|
6 |
60199153 |
机油尺20883087 |
1 |
|
|
7 |
60199154 |
O型圈969198 |
1 |
|
|
8 |
60094352 |
卡箍948211 Volvo |
1 |

|
序 号 |
代码 |
名称 |
数 量 |
备注 |
|
1 |
60199155 |
机油滤座组件21061917 |
1 |
|
|
3 |
60199156 |
堵头20580032 |
2 |
|
|
4 |
60199157 |
O型圈977004 |
1 |
|
|
5 |
60130288 |
阀 VOLVO |
1 |
|
|
6 |
60130636 |
弹簧 VOLVO |
1 |
|
|
7 |
60130791 |
垫片 VOLVO |
1 |
|
|
8 |
60130987 |
堵头 VOLVO |
1 |
|
|
9 |
60199158 |
机油调温器20903074 |
1 |
|
|
10 |
60092706 |
O形圈949659 Volvo |
1 |
|
|
12 |
60199159 |
压力转换器21202753 |
1 |
|
|
13 |
60094270 |
垫圈947281 Volvo |
1 |
|
|
14 |
60199160 |
弯头992106 |
1 |
|
|
15 |
60199161 |
堵头3848744 |
1 |
|
|
16 |
60140278 |
密封圈 Volvo |
1 |
|
|
17 |
60203765 |
法兰螺栓984734 |
1 |
|
|
18 |
60199162 |
接管20542058 |
1 |
|
|
19 |
60199163 |
接管20542060 |
2 |
|
|
20 |
B222100000137 |
机油滤清器477556 Volvo |
1 |
|
|
21 |
B222100000136 |
机油滤清器478736 Volvo |
2 |
|
|
22 |
60199164 |
管20729314 |
1 |
|
|
23 |
60132453 |
密封圈 VOLVO |
6 |
|
|
24 |
60092576 |
螺栓949853 Volvo |
4 |

|
序 号 |
代码 |
名称 |
数 量 |
备注 |
|
25 |
60203735 |
法兰螺栓984735 |
8 |
|
|
26 |
60199165 |
夹子1545432 |
1 |
|
|
27 |
60203734 |
法兰螺栓984733 |
1 |
|
|
29 |
60092463 |
法兰螺栓965182 Volvo |
1 |
|
|
30 |
60199166 |
接头20741000 |
1 |
|
|
31 |
60081211 |
机油进口密封圈20555696 Volvo |
1 |
|
|
32 |
60199167 |
管20741262 |
1 |
|
|
33 |
60093469 |
垫片20787167 VOLVO |
1 |

|
序 号 |
代码 |
名称 |
数 量 |
备注 |
|
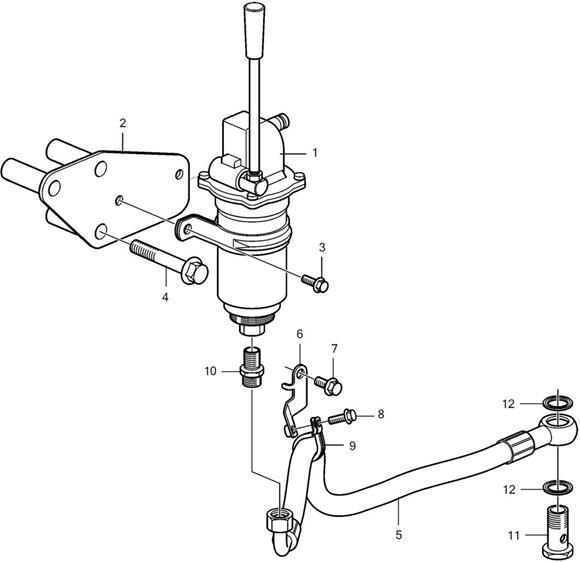
1 |
60130178 |
舱底油泵 VOLVO |
1 |
|
|
2 |
60203764 |
支架3595052 |
1 |
|
|
3 |
60203765 |
法兰螺栓984734 |
2 |
|
|
4 |
60092401 |
螺丝975127 Volvo |
3 |
|
|
5 |
60203766 |
软管3888628 |
1 |
|
|
6 |
60203767 |
支架3595053 |
1 |
|
|
7 |
60203768 |
法兰螺栓984752 |
1 |
|
|
8 |
60203765 |
法兰螺栓984734 |
1 |
|
|
9 |
60203769 |
管夹949379 |
1 |
|
|
10 |
60131448 |
接头 VOLVO |
1 |
|
|
11 |
60131526 |
空心螺栓 VOLVO |
1 |
|
|
12 |
60203751 |
垫圈18813 |
2 |

|
序 号 |
代码 |
名称 |
数 量 |
备注 |
|
2 |
60199168 |
燃油管20920419 |
1 |
|
|
3 |
60199169 |
密封圈20852765 |
2 |
|
|
4 |
60199170 |
空心螺栓991046 |
1 |
|
|
5 |
60199171 |
燃油管3594679 |
1 |
|
|
6 |
60199169 |
密封圈20852765 |
2 |
|
|
7 |
60199170 |
空心螺栓991046 |
1 |
|
|
9 |
60199169 |
密封圈20852765 |
2 |
|
|
10 |
60199172 |
空心螺栓991048 |
1 |
|
|
11 |
60199173 |
散热器20562394 |
6 |
|
|
12 |
60199174 |
燃油管20892118 |
1 |
|
|
13 |
60131013 |
对接接管 VOLVO |
1 |
|
|
14 |
60191116 |
密封圈20852764 |
2 |
|
|
15 |
60199172 |
空心螺栓991048 |
1 |
|
|
16 |
60203770 |
燃油管21145025 |
1 |
|
|
17 |
60203771 |
接头945614 |
2 |
|
|
18 |
60191116 |
密封圈20852764 |
6 |
|
|
19 |
60199170 |
空心螺栓991046 |
3 |
|
|
20 |
60131657 |
螺母 VOLVO |
2 |
|
|
21 |
60199177 |
燃油管3594057 |
1 |
|
|
22 |
60092371 |
固定夹949747 Volvo |
9 |
|
|
23 |
60094286 |
法兰螺栓946440 Volvo |
15 |
|
|
24 |
60199178 |
法兰螺栓948746 |
6 |
