
S00004367 后凸轮轴衬套 BACK CAMSHAFT BUSHING
D04-167-01A 碗形闷头 PLUG
S00003875 碗形闷头 PLUG
D04-133-01 碗形闷头 PLUG
C19BL-5H4279 碗形闷头 PLUG
S00000937 碗形闷头 PLUG
S00018740 碗形闷头 PLUG
S00004815 螺塞装配部件 PIPE PLUG ASSY (ASSEMBLED)
S00004817 O型橡胶密封圈 O-RING
S00000950 定位套 DOWEL SLEEVE
S00001197 气缸套 CYLINDER LINER
S00004822 螺塞装配部件 PIPE PLUG ASSY (ASSEMBLED)
S00004824 O型橡胶密封圈 O-RING
S00003466 主轴承盖螺栓 BOLT, MAIN BEARING CAP
D02A-322-40 套筒销 DOWEL SLEEVE
F/1401 机体维修组件 CYLINDER BLOCK SERVICE GROUP
S00000943 机体机加工部件 CYLINDER BLOCK ASSY (MACHINED)
S00004818 螺塞装配部件 PIPE PLUG ASSY (ASSEMBLED)
S00004814 O型橡胶密封圈 O-RING
S00004809 螺塞装配部件 PIPE PLUG ASSY (ASSEMBLED)
S00004811 O型橡胶密封圈 O-RING
D02A-127-01 闷头 PLUG

B00004896 六角法兰面螺栓 HEXAGON BOLTS
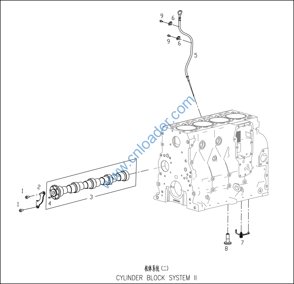
S00002899 凸轮轴推力板 THRUST PLATE, CAMSHAFT
F/1401 凸轮轴维修组件 CAMSHAFT SERVICE GROUP
S00006208 凸轮轴 CAMSHAFT
B00000121 定位销 DOWEL PIN
S00007818 油尺及油尺管部件 OIL DIPSTICK AND TUBE ASSY
S00003932 夹箍 CLAMP
S00004685 活塞冷却喷嘴部件 PISTON-COOLING ORIFICE ASSY
S00002893 气门挺柱 TAPPET
B00002132 六角法兰面螺栓 HEXAGON BOLTS
S00012897 O型橡胶密封圈 O-RING

D04-167-01A 碗形闷头 PLUG
D02A-163-01 螺塞 PIPE PLUG
D04-308-01 碗形闷头 PLUG
S00018740 闷头 PLUG
F/1401 螺塞装配部件 PIPE PLUG SERVICE GROUP
S00004918 螺塞 PIPE PLUG ASSY (ASSEMBLED)
S00004986 O形圈 O-RING
D02A-164-01 螺塞 PIPE PLUG
S00008872 气门杆油封 STEM SEAL, INTAKE VALVE
S00002889 气门弹簧 VALVE SPRING
S00002890 气门锁夹 VALVE COLLET
S00004345 气门弹簧上座 VALVE SPRING RETAINER
S00002897 气门桥 VALVE BRIDGE
B00000122 销 DOWEL
D02A-310-01 碗形闷头 PLUG
S00003465 气缸盖螺栓 BOLT, CYLINDER HEAD
S00000844 气缸盖垫片 GASKET, CYLINDER HEAD
S00002886 排气门 VALVE, EXHAUST
S00002885 进气门 VALVE, INTAKE
F/1401 气缸盖维修组件 CYLINDER HEAD SERVICE GROUP
F/1401 气缸盖维修组件 CYLINDER HEAD SERVICE GROUP
S00004163 气缸盖机加工部件 CYLINDER HEAD ASSY (MACHINED)
F/1401 内六角头螺塞维修组件 HEXAGON COUNTERSUNK PIPE PLUG SERVICE GROUP
B00001708 内六角螺塞 HEXAGON COUNTERSUNK PIPE PLUG
S00010416 O型橡胶密封圈 O-RING
F/1401 螺塞装配部件 PIPE PLUG SERVICE GROUP
B00001704 内六角螺塞 HEXAGON COUNTERSUNK PIPE PLUG
B00002471 O型橡胶密封圈 O-RING

S00016358 发动机前吊环 ENGINE LIFTING EYE, FRONT
B00004880 六角法兰面螺栓 HEXAGON BOLTS
S00003087 调温器部件 THERMOSTAT ASSY
S00008437 气缸盖出水管 CYLINDER HEAD WATER OULET TUBE
B00002118 六角法兰面螺栓 HEXAGON BOLTS
S00002892 气门推杆 PUSH ROD
S00004415 垫片 GASKET
S00005062 发动机后吊环 REAR ENGINE LIFTING EYE
S00004703 进气摇臂总成 ROCKER ARM ASSY
S00004704 排气摇臂总成 ROCKER ARM ASSY
D03-112-02 六角法兰面螺栓 HEXAGON BOLTS

S00011276 气缸盖罩壳迷宫盖板 MAZE PLATE INSIDE VALVE COVER
D02A-328-01 加油盖密封圈 SEAL RING, OIL FILLER
F/1401 加油盖维修组件 COVER, OIL FILLER
S00004614 加油盖 COVER, OIL FILLER
S00004978 气缸盖罩壳通风管 VENT PIPE ON VALVE COVER
B00000935 十字槽盘头螺钉 PAN HEAD SCREWS WITH CROSS RECESS
S00011277 双头螺栓 STUD
S00004964 气缸盖罩壳减震垫 ISOLATOR ,VIBRATION
B00001811 加大毛垫圈 BIGGER BLACK WASHERS
B00001236 盖形螺母 ACORA NUTS
S00005034 气缸盖中间罩壳密封环 ROCKER ARM CASE SEAL RING
B00005143 内六角圆柱头螺钉 HEXAGON SOCKET HEAD CAP SCREWS
F/1401 气缸盖罩维修组件 VALVE COVER
S00016739 气缸盖罩 VALVE COVER
S00016019 双头螺栓 STUD

F/1401 主轴瓦维修组件 MAIN BEARING SERVICE GROUP
S00004362 主轴瓦(上) MAIN BEARING, UPPER
S00004363 主轴瓦(下) MAIN BEARING, LOWER
S00001416 连杆螺栓 BOLT, CONNECTING ROD
B00001037 孔用弹性挡圈-A型 RING RETAINER FOR HOLE (TYPE A)
S00001198 活塞销 PIN, PISTON
F/1401 活塞环维修组件 PISTON RING SERVICE GROUP
S00000975 油环部件 PISTON OIL CONTROL RING ASSY
S00000973 梯形桶面环(镀铬) TOP RING, PISTON
S00000974 内切锥面环 INTERMEDIATE RING, PISTON
F/1401 活塞维修组件 PISTON SERVICE GROUP
S00000970 活塞 PISTON
S00001412 连杆机加工部件 CONNECTING ROD ASSY (MACHINED)
F/1401 连杆轴瓦维修组件 CONNECTING ROD BEARING SERVICE GROUP
S00004365 连杆上瓦 UPPER BEARING, CONNECTING ROD
S00004366 连杆下瓦 LOWER BEARING, CONNECTING ROD
F/1401 曲轴维修组件 CRANKSHAFT ASSY SERVICE GROUP
S00008562 曲轴 CRANKSHAFT
F/1401 推力主轴瓦维修组件 THRUST BEARING SERVICE GROUP
S00004363 主轴瓦(下) MAIN BEARING, LOWER
S00004364 曲轴推力轴承 THRUST BEARING, CRANKSHAFT
B00000121 圆柱销 SPRING PIN

D04-145-30A 排气管螺栓 BOLT EXHAUST MANIFOLD
S00003833 排气管螺栓垫块 EXHAUST PIPE BOLT SPACER
F/1401 排气管维修组件 EXHAUST MANIFOLD SERVICE GROUP
S00011279 排气管 EXHAUST MANIFOLD
S00003834 排气管垫片 GASKET, EXHAUST MANIFOLD
S00017903 排气管隔热罩 HEAT SHIELD, EXHAUST MANIFOLD
S00017902 排气管隔热罩 HEAT SHIELD, EXHAUST MANIFOLD
D13-318-02 隔热板螺栓 BOLT
B00004972 闷头 PLUG
F/1401 六角头螺塞维修组件 HEXAGON PIPE PLUG SERVICE GROUP
B00001724 六角头螺塞 HEXAGON PIPE PLUG
B00001545 复合式密封垫片 RUBBER COATED HARD WASHER
S00005855 螺栓 BOLT
F/1401 六角头螺塞维修组件 HEXAGON PIPE PLUG SERVICE GROUP
B00001733 六角头螺塞 HEXAGON PIPE PLUG
B00001555 复合式密封垫片 RUBBER COATED HARD WASHER
S00011683 进气管盖板 COVER, AIR INTAKE PIPE
S00005856 螺栓 BOLT
S00005009 卡箍 CLAMP
F/1401 进气弯管维修组件 AIR INTAKE PIPE ELBOW SERVICE GROUP
S00005016 进气弯管 AIR INTAKE PIPE ELBOW
S00004985 O型圈 O-RING