
11772669 1 PPC管路 PPC pipeline SY335C9I2K.1.4.1
12757265 1 电磁阀管路 Electromagnetic valve pipeline
12757236 1 主阀管路 Main valve pipeline
12757217 1 主泵管路 Main pump pipeline
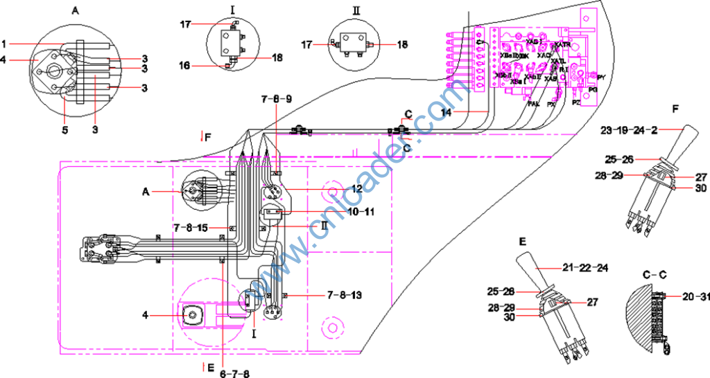
60086356 1 线束固定夹 Clamp
A210111000012 1 螺栓 M10×20GB5783 10.9级 Bolt
变更或见其他配置 1 垫圈10GB97.1 达克锈 Washer
60086354 1 线束固定夹 Clamp
A210111000199 1 螺栓M12×20GB5783 10.9级 Bolt M12×20GB5783 10.9

B230103000982 1 胶管 Hose AS
A210204000334 4 螺钉M10×16GB70.1 10.9级 Screw
B230103004256 1 胶管 Hose AS
B230103001563 2 胶管 Rubber hose
B230103002275 1 胶管 Rubber hose
B230103000899 2 胶管 Rubber hose
60170604 1 先导阀PVD8PC6008(脚踏) Valve, travel
B230103002658 1 胶管 Hose AS
B230103002263 1 胶管 Hose AS
A831211120000 1 胶管 Hose AS
B230103003988 1 胶管 Hose
B230103002649 1 胶管 Hose
A820601990304 2 法兰 Flange
A820601990336 2 波纹管 Grommet
11243401 2 胶套 Sleeve, plastic
A210111000079 8 螺栓 Bolt
24000632 8 垫圈6GB97.1 达克锈 Washer
B230103004390 1 胶管 Hose
B230103002650 1 胶管 Hose
A230101000247 8 O形圈 O-ring
A820205000839 6 接头 Fitting
A820205000940 7 接头 Fitting
B230101000047 10 O形圈 O-ring
A820205000946 10 接头 Fitting
B230101000049 10 O形圈 O-ring
60020078 3 过滤接头 Fitting, screen

B230103000983 1 胶管 Hose
A229900006438 1 插入件 Insert, switch
B230103002569 4 胶管 Hose
B220401001302 2 先导阀 Valve, pilot
B230103005981 1 胶管 Rubber Hose
A820101117104 2 管夹 pipe nip
A210111000342 10 螺栓M8×16GB5783 10.9级 Bolt
60060565 10 垫圈8GB96.1 达克锈 Washer
11076393 1 管夹 pipe nip
A820199000360 2 PT块 Block, pilot
21005186 4 螺栓 Bolt
B230103004385 1 胶管 Hose Assembly
A820101117116 1 管夹 Clamp
B230103002553 1 胶管 Rubber Hose
10379080 1 管夹 pipe nip
B210780000024 1 直角组合接头 Fitting, Elbow EWLM18
B210780000418 2 管接头 Fitting
A820205000894 2 接头 Fitting
B229900001614 1 右手柄 Joystick, right
A210204000028 2 螺钉 Screw M12×75(GB70.1)
B229900001613 1 左手柄 Joystick , left
60116344 1 插入件 Insert, switch
变更或见其他配置 1 按钮开关 Switch
A210264000022 2 自攻螺钉 Screw, self-tapping
11050165 2 手柄 Handle, grip
A210308000006 2 螺母 Nut
A210307000002 2 螺母 Nut
A229900006446 2 罩 Joystick, rubber cover
A229900001028 2 罩 Joystick, rubber cover
A229900001027 2 板 Plate
A210491000121 2 垫圈 Washer

60237073 2 内六角螺钉 Screw
60237074 2 压盘 Mount, lower
60237075 1 安装板 Plate
60237078 2 内六角螺钉 Screw, socket head
60008690 4 轴套 Sleeve, shaft
60008585 2 凸轮轴 Shaft
60008591 2 凸轮 Mount, upper
60237082 2 紧定螺钉 Screw, set
60008592 4 调整螺杆 Screw, adjusting
60038480 4 螺母 Nut
60237083 2 护套 Cover, rubber
60331164 1 脚踏先导阀维修包 Kit, seal

60237072 1 阀体 Valve
60008728 1 紧定螺钉 Screw, set
60163768 4 堵 Plug
60008754 4 盖 Cover
60163771 4 防尘圈 Ring, dust
60038720 4 O形圈 O-ring
60273527 4 柱塞 Rod
60008756 4 弹簧座 Seat, spring
60038563 2 内六角螺钉 Screw, socket head
60008803 4 活塞 Piston
60237077 12 滚珠 Ball, steel
60008766 4 弹簧 Spring
60008767 4 弹簧 Spring

60273523 1 壳体 Valve, travel, pilot
60273524 2 堵头 Plug
60221657 2 O形圈 O-ring
60273525 2 阀座 Spool, cartridge
60273526 2 滚珠 Ball, steel
60038727 2 O形圈 O-ring
60038820 4 O形圈 O-ring
60008597 4 垫圈 Washer
60273528 4 阀芯 Spool
60237080 4 弹簧座 Seat, spring
60008589 4 垫圈 Washer
60008594 4 弹簧 Spring, small
60038221 4 弹簧 Spring, large

60008879 1 弹簧销 Pin, roll
60008604 1 调整螺母 Nut, adjusting
60008809 1 圆板 Plate, circular
60008602 1 接头 Shaft
60008603 4 密封圈 Ring, seal
60008595 4 堵头 Plug
B230101000363 4 O形圈 O-ring
60008599 4 推动杆 Rod
60008811 1 板 Plate
60008758 4 弹簧座 Seat, spring
60008775 4 弹簧 Spring
60008597 4 垫圈 Washer
60008774 4 弹簧 Spring, large
60008760 4 滑轴 Spool
60008795 1 壳体 Housing
60008799 1 O形圈 O-ring
60008810 1 油口接板 Plate, connecting
60008786 2 内六角螺钉 Bolt, socket head
60008598 2 密封垫圈 Washer, seal
60008806 1 衬套 Sleeve
60331163 1 手动先导阀维修包 Kit, seal

A820205000836 2 M24-M26接头 Connector
A229900001581 2 O形圈 O-ring 21.7×3.5(JISB2401)
A820205000839 3 接头 Fitting
A230101000247 3 O形圈 O-ring
60000307 1 胶管 Rubber hose
B230103002135 1 胶管 Rubber Hose
A820205000945 1 G1-M30接头 Connector
B230101000050 1 O形圈 O-ring
A820205000962 1 接头 Connector
B230101000090 1 O形圈 O-ring
B230103000975 1 胶管 Hose Assembly
A820205000940 5 接头 Fitting
B230101000047 9 O形圈 O-ring
B230103001258 1 胶管 Rubber hose
B230103001022 1 胶管 Hose AS
B210780000024 4 直角组合接头 Fitting, Elbow EWLM18
A820205000961 3 G3/8-M18接头 Connector
B230101000049 1 O形圈 O-ring
A820205000947 1 堵头 G3/8 jam-SY200A.1.4.3-5
A820205001771 2 堵头 Screw Plug
B230103004375 1 胶管 Rubber Hose
60136331 1 六联电磁换向阀组 Solenoid valve group
A210204000345 2 螺钉M10×70GB70.1 10.9级 Bolt
A210491000120 2 垫圈 Washer
B210780000028 2 直角组合接头 Fitting, Elbow
60265303 1 隔膜式蓄能器 Accumulator
B210780000170 1 管接头 Fitting
B210780000827 1 管接头 Fitting
B210780000016 1 三通组合L型接头 Fitting, tee
B210780001310 2 直角组合接头 Fitting, Elbow
B210780001007 1 三通组合L型接头 Fitting, tee
A820205000838 2 接头 Fitting
A230101000243 3 O形圈 O-ring 16.7×3.5(JISB2401)
10077549 1 接头 Fitting
A820205001144 1 M33-M30接头 Connector
B230101000036 1 O形圈 O-ring
B210780000018 1 三通组合L型接头 Fitting, tee

60065224 3 电磁切换阀 Solenoid, valve on/off
60065222 3 减压阀KDRDE5K-31/30C50-122( Solenoid, proportional

B230103000914 1 胶管 Rubber hose 1SN6-DKOL-
B230103001359 1 胶管 Hose AS
B230103000808 1 胶管 Hose AS
A210110000437 4 螺栓M12×65GB5782 10.9级 Bolt M12×65GB5782 10.9
B230103000992 1 胶管 Rubber Hose
B230103000993 3 胶管 Hose AS
A831213050000 3 胶管 Hose AS
B230103000977 3 胶管 Hose AS
B230103002045 1 胶管 Hose AS
10237402 1 继电器防护板 Protective plate of relay
10077269 1 过渡块 Transitional block
B210780000172 1 管接头 Fitting
11415538 1 过渡块板 Transitional Plate
B230103004133 6 胶管 Hose AS
B210780000170 10 管接头 Fitting
A820205000940 1 接头 Fitting
B230103001947 1 胶管 Hy hose 1SN6-/SY1102

B230103002657 3 胶管 Hose AS
A820205001061 1 负流量传感器接头 Negative Flowrate Sensor
B220400000169 1 三通梭阀 Valve, shuttle, tee
B210780001045 2 管接头 Fitting
A820205000947 11 堵头 G3/8 jam-SY200A.1.4.3-5
B230103003046 1 胶管 Rubber Hose
A831213035000 2 胶管 Rubber hose
A820205000940 14 接头 Fitting
B230101000047 18 O形圈 O-ring
B230101000049 49 O形圈 O-ring
A820205000946 36 接头 Fitting
B210780000418 17 管接头 Fitting
A820205001771 1 堵头 Screw Plug
1 活塞 HA04067 HA04067 活塞 4102GBZ-04-001
2 活塞 HA03045 4100GB-030001
3 活塞 DHA031 DHA031 活塞 YN48GBZ-03201-1
4 活塞 HA040205 云内 HA040205 YN33CRD-04-001B 活塞
5 活塞 HA10002872 HA10002872 活塞
6 活塞 HA10000126/1 HA10000126 活塞 4102GB-030001
7 活塞 HA10009428 4102GB-030004 HA10009428 活塞 4102GB-030004
8 活塞(490QB-04001) SHA0408 5套 SHA0408 活塞 490QB-04001
9 活塞 SHA0478
10 活塞 SHA03117 SHA03117 活塞 YN25GB-03201
11 活塞环(490QB-04-100C)()(SAB) SHA0451 SHA0451 活塞环 490QB-04-100C
12 活塞环 HA0472 4100QB-04-002~003 4100QBZ-04.01A HA0472 活塞环 4100QB-04-100 4100QB-04-002 4100QB-04-003 4100QBZ-04.01A
13 活塞环 HA0454 4102QBZ-04-002A~003A, 4102QBZ-04.01B HA0454 活塞环 4102QBZ-04-100A 4102QBZ-04-002A 4102QBZ-04-003A, 4102QBZ-04.01B
14 活塞环 HA04063 云内 HA04063 活塞环 YN33CRD-04-100
15 活塞环 DHA032 DHA032 活塞环 YN48GBZ-03203-1 YN48GBZ-03204-1 YN48GBZ-03221-1
16 活塞环 SHA0477 SHA0477 活塞环 YN27RD-04-100
17 活塞销 DHA035 DHA035 活塞销 YN48GBZ-03202-1
18 活塞销HA0419 HA0419 HA0419 活塞销 4100QB-04-005
19 活塞销(90-04004)()(SAB) SHA0407 5套 SHA0407 活塞销(90-04004)(SAB)
20 活塞销HA03011 HA03011 活塞销 HA03011 YN38CRD-03302-1 4110003492075
21 缸套 HA01101 4100QB-01-011 HA01101 HA01101 缸套 4100QB-01-011 HA010235
22 缸套 HA01330 4102QB-01-011B HA01330 缸套 4102QB-01-011B
23 缸套 DHA0508
24 气缸套(490QZL-01005) SHA0181 5套 SHA0181 气缸套 490QZL-01005
25 缸套 SHA05040 SHA05040 缸套 YN25GB-05001-1
26 阻水圈 DHA0509 DHA0509 缸套密封圈 YN48GBZ-05002-1
27 连杆轴瓦HA0423 HA0423 HA0423 连杆轴瓦 4110003180020
28 主轴瓦 SHA01008/10
29 连杆轴瓦HA04035 HA04035 4102QBZL-04-006 HA04035 连杆轴瓦 4102QBZL-04-006 4110003273079
30 连杆瓦0.25 HA04035 0.25
31 连杆瓦0.50 HA04035 0.50
32 连杆瓦YN48GBZ DHA033 DHA034 DHA033 DHA034 连杆瓦 YN48GBZ-03215-1 YN48GBZ-03216-1
33 连杆瓦加25 DHA033 DHA034 0.25
34 连杆瓦0.5 DHA033 DHA034 0.50
35 连杆部件 DHA0302 DHA0302 连杆部件 YN48GBZ-03214
36 云内连杆体 HA04052 4100QB-04.02C-001 HA04052 连杆 4100QB-04.02C 4100QB-04.02C-001
37 连杆部件(90-04200A) SHA0455 SHA0455 连杆部件 90-04200A
38 连杆 SHA03120 SHA03120 连杆 YN25GB-03210-1
39 主轴瓦YN48GBZ DHA056 DHA057 DHA058 DHA059 DHA056 DHA057 DHA058 DHA059 主轴瓦YN48GBZ-05015-1 YN48GBZ-05013-1 YN48GBZ-05012-1 YN48GBZ-05014-1
40 主轴瓦0.5 DHA056 DHA057 DHA058 DHA059 0.25 DHA056 DHA057 DHA058 DHA059 主轴瓦YN48GBZ-05015-1 YN48GBZ-05013-1 YN48GBZ-05012-1 YN48GBZ-05014-1 +0.5
41 瓦 DHA056 DHA057 DHA058 DHA059 0.25 DHA056 DHA057 DHA058 DHA059 主轴瓦YN48GBZ-05015-1 YN48GBZ-05013-1 YN48GBZ-05012-1 YN48GBZ-05014-1 +0.25
42 主轴瓦 HA0195 4102QB-01-006~009 HA0195 主轴瓦 4102QB-01-006 4102QB-01-009
43 主轴瓦0.25 HA0195 0.25
44 主轴瓦0.50 HA0195 0.50
45 主轴瓦 SHA01008/10 SHA01008 SHA01010 主轴瓦
46 主轴瓦0.25 SHA01008/10 0.25
47 曲轴止推片 DHA055 DHA055 曲轴止推片 YN48GBZ-05005
48 连杆轴瓦(85-04007)()(SAB) SHA0417 SHA0417 连杆轴瓦 85-04007
49 止推瓦 4100QB-01-010 4100QB-01-010 止推瓦 HA01380
50 曲轴止推片 SHA0185 86 SHA0185 SHA0186 曲轴止推片
51 云内动力YN25GB电喷发动机水泵 SHA1419 SHA1419 云内动力YN25GB电喷发动机水泵 YN25GB-14100-1
52 水泵 SHA4207 490QB(DI)-42000 SHA4207 水泵 490QB(DI)-42000
53 水泵 SHF4215=SHA4248 SHA4248 水泵 SHF4215 YN4A-42000
54 水泵 HA10005385 HA10005385 水泵 YN33CRD-140018
55 水泵 HA10005881 YN33CRD-140020 HA10005881 水泵 YN33CRD-140020
56 水泵 DHA142 DHA142 YN48GBZ 云内 DHA142 水泵 YN48GBZ-14100-1
57 水泵 HA06804 云内YN33GBZ HA06804 水泵 YN33GBZ YN33-06.01 YN4100QB
58 封水圈HA0171 HA0171 HA0171 封水圈 4100QB-01-012 YN4100QB YN410
59 490缸套阻水圈(490QZL-01006) SHA01020 SHA01020 490缸套阻水圈 490QZL-01006
60 喷油泵总成(4Q613) SHA110028
61 喷油器总成 (490Q(DI)-22000) SHA2202 SHA2202 喷油器总成 490Q(DI)-22000
62 重油云内P091-000F/SHA2228喷油器 SHA2228
63 喷油器 YN4A-22000-1 SHA2236
64 云内动力YN33CRD节温器 HA10002932 LONKING (LONGGONG) CDM932N HA10002932 云内动力YN33CRD节温器 YN33CRD-140009 YN27CRD
65 节温器总成 HA10006971 HA10006971 节温器总成 YN33CRD-140037
66 节温器总成 HA10003257 HA10003257 节温器总成 YN33CRD-140012
67 风扇总成HA06031 HA06031 HA06031 风扇总成 F490-28-10
68 喷油泵总成HA10000305 HA10000305 HA10000305 喷油泵总成 YN4E-110164 HA10009302
69 重油云内P091-000F/SHA2228喷油器 SHA2228
70 曲轴 HA05275 HA05275 曲轴 4100QB-05-006B
71 曲轴YN48GBZ-03001-1 DHA039 DHA039 曲轴 YN48GBZ-03001-1
72 曲轴(490QB-05004A) SHA0556 490QB050054A SHA0556 曲轴 490QB-05004A SHA10017942 YN4A-030091
73 柴油滤清器CX0708 SHA2404 SHA2404 柴油滤清器CX0708 490QI-24000 SHA2402
74 柴油滤清器 HA10016369 HA10016369 柴油滤清器 YN4E-110201
75 油水分离器 HA10016370
76 燃油滤清器 HA10016371 HA10016371 燃油滤清器 YN4E-110203
77 燃油滤清器 HA10016372 HA10016372 燃油滤清器 YN4E-110204
78 油水分离器 SHA10013925 SHA10013925 油水分离器 YN4B-110006
79 轴套 连杆衬套 4102QBZL-04.02-004 4102QBZL-04.02-004 4102QBZL-04.02-004 连杆衬套 HA0446 495QA-04.02-004
80 前油封(YN48GBZ-08018-1) DHA0808 DHA0808 前油封 YN48GBZ-08018-1
81 曲轴后油封(氟胶) DHA0514 DHA0514 曲轴后油封 YN4100QB
82 后油封部件 DHA10005942 DHA10005942 后油封 YN4H-050017
83 缸垫YN48GBZ-06005-1 DHA0606 DHA0606 缸垫 YN48GBZ-06005-1 YN48GBZ
84 YN48GBZ垫片套套件 YN48GBZ GASKET OVERHAUL KIT
85 齿轮打气泵 DHA153
86 空压机 SHA10008795 490GB-700001
87 空压机 HA10008341 4100GB-700008 HA10008341 4100GB-700008 空压机 YN4100QB
88 气门摇臂轴部件(YN28GBZ-03200) SHA03112 SHA03112 气门摇臂轴部件 YN28GBZ-03200 YN25GB YN28
89 机油泵 HA01483 云内YN33GBZ HA01483 机油泵 YN33GBZ YN4100QB
90 机油泵 SHA1345 SHA1345 机油泵 YN25GB-13400-1
91 机油泵总成(490G-31000) 490G-31000 机油泵总成 490G-31000 SHA3126 YN28GBZ-31000
92 机油冷却器总成HA01892 HA01892 机油冷却器总成 HA01892 YN33-01.15.01
93 凸轮轴正时齿轮HA022 HA022 4100QB-02-002A 凸轮轴正时齿轮 HA022 4100QB-02-002A 4110003273156
94 凸轮轴正时齿轮(90-02009) SHA0231 凸轮轴正时齿轮 90-02009 SHA0231
95 机油泵齿 SHA1346 机油泵齿 SHA1346 YN25GB-13005-1
96 曲轴皮带轮(三槽)HA05140 HA05140 曲轴皮带轮(三槽) HA05140 4100QB-05-003 YN4100QB
97 水泵皮带轮HA19710 HA19710 4100QB-19-002-FTZ 水泵皮带轮 HA19710 4100QB-19-002-FTZ 4110003273146
98 喷油泵齿轮 HA010052 喷油泵齿轮 HA010052 4102GB-01-033
99 喷油泵正时齿轮(90-02003A) SHA0227 喷油泵正时齿轮 90-02003A SHA0227
100 起动机 24V 11齿 4.5KW HC088 QDJ2658-P 起动机 24V 11齿 4.5KW HC088 QDJ2658-P QDJ258Y
101 HA031
102 气门锁夹HA03136 HA03136 气门锁夹 HA03136 HA03136 4100QB-03-006 4110003273153
103 进气门HA03157 HA03157 4100QB-03-002A 进气门HA03157 4100QB-03-002A 4110003273159
104 排气门 HA03158 HA03158 4100QB-03-001A 排气门 HA03158 4100QB-03-001A 4110003273161
105 排气门HA03284 HA03284 排气门 HA03284 YN33-03-001
106 进气门HA03285 HA03285 进气门 HA03285 YN33-03-002 4110003180079
107 进气门 SHA07014 进气门 SHA07014 YN25GB-07010-1
108 进气门(90-03014A) SHA0353 进气门 90-03014A SHA0353
109 排气门 SHA07015 排气门 SHA07015 YN25GB-07011-1
110 排气管垫 SHA0359 排气管垫 SHA0359 90-03003 YN490QB
111 气缸罩密封圈(495GB-11002)()(SAB) SHA1112 气缸罩密封圈 495GB-11002 SHA1112