
1020400284 工作灯 Lamp
1029902774 螺栓 M10×10 Bolt
1029902776 橡胶垫圈 10 Washer
1029902775 螺母 M10 Nut
1029902777 垫片 Washer
1020519870 H3灯泡 Bulb
1040000098 螺栓 M8×16-8.8 Bolt
1040300066 垫圈 8-200HV Washer
1029900390 金属安装夹具 Clip
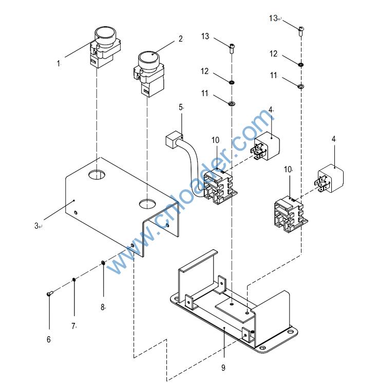
003004277A0410000 加油控制盒 Oil Filling Control Box
1040000069 螺栓 M12×25-8.8 Bolt
1040301022 垫圈 12-300HV Washer
003001077A0401010 前灯支架 Front Lamp Bracket
1040000109 螺栓 M6×16-8.8 Bolt
1040300051 垫圈 6-200HV Washer

1020500846 按钮开关 Switch
1020500845 按钮开关 Switch
003004277A0411010 盖 Cover
1020300104 继电器 Relay
003004277A0410020 加油控制盒线束 Harenss
1040100862 螺钉 M3×8-4.8 Screw
1040300046 垫圈 3 Spring Washer
1040300585 垫圈 3-140HV Washer
003004277A0410010 底座 Plate
1020300149 继电器座 Relay Seat
1040300048 垫圈 5-200HV Washer
1040300060 垫圈 5 Spring Washer
1040100619 螺钉 M5×10-8.8 Screw
1020300103 继电器 Relay
1020700262 片状UT接头 Terminal
1020300149 继电器座 Relay Seat
1020700959 接插件(六插) Connector
1020700951 接插件(两插) Connector
1020304576 二极管 Diode

1040000721 螺栓 M12×25-10.9 Bolt
1040301022 垫圈 12-300HV Washer
1029900290 低音喇叭 Horn
1029900291 高音喇叭 Horn
1029900390 金属安装夹具 Clip
1020404284 工作灯 24v Lamp
1029902774 螺栓 M10×10 Bolt
1029902776 橡胶垫圈 10 Washer
1029902777 垫片 Washer
1029902775 螺母 M10 Nut
1020519870 H3灯泡 Bulb
003004277A0530000 左灯罩 Lamp Chimney

1040000721 螺栓 M12×25-10.9 Bolt
1040301022 垫圈 12-300HV Washer
003004277A0510000 喷淋器支架 Washer Bracket
1040300051 垫圈 6-200HV Washer
1040300062 垫圈 6 Spring Washer
1040000109 螺栓 M6×16-8.8 Bolt
1021300012 喷淋器 Washer
1020519796 压力开关 Switch
1040000098 螺栓 M8×16-8.8 Bolt
1040300066 垫圈 8-200HV Washer
1029900390 金属安装夹具 Clip
003004277A0401040 开关护板 Plate
1990200669 涂塑胶条 Clip

1040100070 螺钉 M5×20-4.8 Screw
1040300060 垫圈 5 Spring Washer
1040300048 垫圈 5-200HV Washer
1021402638 燃油油位传感器 Sensor
1029900390 金属安装夹具 Clip
1040300066 垫圈 8-200HV Washer
1040000098 螺栓 M8×16-8.8 Bolt
1020400344 发讯器 Sensor
1021402639 油温传感器 Sensor
1149900515 堵头 Plug

1040301020 垫圈 10-300HV Washer
1040001764 螺栓 M10×20-10.9 Bolt
003004277A0401030 插头安装座 Plate
1020703835 压力变送器 Sensor

1040300066 垫圈 8-200HV Washer
1040000098 螺栓 M8×16-8.8 Bolt
1040301022 垫圈 12-300HV Washer
003011077A0401030 过渡接头 Fitting
003004277A0470000 发动机接地电缆 Cable
003004277A0460000 预热电缆 Cable
003004277A0480000 启动电机接地电缆 Cable
003004277A0450000 启动电缆 Cable
003004277A0440000 充电电缆 Cable
1040000069 螺栓 M12×25-8.8 Bolt
1990200693 涂塑胶条 Clip
003004277A0550000 发电机接地电缆 Cable

1040000098 螺栓 M8×16-8.8 Bolt
1040300066 垫圈 8-200HV Washer
1990200669 涂塑胶条 Clip
1990200693 涂塑胶条 Clip
1990300261 涂塑胶条 Clip
1990300262 涂塑胶条 Clip
1990300260 涂塑胶条 Clip
1990200692 涂塑胶条 Clip
1029900390 金属安装夹具 Clip
1040301022 垫圈 12-300HV Bolt
1040000721 螺栓 M12×25-10.9 Washer
003004277A0490000 负极电缆 Cable
003004277A0500000 负极搭铁电缆 Cable
003001077A0460000 蓄电池正极电缆 Cable
003004277A0401020 接插件固定座 Holder
003004277A0401010 接插件固定座 Holder
003001377A0410000 转台线束 Frame Harness
003004277A0450000 启动电缆 Cable
003004277A0460000 预热电缆 Cable
003004277A0440000 充电电缆 Cable
003004277A0550000 发电机搭铁电缆 Cable
003004277A0480000 启动电机接地电缆 Cable
003004277A0470000 发动机接地电缆 Cable
003001077A0550000 接地电缆 Cable
1990200688 扎带 Tie
1020706019 摄像头线束 Video Signal Cable
1020703408 十二芯接插件 Connector
1020703409 十二芯接插件 Connector
1020703406 十二芯接插件 Connector
1020703407 十二芯接插件 Connector
1020700959 接插件(六插) Connector
1020700440 接插件 Connector
1020702733 接插件 Connector
1020700957 接插件(六插) Connector
1020700942 接插件(四插) Connector
1020700951 接插件(两插) Connector
1020703264 片形插座 Connector
1029904311 胶帽 Connector
1020304576 二极管封装 Diode
1020701511 圆形端子 Terminale
1020702892 两芯插接件 Connector
1020702136 二芯插接件 Connector
1020700949 接插件(两插) Connector
1029904404 直式附件 Connector
1020703403 9芯接插件 Connector
1029904403 直式附件 Connector
1029904405 20芯接插件 Connector
1020700951 接插件(两插) Connector
1020700955 接插件(四插) Connector
1020702852 接插件(六插) Connector
1020701518 二芯插接件 Connector
1020700949 接插件(两插) Connector
1020520312 94针插接件 Connector
1020701504 圆形端子 Terminale
1020700951 二极管封装 Diode
1020304576 接插件 Connector
1020700540 接插件 Connector
1020700109 一芯插接件 Connector
1020702893 接插件 Connector
1020701511 圆形端子 Terminale
1020404284 工作灯 24V Lamp
1029902774 螺栓 M10×10 Bolt
1029902776 橡胶垫圈 10 Washer
1029902777 垫片 Washer
1029902775 螺母 M10 Nut
1020519870 H3灯泡 Bulb
003004277A0610000 动臂灯架 Lamp Bracket
1040300066 垫圈 8-200HV Washer
1040300063 垫圈 8 Spring Washer
1040000267 螺栓 M8×20-8.8 Bolt
003004277A0620000 动臂线束 Boom Harness
1990300260 涂塑胶条 Clip
1040000098 螺栓 M8×16-8.8 Bolt
1040300066 垫圈 8-200HV Washer
1029900390 金属安装夹具 Clip
1020700951 接插件(两插) Connector
1020700955 接插件(四插) Connector
1040000288 螺栓 M8×25-8.8 Bolt
1040300063 垫圈 8 Spring Washer
1040300748 垫圈 8 Washer
003011077A0401080 堵头 Plug
003011777A0810000 摄像头安装总成 Camera Mounting Ass’y
003011077A0471010 摄像头安装支架 Support
1040300051 垫圈 6-200HV Washer
1040300062 垫圈 6 Spring Washer
1040000109 螺栓 M6×16-8.8 Bolt
1029906341 摄像头 Camera
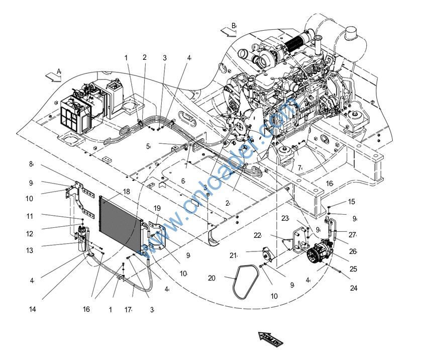
Air-Condition System 003004632A0000000

1990200677 连胶条 20-φ22-
φ22-M8 Clip
1990300190 连胶条 20-φ24-
φ28-M8 Clip
1040000288 螺栓 M8×25-8.8 Bolt
1040300066 垫圈 8-200HV Washer
1990200680 连胶条 20-φ17-M8 Clip
1139900919 液体管 Hose
1990300262 连胶条 20-φ30- M8TS Clip
003004232A0400000 冷凝器支架 Bracket
1040301020 垫圈 10-300HV Washer
1040000549 螺栓 M10×25-10.9 Bolt
1040200111 螺母 M6-8 Nut
1040300051 垫圈 6-200HV Washer
1130100299 储液罐 Liquid Reservoir
1990200679 扎带 ZD300×8 Tie
1040200178 螺母 M10-10 Nut
1040000098 螺栓 M8×16-8.8 Bolt
1000300684 液体管 Hose
1130100925 冷凝器 Condenser
003004232A0600000 冷凝器支架 Bracket
1130100296 皮带 A-47 13×1170 Belt
1130100297 涨紧轮 Tension Pulley
003004232A0200000 支座 Bracket
1040000574 螺栓 M10×30-10.9 Bolt
003001032A0001010 螺栓 M8×90 Bolt
1130100692 压缩机 Compressor
1000300683 高压管 Hose
1139900917 低压管 Hose


1040100070 螺钉 M5×20-4.8 Screw
1040300060 垫圈 5 Spring Washer
1040300048 垫圈 5-200HV Washer
1130100302 控制面板总成 Panel
1990200674 卡箍 φ11~φ20 Clamp
1040200192 螺母 M8-8 Nut
1040300066 垫圈 8-200HV Washer
1040200111 螺母 M6-8 Nut
1040300051 垫圈 6-200HV Washer
1130100307 排水管 Hose
1200300048 蒸发器总成 Evaporator
1040301031 垫圈 12-300HV Washer
1040000575 螺栓 M12×35-10.9 Bolt
1990200668 卡箍φ40~φ60 Clamp
003001032A0001040 接头 Fitting
1081001517 O形圈 φ11.8×2.4 O-ring
003001032A0600000 直角接头 Fitting
003001032A0001060 接头 Fitting
1060100140 球阀 Ball valve
003001032A0001070 接头 Fitting
1001410252 胶管 Hose
1990200678 连胶条 20-φ22-M8 Clip
1040000288 螺栓 M8×25-8.8 Bolt
1040000098 螺栓 M8×16-8.8 Bolt
1140211273 胶管 Hose
003004232A0001010 接头 Fitting

1139800219 暖风水箱 Water Tank
1130100439 阀体总成 Valve Body Ass’y
1019801998 蒸发器芯体总成 Evaporator Core Ass’y
1019801999 膨胀阀 Expansion Valve
1130100426 芯总成 Core Ass’y
1019802006 新风过滤器 Air Filter
1019802007 回风过滤网 Returned Air Filter
1020604747 调速电阻 Speed Resistor
1019802005 继电器 Relay
003004277A1210000 空调线束 Harness
1019802004 进风驱动器 Air Inlet Driver
1019802001 温度传感器 Temperature Sensor
1019802003 热水箱驱动器 Water Tank Driver
1130100443 风扇及马达总成 Fan&Motor Ass’y
1130100447 底部除霜马达 Defrosting Motor
1130100446 调节风门马达 Damper Motor