
1010001981 主泵 Maim Pump
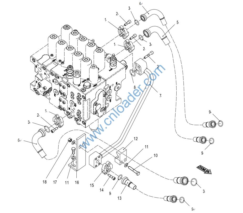
1040000490 螺栓 M12×30-10.9 Bolt
1040301020 垫圈 10-300HV Washer
1140113724 接头 Fitting
1140114775 接头 Fitting
003001323A0200000 吸油管 Suction Pipe
1081001389 O型圈 94.4×3.1 O-Ring
1040000143 螺栓 M16×40-10.9 Bolt
1040301016 垫圈 16-300HV Washer
1140103739 接头 Fitting
1140111040 过滤接头 Fitting
1140248117 胶管总成 O-Ring
1140103754 接头 Hose
1140238371 胶管总成 O-Ring
003006023A0401010 胶管 Hose
1990200683 T型卡箍 Fitting
1140103708 接头 O-Ring
1081001512 O型圈 φ10.8×2.4 Screw
003011023A0001010 过渡接头 Fitting
1140103711 对开法兰夹 Flange Clamp
1040100850 螺钉 M10×30-10.9 Screw
1140252622 胶管总成 Hose
1140252685 胶管总成 Hose
1140251855 胶管总成 Hose
1140225740 胶管总成 Hose
1140251706 胶管总成 Hose
1140103712 接头 Fitting
1140246684 胶管总成 Hose
1140103768 对开法兰夹 Flange Clamp
1040100852 螺钉 M12×35-10.9 Screw
1140103707 接头 Fitting
1081002835 O形圈 φ37.7×3.5 O-Ring
1081004189 O形圈 φ26×2 O-Ring
1081001898 O形圈 φ20×2 O-Ring
1081002481 O形圈 φ22.1×3.5 O-Ring
1081004250 O形圈 φ37.69×3.53 O-Ring
1081001589 O形圈 φ32.92×3.53 O-Ring
1081001512 O形圈 φ10.8×2.4 O-Ring
1081001716 O形圈 φ6.5×1.5 O-Ring
1081006270 O形圈 φ23.7×3.5 O-Ring
1081001899 O形圈 φ26.5×3 O-Ring
Main Lines 003011524B0000000

1010306183 主阀 Main Control Valve
1140103711 对开法兰夹 Flange Clamp
1040100850 螺钉 M10×30-10.9 Screw
1081001588 O形圈 φ24.99×3.53 O-Ring
1140251186 胶管总成 Hose
1140250616 胶管总成 Hose
1040000143 螺栓 M16×40-10.9 Bolt
1040300600 垫圈 16-35~45HRC Washer
003011524A0200000 主阀支架 Bracket
1040300599 垫圈 12-35~45HRC Washer
1040100852 螺栓 M12×35-10.9 Bolt
003011524A0400000 硬管 Pipe
003011524A0600000 硬管 Pipe
003011524A0001010 板 Plate
003011524A0001040 管夹 Clamp
1040002599 螺栓 M12×55-10.9 Bolt
1140251487 胶管总成 Hose
1140251486 胶管总成 Hose
1081001589 φ32.92×3.53 O-Ring
1040100851 螺钉 M10×35-10.9 Screw
1140103750 对开法兰夹 Flange Clamp

1140103711 对开法兰夹 Flange Clamp
1040100850 螺钉 M10×30-10.9 Screw
1081001588 O形圈 φ24.99×3.53 O-Ring
1140250286 胶管总成 Hose
1140251284 胶管总成 Hose
1140251253 胶管总成 Hose
003011524A0800000 硬管 Pipe
1081006436 O形圈 φ35.7×3.5 O-Ring
1081001588 O形圈 φ24.99×3.53 O-Ring
1040002244 螺栓 M12×70-10.9 Bolt
1040300599 垫圈 12-35~45HRC Washer
003010061A0201020 管夹 Clamp
1140250293 胶管总成 Hose
1040100851 螺钉 M10×35-10.9 Screw
1140103750 对开法兰夹 Flange Clamp
003011524A0001020 板 Plate
1040000490 螺栓 M12×30-10.9 Bolt
1040200325 螺母 M12-10 Nut

1081001717 O形圈 φ22.1×3.5 O-Ring
1140104634 接头 M26-G3/4 Fitting
1081001728 O形圈 φ15×2.0 O-Ring
1140250620 胶管总成 Hose
1140105441 堵头 Plug
1081001998 O形圈 φ28.7×3.5 O-Ring
1140103727 接头 M30-G1 Fitting
1081004617 O形圈 φ20.0×2.0 O-Ring
1140105643 接头 M30-M30 Fitting
1140236274 胶管总成 Hose
1140105871 接头 M26-M26-M26 Fitting
1140250418 胶管总成 Hose
1140110003 接头 M26-G3/8 Fitting
1081001508 O形圈 φ13.8×2.4 O-Ring
1140114775 接头 M30-G3/4 Fitting
003001024A0601010 接头 M24-M26 Fitting
1081001514 O形圈 φ21.7×3.5 O-Ring
1010100960 回转马达及减速机 “Swing Motor and Reducer”
1040002517 螺栓 M20×70-10.9 Bolt
003001024A0801020 垫圈 20 Washer
003011024A0001020 销 Pin
1140103724 接头 M14-R1/4 Fitting
1081001512 O形圈 φ10.8×2.4 O-Ring
1140251118 胶管总成 Hose
1140103713 接头 M14-M14 Fitting
1080000219 油杯 R1/8-1(直通) Grease Cup
1140103725 接头 M16-R1/2 Fitting
1040001408 螺栓 M8×16-10.9 Bolt
1990200696 连胶条 Clip
1140237151 胶管总成 Hose
1081001728 O形圈 φ8×1.5 O-Ring
1019900328 堵头 M16 Plug
1140114779 接头 M30-G3/4 Fitting
1081001722 O形圈 φ16.3×2.4 O-Ring
1140252694 胶管总成 Hose
1140114780 接头 M30-G3/4 Fitting
1140252693 胶管总成 Hose
1140103711 对开法兰夹 Flange Clamp
1040100850 螺钉 M10×30-10.9 Screw
1081001588 O形圈 φ24.99×3.53 O-Ring
1081001518 O形圈 φ284×6 O-Ring
1081006270 O形圈 φ23.7×3.5 O-Ring

1011200095 回转接头 Swing Joint
1140103750 对开法兰夹 Flange Clamp
1040100850 螺钉 M10×30-10.9 Screw
1081001588 O形圈 φ24.99×3.53 O-Ring
1140251270 胶管总成 Hose
1140251271 胶管总成 Hose
1140251269 胶管总成 Hose
1140251268 胶管总成 Hose
1040201484 螺母 M20-10 Nut
1040001063 螺栓 M20×90-10.9 Bolt
003011024A0001030 支架 Holder
1040100852 螺栓 M12×35-10.9 Bolt
1040300599 垫圈 12-35~45HRC Washer
1140103711 对开法兰夹 Flange Clamp
1081001589 φ32.92×3.53 O-Ring

3 1019807901 中位切断阀芯总成 Spool Ass’y 2
4 1019807902 斗杆阀芯 2 总成 Arm Spool Ass’y 1
5 1019807905 备用阀芯总成 Optional Spool Ass’y 1
6 1019807906 动臂阀芯 2 总成 Boom Spool Ass’y 1
7 1019807907 回转阀芯总成 Swing Pool Ass’y 1
8 1019807908 行走阀芯总成 Travelling Spool Ass’y 2
9 1019807809 斗杆阀芯 1 总成 Arm Spool Ass’y 1
10 1019807931 铲斗阀芯总成 Bucket Spool Ass’y 1
11 1019807911 动臂阀芯 1 总成 Boom Spool Ass’y 1
12 1019807912 直线行走阀芯总成 Straight Travel Spool Ass’y 1
14 1019807914 端盖 Cover 9
15 1019807915 端盖 Cover 2
21 1010306278 端口安全阀 Port Relief Valve 8
22 1010306279 先导阀 Pilot Valve 2
26 1010306280 斗杆再生切断阀 Arm Regeneration 1
27 1010306281 负流量溢流阀 Negative Relief Valve 2
28 1040004694 螺塞 Plug 11
29 1019807926 锥阀芯 Poppet 8
30 1119900074 弹簧 Spring 10
31 1040004695 螺塞 Plug 2
32
1019807927
锥阀芯
Poppet
2
33 1119900075 弹簧 Spring 2
34
1040004696
螺塞
Plug
2
35
1019807928
锥阀芯
Poppet
2
36
1119900076
弹簧
Spring
2
44 1019807922 锥阀芯组件 Poppet Ass’y 1
1119800206 弹簧座 Spring Retainer
1119900073 弹簧 Spring
1040100685 内六角螺钉
M10×55-10.9 Screw
1040004691 螺塞 Plug
1040004692 螺塞 Plug
1019806571 螺堵 Plug
1040004698 螺塞 Plug
1040100122 内六角螺钉 M8×25- 8.8 Screw
1081004631 O 形圈 φ49.4×3.1 O-Ring
1081006266 O 形圈 φ38.5×2.0 O-Ring
1040100114 内六角螺钉 M6×35- 8.8 Screw
1040004699 螺堵 Plug
1081001392 O 形圈 φ19.8×2.4 O-Ring
1081001897 O 形圈 φ23.7×3.5 O-Ring
1081002964 O 形圈 φ7.8×1.9 O-Ring
1081001508 O 形圈 φ13.8×2.4 O-Ring
1019807935 节流堵 Orifice

1019807901 中位切断阀芯总成 Spool Ass’y
1019807913 回转优先阀芯总成 Swing priority Spool Ass’y
1019807915 端盖 Cover
1019807917 端盖 Cover
1019807918 端盖 Cover
1019807919 端盖 Cover
1010306278 端口安全阀 Port Relief Valve
1019807924 盖板 Cover
1019807925 活塞 Piston
1040004693 螺塞 Plug
1010306281 负流量溢流阀 Negative Relief Valve
1040004694 螺塞 Plug
1019807926 锥阀芯 Poppet
1119900074 弹簧 Spring
1019807929 锥阀芯 Poppet
1040004697 螺塞 Plug
1081001448 O 形圈 φ9.8×1.9 O-Ring
1019807930 钢球 Ball
1019807920 锥阀芯 Poppet
1119900072 弹簧 Spring
1019807921
先导组件
Pilot Ass’y
1119800206 弹簧座 Spring Retainer
1119900073
弹簧
Spring
1040100685 内六角螺钉
M10×55-10.9
Screw
1019807923
锥阀芯组件
Poppet Ass’y
1019806571 螺堵 Plug
1019807932 端盖 Cover
1040100122 内六角螺钉 M8×25- 8.8 Screw
1019807933 矩形圈 Square-Ring
1081006266 O 形圈 φ38.5×2.0 O-Ring
1040100308 内六角螺钉
M14×155-10.9 Screw
1040100562 内六角螺钉
M12×25-10.9 Screw
1019806628 O 形圈 φ29.4×3.1 O-Ring
1040004699 螺堵 Plug
1081001897 O 形圈 φ23.7×3.5 O-Ring
1019806572 螺堵 Plug
1040101435 内六角螺钉
M10×20-10.9 Screw
1081001523 O 形圈 φ31.7×3.5 O-Ring
1040004700 螺堵 NPTF1/8 Plug

1081002836
1019806628
1081002835