CONTENTS 目 录
SWE150E TRACK HYDRAULIC EXCAVATOR SWE150E 履带式液压挖掘机(863600000000).1
A.UNDER CARRIAGE A.下车部分
UNDER-CARRIAGE ASSEMBLY 下车总成(877240000000) 2
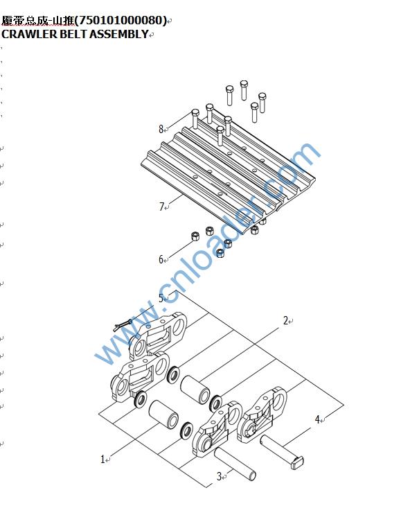
CRAWLER BELT ASSEMBLY 履带总成(山推)(750101000080) 4
CAB WORKING TABLE MOUNTING 8 CAB WORKING TABLE MOUNTING 9 SW-IV-EXCAVATOR CAB 1
SW-IV-EXCAVATOR CAB 2
SW-IV-EXCAVATOR CAB 3
SW-IV-EXCAVATOR CAB 4
SW-IV-EXCAVATOR CAB 5
司机工作台安装八 (837210020000) 20
司机工作台安装九 (837210020000) 21
SW-IV 驾驶室(854300000000) 22
SW-IV 驾驶室(854300000000) 23
SW-IV 驾驶室(854300000000) 24
SW-IV 驾驶室(854300000000) 25
SW-IV 驾驶室(854300000000) 26
TENSION DEVICE 1
TENSION DEVICE 2
SWE150 涨紧装置-无锡河山(750106000032).5 SWE150 涨紧装置-玉林川迪(750106000032) .6
SW-IV-EXCAVATOR CAB 6
SW-IV 驾驶室(854300000000) 27
B.UPPER CARRIAGE B.上车部分
UPPERCARRIAGE ASSEMBLY 上车总成(860710000000) 7
FUEL TANK ASSEMBLY 燃油箱安装(860714000000) 8
HYDRAULIC OIL TANK ASSEMBLY 液压油箱安装(827515000000) 9
MAIN VALVE ASSEMBLY 主阀安装(827510020000) 10
SEAL BOARD ASSEMBLY 封板安装(827510040000) 11
COUNTER WEIGHT 配重安装(827510050000) 12
C.CAB C.司机室部分
D.COVER PARTS D.覆盖件部分
COVER PARTS ASSEMBLY 上车覆盖件安装(856121000000) 28
COVER PARTS ASSEMBLY 上车覆盖件安装(863621010000) 29
E.POWER SYSTEM E.动力系统
POWER DEVICE ASSEMBLE 动力总成(863612000000) 30
COOLING SYSTEM ASSEMBLY 冷却总成安装(863612020000). 31
ENGINE ASSEMBLY 发动机安装(863612010000) 32
COMPRESSOR ASSEMBLY 压缩机安装(863512010100) 33
HYDRAULIC PUMP ASSEMBLY 液压泵安装(863512030000) 34
CAB WORKING TABLE MOUNTING 1 CAB WORKING TABLE MOUNTING 2
CAB WORKING TABLE MOUNTING 3
CAB WORKING TABLE MOUNTING 4 CAB WORKING TABLE MOUNTING 5 CAB WORKING TABLE MOUNTING 6 CAB WORKING TABLE MOUNTING 7
司机工作台安装一(837210020000) 13
司 机 工 作 台 安 装 二 – 右 扶 手 箱 总 成 (837210020000) 14
司 机 工 作 台 安 装 三 – 左 扶 手 箱 总 成 (837210020000) 15
司机工作台安装四 (837210020000) 16
司机工作台安装五 (837210020000) 17
司机工作台安装六-通用版(837210020000).18司 机 工 作 台 安 装 七 – 带 选 配 辅 助 管 路 (837210020000) . 19
OIL PIPE ASSEMBLY 油路安装(863612040000) 35
F.WORKING DEVICE F.工作装置部分
BOOM ASSEMBLY 动臂安装(827551000001) 36
ARM ASSEMBLY 斗杆安装(827554000000) 37
BUCKET ASSEMBLY 铲斗总成(827550000000) 38
G.HYDRAULIC SYSTEM—PARTS G.液压系统—元件
MAIN PUMP——BODY 主泵-本体(730201000108) 39
MAIN PUMP——CONTROL ORGAN ASSY. 主 泵 – 控 制 机 构 – 前 后 泵 相 同
(730201000108) 41 TRAVEL CONTROL VALVE CONNECTOR 行走操纵阀接头安装(827510091400) 77
MAIN PUMP——LEADING PUMP 主泵-先导泵(730201000108) 43 MAIN PIPELINE 主油路(860796100000) 78
MAIN PUMP-ELECTROMAGNETISM 主泵-比例阀块(730201000108) PILOT PIPELINE 先导油路(860796100000) 79
PROPORTIONAL VALVE . 44 OIL PIPELINE OF CENTRAL SLEWING 转油路(860796100000) 80
SWING MOTOR——HYDRAULIC MOTOR 转马达-液压马达(730250000098) 45 OIL PILPLINE OF TRAVEL MECHANISM 行走油路(860796100000) 81
SWING MOTOR——REDUCTOR 转马达-减速机(730250000098) 47 ARM OPERATION 斗杆操纵(860796100000) 82
PEDAL REMOTE CONTROL VALVE 行走先导阀(730309000122) 48 BOOM OPERATION 动臂操纵(860796100000) 83
LH REMOTE CONTROL VALVE 左手操纵阀(730309000135) 50 BUCKET OPERATION 铲斗操纵(860796100000) 84
REMOTE CONTROL VALVE 右手操纵阀(730309000136) 51 BOOM STEEL PIPE INSTALLATION 动臂钢管安装(827518900001) 85
MAIN VALVE 主阀 (730302000129) 52 GREASE PIPELINE ASSEMBLY 黄油管路安装(863596300000) 86
BOOM CYLINDER 动臂油缸 SH15-DBⅠ(730001001051) 58
RIGHT BOOM CYLINDER ASSEMBLY 右动臂油缸总成(860796810200) 59 H.ELECTRICAL SYSTEM H.电气系统
LEFT BOOM CYLINDER ASSEMBLY 左动臂油缸总成(860796810100) 60 RIGHT ELECTRIAL ASSEMBLE OF CABIN 驾驶室电气总成(827597200001) 87
ARM CYLINDER 斗杆油缸 SH15-DG(Ⅱ)(730001001052) 61 ELECTRIAL PARTS OF CABIN ROOF 驾驶室电气总成(827597200001) 88
ARM CYLINDER ASSEMBLY 斗杆油缸总成 (860796820000) 62 ELECTRIAL PARTS ASSEMBLY IN CABIN 驾驶室工作台电器总成(827597400000) …89
BUCKET CYLINDER 铲斗油缸 SH15-CD(Ⅱ)(730001001063) 63 PLATFORM
BUCKET CYLINDER ASSEMBLY 铲斗油缸总成(730001000455) 64 ACCUMULATOR INSTALLATION 蓄电池安装(827597100001) 90
CONTROL VALVE CONNECTOR 1 多路阀接头安装(一)(827510092000) 65 RELAY GROUP INSTALLATION 继电器组安装(827597000000) 91
CONTROL VALVE CONNECTOR 2 多路阀接头安装(二)(827510092000) 66 HORN INSTALLATION 喇叭安装(827597100001) 92
CENTER SWIVEL JOINT ASSEMBLE 中央 转接头安装(827510091500) 67 SERVO-ACTUATOR, FLAMEOUT MOTOR 控制器安装板电气总成(863597300000) …93
SWING MOTOR CONNECTOR(EATON) 转马达接头安装(EATON)(827510092400).68 INSTALLATION
COLLECTING BLOCK CONNECTOR 集流块接头安装(827510091100) 69 PLATFORM BALE OF WIRE 平台线束安装(827597100001) 94
LOW-PRESSURE VALVE 低压阀电磁阀(730305000085) 70
JOINT OF PILOT FILTER 先导过滤器接头安装(827510091200) 71 I. ACCESSORY LIST I.随机清单
HYDRAULIC PUMP CONNECTOR 液压泵接头安装(827510092200) 72 ATTACHMENT LIST 随机附件清单(837298000000) 95
TRAVEL MOTOR CONNECTOR 行走马达接头安装(827510091300) 73 TOOL LIST 工具清单(818899000000) 95
LEFT PILOT JOYSTICK CONNECTOR 先导左手柄接头安装(827510091800) 74
RIGHT PILOT JOYSTICK CONNECTOR 先导右手柄接头安装(827510091900) 75
HYDRAULIC TANK CONNECTOR 油箱接头安装(827510091600) 76

827555000000 5 BUCKET ASSEMBLY 铲斗总成(900mm 0.56m3)
827554000000 10 ARM ASSEMBLY 斗杆总成
827551000001 S2 BOOM ASSEMBLY 动臂总成
836309000000 1 CABIN ASSEMBLY SW-Ⅳ型驾驶室(自制)
863610000000 S2 UPPERCARRIAGE ASSEMBLY 上车总成
860796000000 S1 HYDRAULIC SYSTEM SWE150B液压系统
863697000000 4 ELECTRIC ASSEMBLY SWE150B电气系统
877240000000 S5 UNDERCARRIAGE ASSEMBLY 下车总成

750101000080 1 TRACK ASSEMBLY 履带总成171GF-46360
701103016042 1 BOLT 螺栓M16X50-10.9-DKL GB/T 5782
750104000022 1 DRIVING WHEEL 驱动轮870-0100001
730250000195 1 TRAVEL MOTOR 行走马达GM21VA-A-50/79-1
701104016037 1 BOLT 螺栓M16X55-10.9-DKL GB/T 5783
302490041542 S1 MOTOR COVER BOARD 马达盖板
701508012002 1 WASHER 垫圈12-DKL GB/T 1230
701103012059 1 BOLT 螺栓M12X25-10.9-DKL GB/T 5782
302010001260 1 BOTTOM COVER BOARD 底盖板
701508010001 1 WASHER 垫圈10-DKL GB/T 1230
701104010036 1 BOLT 螺栓M10X20-10.9-DKL GB5783
750102000047 1 TRACK ROLLER 支重轮870-010400
701103016044 1 BOLT 螺栓M16X90-10.9-DKL GB/T 5782
701508016002 1 WASHER 垫圈16-DKL GB/T 1230
877240100000 4 BOTTOM FRAME 行走架
701104016030 1 BOLT 螺栓M16X45-10.9-DKL GB/T 5783
827540010000 4 TRACK ORIENTED FRAME 链轨导向机构
750106000032 1 TENSIONER 涨紧装置870-0102200
750105000056 1 ORIENTED WHEEL 导向轮870-0102100
701171018002 1 BOLT 螺栓M18X100-10.9-DKL GB1228
701508018002 1 WASHER 垫圈18-DKL GB/T 1230
730102000335 1 JOINT 可调向直角接头WEE06LMEDOMDA3C
320010005594 S2 JOINT 回转支承黄油管
730101000069 1 JOINT 端直通GE06LMEDOMDA3C
703101010001 1 PIPE 油杯M10X1(钢制) JB/T 7940.1进口
307990000157 2 VALVE 注油块
750550000051 1 SWING BEARING 回转支承QND1103*28-00
304020001471 1 PIN 定位销
701103016051 1 BOLT 螺栓M16X65-10.9-DKL GB/T 5782
739802000031 1 CENTER SLEWING JOINT 中央回转接头6ZWⅡ19CIF
701104012023 1 BOLT 螺栓M12X35-10.9-DKL GB/T 5783
305060000418 2 JACKET 护套
701406020001 1 NUT 螺母M20-10-DKL GB/T 6170
750103000049 1 CARRIER ROLLLER 托链轮YWSH01711200
701103020064 1 BOLT 螺栓M20X130-10.9-DKL GB/T 5782
701508020002 1 WASHER 垫圈20-DKL GB/T 1230
730603000182 1 O RING O形圈94.4X3.1(A70)
302490005707 1 BUTTER COVER BOARD 黄油盖板
701508008001 1 WASHER 垫圈8-DKL GB/T 1230
701104008028 1 BOLT 螺栓M8X25-8.8-DKL GB5783
730250000432 1 TREAD MOTOR 行走马达TM22VC(MBEB170)
304020004559 S1 PIN 定位销

750101010155 1 CATERPILLAR TRACK ASSEMBLY 链轨总成
750101010156 1 MAIN CATERPILLAR TRACK ASSEMBLY 主节链轨总成
750101010157 1 PIN ROLL 销轴
750101010158 1 MAIN PIN ROLL 主销轴
701703008004 1 COTTER PIN 开口销
750101010165 1 NUT 螺母
750101010159 1 CRAWLER PLATE 履带板
750101010164 1 BOLT 螺栓

750106010064 1 UNILATERALISM VALVE 单向阀
750106010067

827510070000 1 FUEL PUMP 燃油泵安装
837210020000 8 CAB WORKING TABLE MOUNTING 司机工作台安装
860714000000 S1 FUEL OIL TANK ASSEMBLY 燃油箱安装
730250000447 1 SWING MOTOR
回转马达M2X63CHB-13A-67/255-2KAR6P72/210-RG06D19G1
860715000000 8 HYDRAULIC OIL TANK ASSEMBLY 液压油箱安装
863510020000 2 MAIN VALVE ASSEMBLY 主阀安装
863621000000 10 COVER PARTS ASSEMBLY 上车覆盖件安装
863612000000 2 POWER DEVICE ASSEMBLE 动力总成(欧3A)
827510050000 3 COUNTERBALANCE ASSEMBLE 配重安装
863510040000 S1 SEAL BOARD ASSEMBLY 封板安装
701171020008 1 BOLT 螺栓M20X110-10.9 GB1228
701406020001 1 NUT 螺母M20-10-DKL GB/T 6170
863510010000 S2 PLATFORM STRUCTURE 平台焊接
305060306001 1 JACKET 护套 20 L=1000
307080000082 2 JACKET 护套2
863517000000 2 A/C SYSTEM ASSEMBLY 空调系统安装
701103016051 1 BOLT 螺栓M16X65-10.9-DKL GB/T 5782
701508016002 1 WASHER 垫圈16-DKL GB/T 1230
304020001472 1 PIN 定位销

750906000203 1 OIL TANK FILTER NET 油箱锁盖
750906000202 1 FUEL BOX BODY 油箱滤网
860714100000 S1 FLANGE 燃油箱焊接
305020800021 A2 BOLT 法兰
701104010032 1 WASHER 螺栓M10X25-8.8-DKL GB/T 5783
701508010001 1 BOLT 垫圈10-DKL GB1230
701104016023 1 WASHER 螺栓M16X35-10.9-DKL GB/T 5783
701508016002 1 WASHER 垫圈16-DKL GB1230
302010002088 A1 WASHER 调整垫片1mm
302010002089 A1 O RING 调整垫片2mm
703201180001 1 WASHER O形密封圈180X3.55 GB3452.1
827514200000 A2 SENSOR OF LIQUID LEVEL 法兰盖
720212000132 1 PLUG 液位传感器SH-700
304010300003 A1 WASHER 油箱堵头M18X1.5
703202018001 1 BAR CLASP 组合垫圈18 JB982
751011000006 1 WIRE-STEEL DIESEL PIPE 卡箍D11-19 179904/SX9 8-16 W2
730501001140 1 STEEL WIRE DIESEL OIL PIPE 钢丝柴油管D10X1000

701104008031 1 BOLT 螺栓M8X20-8.8-DKL GB/T 5783
701508008001 1 WASHER 垫圈8-DKL GB/T 1230
730401000168 1 OIL RETURN FILTER 内藏式回油过滤器HNL-400-10Q2
703201145001 1 O RING O形密封圈145X5.3 GB/T 3452.1
860715100000 S1 HYDRAULIC OIL TANK BODY 液压油箱焊接
740401000011 1 LIQUID LEVEL METER 液位计YW220-4
701104006017 1 BOLT 螺栓M6X16-8.8-DKL GB/T 5783
701504006002 1 WASHER 垫圈6-DKL GB/T 97.1
739899000525 1 PRESS-TYPE AIR FILTER 空气呼吸器AB0210CA006A
827515300000 A1 WASHER 法兰盖
703201017501 1 O RING O形密封圈175X3.55 GB3452.1
730403000169 1 OIL SUNCKING CORE 吸油滤芯EF-061G
703201075001 1 O RING O形圈75X3.55 GB/T 3452.1
827515200000 A5 OIL SUCKING STEEL PIPE 吸油钢管
701104010032 1 BOLT 螺栓M10X25-8.8-DKL GB/T 5783
701508010001 1 WASHER 垫圈10-DKL GB1230
701104016023 1 BOLT 螺栓M16X35-10.9-DKL GB/T 5783
701508016002 1 WASHER 垫圈16-DKL GB1230
302010002088 A1 WASHER 调整垫片1mm
302010002089 A1 WASHER 调整垫片2mm
730309000068 1 DRAIN SWITCH 排水开关2186-9001

701104014018 1 BOLT 螺栓M14X30-10.9-DKL GB5783
701504014002 1 WASHER 垫圈14-DKL GB97.1
701510014003 1 WASHER 垫圈14-DKL GB/T 93
730302000129 1 CONTROL VALVE 多路阀KVMM-160-XA CO175-32000
863510020100 S1 MOUNTING SUPPORTER 主阀安装支架焊接
701104016027 1 BOLT 螺栓M16X35-8.8-DKL GB5783
701510016003 1 WASHER 垫圈16-DKL GB93

302540012404 1 SEAL PLATE 1 封板1
302540007075 1 SEAL PLATE 2 封板2
302030008512 1 SEAL PLATE 6 封板6
302540012405 1 SEAL BOARD 9 封板9
302030027323 1 SEAL PLATE 7 封板7
302030008553 1 SOUNDPROOFING PLASTIC 1 隔音塑料1
302030005479 1 SOUNDPROOF SPONGE 7 隔音棉7
302030005478 1 SOUNDPROOF SPONGE6 隔音棉6
302030009854 2 SOUNDPROOF SPONGE 8 隔音棉8
302490005904 2 WASHER 密封垫
302490005905 1 SEAL PLATE 封板
302030005477 2 SOUNDPROOF SPONGE 5 隔音棉5
302030005476 2 SOUNDPROOF SPONGE 4 隔音棉4
302030005475 2 SOUNDPROOF SPONGE 3 隔音棉3
302540012406 2 SEAL PLATE 5 封板5
701104010036 3 BOLT 螺栓M10X20-10.9-DKL GB/T 5783
701508010001 1 WASHER 垫圈10-DKL GB/T 1230
302490005882 1 SEAL PLATE 4 封板4
302540003473 2 SEAL PLATE 3 封板3
701104008027 2 BOLT 螺栓M8X20-10.9-DKL GB/T 5783
701508008001 1 WASHER 垫圈8-DKL GB/T 1230
302030011022 1 SOUNDPROOF SPONGE 9 隔音棉9