上车总成(865310000001)

865311000001 S4 PLATFORM STRUCTURE 平台结构件 1
703101010001 1 OIL CUP 油杯M10X1(钢制) JB/T 7940.1进口 3
308010102004 A1 CONNECTOR BODY 接头体 3
729808000166 1 PLY-YARN DRILL
线卡13510 线孔40 固定孔11 厚度0.8 4
730399000692 1 PILOT OIL SOURCE BLOCK 先导油源块811300161 1
865210100001 S4 CONTROL BOARD ASSEMBLY 操纵台安装 1
865310300000 S2 OIL BOX 油盒 1
701104008031 1 BOLT 螺栓M8X20-8.8-DKL GB/T 5783 6
701508008001 1 WASHER 垫圈8-DKL GB/T 1230 6
865314000001 S2 FUEL TANK ASSEMBLY 燃油箱总成 1
865312000000 S1 POWER PLANT ASSEMBLY 动力装置总成 1
865310100202 S1 LEFT FITTING FRAME SUPPORT 左覆盖件安装板焊接 1
865317000001 S3 ROTARY SUPPORT OIL FOLLIN 08B-3回转支承注油管总成 1
865217000002 S3 OIL FOLLING PIPE ASSEMBLY 10U回转马达注油胶管总成 1
730250000081 1 ROTARY MOTOR 回转马达2-160DOS-E3822 + AD0 1
865321070000 S2 FOOT BOARD 脚踏底板组件 1
865310100201 S1 SUPPORTING PLATE 右覆盖件安装板焊接 1
701104012025 1 BOLT 螺栓M12X30-10.9-DKL GB/T 5783 4
701508012002 1 WASHER 垫圈12-DKL GB/T 1230 4
865310050001 S4 SUPPORTING PLATE 油箱电瓶安装架焊接 1
302490001371 A2 SNAP-GAUGE 中央回转接头卡板 1
701104010033 1 BOLT 螺栓M10X25-10.9-DKL GB/T 5783 2
701508010001 1 WASHER 垫圈10-DKL GB/T 1230 2
865318000001 S1 STORAGE BATTERT ASSEMBLY 电瓶安装 1
307090000884 S1 PILOT BLOCK 先导集流块 1
701302006040 1 SCREW 螺钉M6X60-8.8-DKL GB/T 70.1 2
865315000001 S3 HYDRAULIC OIL TANK 液压油箱总成 1
333010000141 S2 BALANCE WEIGHT 配重 1
701302016088 1 SCREW 螺钉M16X65-10.9-DKL GB/T 70.1 2
302010005618 S2 MOUNTING PAD 配重安装垫 2
302490027918 S3 BOTTOM SEALING PLATE 2 底封板2 1
302490027714 S2 BOTTOM SEALING PLATE 底封板 1
307090000885 S2 BACK TO THE OIL 回油块 1
701302008084 1 SCREW 螺钉M8X50-10.9-DKL GB/T 70.1 2
320990001276 S2 HOSE BRACKET 胶管托架 1
701416010001 1 NUT 螺母M10X1-8 GB6171 2
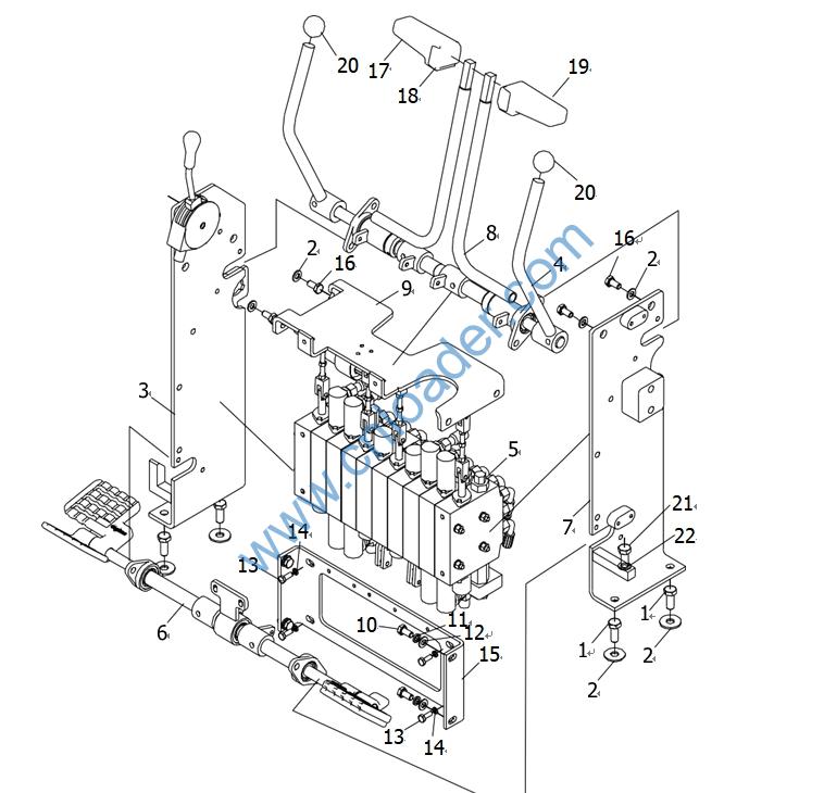
操纵台安装(865210100001)

701104010032 1 BOLT 螺栓M10X25-8.8-DKL GB/T 5783 4
701502010003 1 WASHER 垫圈10-DKL GB/T 96.2 8
865210101001 S4 LEFT FITTING FRAME 左安装架 1
865210102000 S4 UPPER SHAFT ASSY 上轴安装 1
730302000386 1 MULTIPLE UNIT VALVE 多路阀60170071LR 1
865210103001 S2 UNDER SHAFT ASSY 下轴安装 1
865210104001 S3 RIGHT FITTING FRAME 右安装架 1
750007000100 1 WATERPROOF RUBBER SLEEVE 行走手柄防水橡胶套SWE10U 1
865210105000 S4 UP FITTING FRAME 上安装架 1
701104008026 1 BOLT 螺栓M8X16-8.8-DKL GB/T 5783 16
701504008005 1 WASHER 垫圈8-DKL GB/T 97.1 16
701510008003 1 WASHER 垫圈8-DKL GB/T 93 16
701104006017 1 BOLT 螺栓M6X16-8.8-DKL GB/T 5783 9
701510006003 1 WASHER 垫圈6-DKL GB/T 93 9
865210106001 S1 MULTIPLE UNIT VALVE FITTING 多路阀安装支架 1
701104010031 1 BOLT 螺栓M10X20-8.8-DKL GB/T 5783 4
750099000008 1 HAND SHANK 手柄 2132-1134B(L) 1
701302005029 1 SCREW 螺钉M5X12-8.8-DKL GB/T 70.1 2
750099000007 1 HAND SHANK 手柄 2132-1133(R) 1
865210102001 S1 RUBBER HANDLE 操纵杆橡胶手柄 2
701302006035 1 SCREW 螺钉M6X40-8.8-DKL GB/T 70.1 2
701406006003 1 NUT 螺母M6-DKL GB/T 6170 2
上轴安装(865210102000)

865210102010 S4 HAND SHANK 底盘伸缩手柄
302490003038 A1 DUST COVER 防尘盖
701104008031 1 BOLT 螺栓M8X20-8.8-DKL GB/T 5783
701510008003 1 WASHER 垫圈8-DKL GB/T 93
701504008005 1 WASHER 垫圈8-DKL GB/T 97.1
330010002002 A1 BEARING SEAT 轴承座
865210102060 S4 DRIVE RETAINER 左行走传动套
703101006001 1 OIL CUP 油杯M6 JB/T 7940.1
305070400023 A1 GASKET 垫片
305060000299 A1 SHAFT SHOULDER 轴肩
701705008001 1 PIN 销8X30 GB879-2000
815210101020 A1 DRIVE RETAINER 推土传动套
865210102020 S5 BEARING MOUNTING RACKET 轴承安装支架
702004015002 1 BEARING 轴承11202 GB/T281-94
701704005001 1 SHAFT 销轴5X21 GB882-86
701703001601 1 COTTER PIN 开口销1.6X15 GB91-86
701303006001 1 SCREW 螺钉M6X8 GB/T 71
865210102070 S4 DRIVE RETAINER 右行走传动套
865210102040 S4 HAND SHANK 推土铲手柄
815210101050 A1 CONNECTING ROD 连杆
304030000379 S2 RIGHT UPPER SHAFT 右上轴
304030000380 S2 LEFT UPPER SHAFT 左上轴
下轴安装(865210103001)

302560001966 S1 FOOT(DOWN) 脚踏板下
302560001967 S1 RIGHT FOOT(UP) 右脚踏板上
320980003127 S1 STOP COLLAR 限位套
302490003038 A1 DUST COVER 防尘盖
330010002002 A1 BEARING SEAT 轴承座
702004015002 1 BEARING 轴承11202 GB/T281-94
304030000426 S3 LOWER LEFT SHAFT 左下轴
701703001601 1 COTTER PIN 开口销1.6X15 GB91-86
701704005001 1 SHAFT 销轴5X21 GB882-86
302030002580 A1 CONNECTION PLATE 连接板
865210103060 S1 DRIVE RETAINER 偏转轴传动套
865210103050 S1 BEARING INSTALLATION 轴承安装套
865210103070 S1 DRIVE RETAINER 破碎轴传动套
304030000427 S3 THE LOWER RIGHT SHAFT 右下轴
701104008031 1 BOLT 螺栓M8X20-8.8-DKL GB/T 5783
701510008003 1 WASHER 垫圈8-DKL GB/T 93
701504008005 1 WASHER 垫圈8-DKL GB/T 97.1
302560001968 S1 LEFT FOOT(UP) 左脚踏板上
302490036068 S1 FLAT KEY 普通平键C型 5×30 GB/T1095-2003
701705008001 1 PIN 8X30 GB879-2000 销8X30 GB879-2000
燃油箱总成(865314000001)

865314100001 S3 FUEL TANK SREUCTURE 燃油箱结构件
701302006017 1 SCREW 螺钉M6X15-8.8-DKL GB/T 70.1
701510006003 1 WASHER 垫圈6-DKL GB/T 93
701501006002 1 WASHER 垫圈6-DKL GB/T 95
703201053001 1 O-RING O形密封圈53X2.65 GB3452.1
730603000034 1 O-RING O形圈78.97X3.53 2-235 N552-90
701104008036 1 BOLT 螺栓M8X18-8.8-DKL GB/T 5783
701504008005 1 WASHER 垫圈8-DKL GB/T 97.1
305020001032 S2 BLIND FLANGE 清洗口法兰盖
750906000241 1 FUEL TANK LOCK 燃油箱盖
865214102000 S4 FUEL OIL FILLER 燃油加油口
739806000004 1 PLUG 堵头VSTI18X1.5EDA3C
701104010036 1 BOLT 螺栓M10X20-10.9-DKL GB/T 5783
701508010001 1 WASHER 垫圈10-DKL GB/T 1230
739899000011 1 HOLLOW BOLT 空心螺栓M14X1.5
703202014002 1 BONDED WASHER 组合垫圈14 JB982
动力装置总成(865312000000)

865312010000 S3 ENGINE ASSEMBLY 发动机安装
865212020000 S2 MAIN PUMP ASSEMBLY 主泵安装
865312030000 S3 FUEL PIPE LINE ASSEMBLY 燃油管路安装
865312040000 S2 COOLING SYSTEM ASSEMBLY 冷却总成

865312100000 S2 CABLE ACCELERATOR UNIT 油门拉线安装
701104008031 1 BOLT 螺栓M8X20-8.8-DKL GB/T 5783
730402000047 1 AIR FILTER 空滤器119540-12510
302490027697 S4 AIR FILTER BRACKET 空滤器支架
320020000821 S4 ENGINE INTAKE-TUBE 发动机进气管
751008000215 1 CLAMPING BAND 重型软管卡箍55-59 W2
302540017432 S2 ENGINE LIFTING BRACKET 发动机起吊支架
750201000264 1 ENGINE
发动机2TNV70-PSU(20140610新协议)
701104008027 1 BOLT 螺栓M8X20-10.9-DKL GB/T 5783
701508008001 1 WASHER 垫圈8-DKL GB/T 1230
750602000227 1 SHOCK ABSORBER 减震器416-2202-1.1
750602000228 1 SHOCK ABSORBER 减震器416-2202-1.2
750205000148 1 SILENCER SWE10UB消声器
710990990002 1 STAINLESS STEEL CABLE TIE 不锈钢扎带C133
865312010100 S4 THE ENGINE LEFT BACK LEG 发动机左后支脚
302010004627 S1 ROUND GASKET 圆垫片
865212010300 S3 THE ENGINE RIGHT BACK LEG 发动机右后支脚
701104008043 1 BOLT 螺栓M8X12-8.8 DKL GB/T 5783
701103012006 1 BOLT 螺栓M12X80-8.8 GB5782
302030028237 S1 HEAT INSULATION FOAM 消音器铝箔端面隔热绵
302490027704 S2 HEAT INSULATION FOAM 消音器铝箔隔热绵
701104010033 1 BOLT 螺栓M10X25-10.9-DKL GB/T 5783
701508010001 1 WASHER 垫圈10-DKL GB/T 1230
865212010200 S2 THE ENGINE LEFT FRONT LEG 发动机左前支脚
865212010100 S2 THE ENGINE RIGHT FRONT LEG 发动机右后支脚
302010004965 S1 HEAT INSULATION FOAM 消音器上端面隔热海绵
302040001579 S3 MOUNTING PLATE 燃油滤清器安装板
308010000958 S1 THE ENGINE AFTER 发动机油底壳接头

302040002486 S1 SUPPORT WELDING 油门拉线安装支架
750202000091 1 CABLE ACCELERATOR SWE10U油门拉线
701703252001 1 PIN 销2.5X20 GB91
701104005011 1 BOLT 螺栓M5X10-8.8-DKL GB/T 5783
333020000002 A1 MOUNTING 固定件

730202000270 1 SANLIAN GEARP PUMP 三联齿轮泵DTG05A444F2H7-R536D
701302010047 1 SCREW 螺钉M10X30-10.9-DKL GB/T 70.1
701508010001 1 WASHER 垫圈10-DKL GB/T 1230
750310000095 1 COUPLING
联轴器MONOLASTIC 28 65SHA 08010309
701104010036 1 BOLT 螺栓M10X20-10.9-DKL GB/T 5783
302010004637 S3 LAND 连接盘
701104010034 1 BOLT 螺栓M10X30-10.9-DKL GB/T 5783

730599000703 1 OIL INLET 进油管D8X500 扣一头
751008000258 1 THE HOSE CLAMP 软管卡箍16-27 W2
701104006020 1 BOLT 螺栓M6X20-8.8-DKL GB/T 5783
701504006002 1 WASHER 垫圈6-DKL GB/T 97.1
750005000097 1 DIESEL OIL PIPE 柴油管D8X500
730599000704 1 OIL RETURN PIPE 回油管D8X800 扣一头
730599000128 1 DIESEL OIL PIPE 柴油管D8X450
320980004652 S1 PIPE 直管
701103008031 1 BOLT 螺栓M8X80-8.8-DKL GB5782

750203000241 1 RADIATOR ASSY 复合散热器4842.076.0000V1
320040000316 S2 WET RETURN 回水管
751008000259 1 THE HOSE CLAMP 软管卡箍25-40 W2
320040000317 S2 WATER INLET 进水管
865312040100 S2 RADIATOR SPONGE ASSY 散热器海绵总成
750203010022 1 EXPANSION TANK 副水箱F-XD007
701104006018 1 BOLT 螺栓M6X10-8.8-DKL GB/T 5783
701104008031 1 BOLT 螺栓M8X20-8.8-DKL GB/T 5783
701508008001 1 WASHER 垫圈8-DKL GB/T 1230
302030041030 A1 SPONGE 导风罩密封海绵
865312040200 A1 AIR GUIDE COVER 导风罩焊接
865312040300 A1 PROTECTION COVER 防护罩
302030041031 A1 CR RUBBER TILE CR橡胶板