
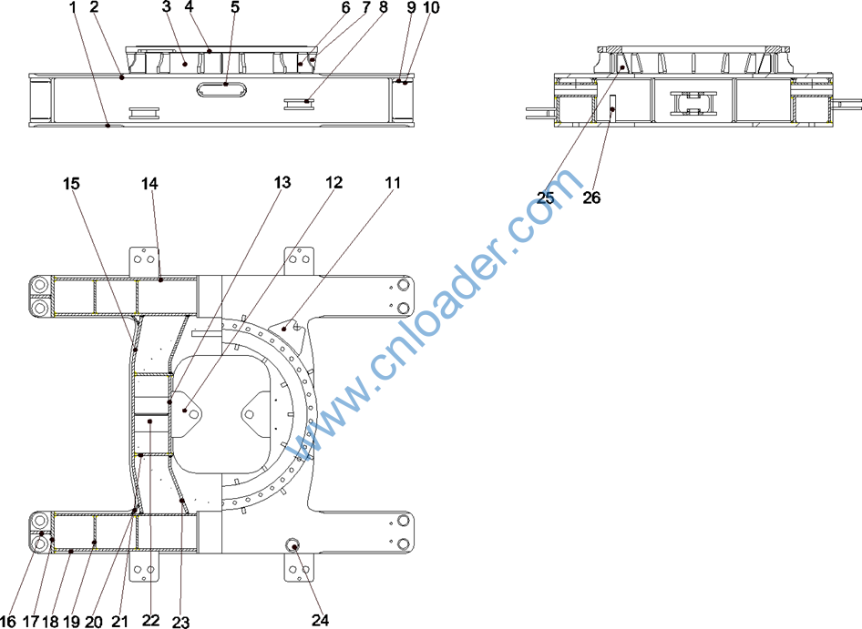
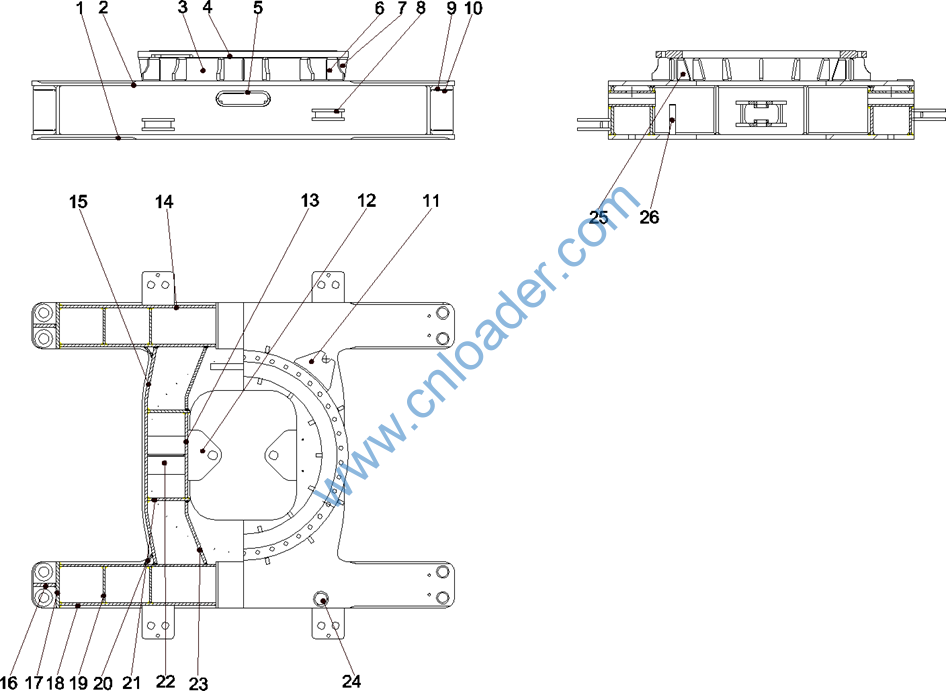
11901151 板
11901160 板
11622424 颈板组件
11436139 板
21022722 环筒
11622421 板
11627637 板
11366538 联接板支座
21022703 垫板1
11371813 薄垫板
11118009 止动块
11118019 油缸架
11436142 板
11436143 板
11436144 板
11436145 板
11436133 板
11436134 板
11436135 板
11436136 板
11436137 板
11436150 板
11447455 板
21026679 安装板
11622422 内筋板
11436151 底座液压件焊接图

11264973 板
A210111000089 螺栓
A210405000007 垫圈
11560689 板
11560690 板
A210109000033 螺栓M24×50GB5783
A210401000008 垫圈24GB93
A210405000009 垫圈24GB97.1
A210405000011 垫圈
A210111000011 螺栓M10×20GB5783
11561083 板
11561084 板
11561085 板
11561086 板
11560691 板
A210406000014 垫圈
A210401000006 垫圈
A210111000061 螺栓
11644348 主平台焊接
A221500000220 关节轴承
A210416000008 挡圈
A210307000038 螺母M27GB6170

A311142707516 螺栓M27×80GB5783 10.9级

11446046 左平台焊接
11149650 板
A210404000005 垫圈
A210111000089 螺栓
A210401000017 垫圈
11433032 板
11238467 板
A210405000045 垫圈
A210111000323 螺栓
10961446 立柱
A210204000132 螺钉
10961502 盖板
10062271 上胶防滑布
11714588 板

11446067 后部架
11446060 油散连接板
21001328 垫圈
A210111000026 螺栓
A210307000036 螺母
A210401000001 垫圈
11446061 油散连接板
11165945 安装座
A210111000203 螺栓
A210401000002 垫圈
A210307000031 螺母
11082032 支架
11165946 安装座
A210307000029 螺母
A210401000006 垫圈
11446052 前部架
11236522 垫板
A210110000233 螺栓
A210406000014 垫圈
21001334 垫圈
A210111000202 螺栓
11149650 板
11149467 板
10101016 底板A
10099621 平台踏板
A210404000005 垫圈
A210111000089 螺栓
A210401000017 垫圈
11826600 板

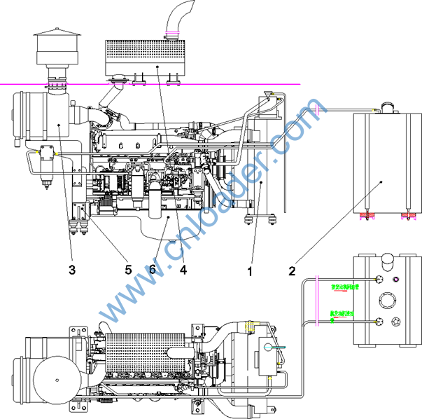
12078995 冷却系统
11146742 燃油系统
11146746 进气系统
11146755 排气系统
11146763 发动机安装
60116562 发动机 DHP10G0030 199kW 国Ⅲ 潍

A210855000011 喉箍
11327204 板
60047135 风扇700/8-8/S4ZL/45/PAG/125/-/B
A210111000095 螺栓
A210307000012 螺母
A210405000007 垫圈
12078922 外封板
21033065 胶管Q100.20(a).1-4
21053361 软管环箍
21033062 胶管Q100.20(a).1-1
21053360 软管环箍
21033063 胶管Q100.20(a).1-2
A210111000026 螺栓
A210405000011 垫圈
A210401000001 垫圈
A210307000017 螺母
A210111000024 螺栓
11146740 板
11146741 卡箍
11146739 管
12920237 胶管
12078899 内封板
A210111000089 螺栓
A210401000017 垫圈
21033064 胶管Q100.20(a).1-3
21031420 散热器
12920236 胶管
12920234 胶管
A229900003104 T型抱箍
12078892 上封板
11160063 管
12920235 胶管
A210110000323 螺栓M12×90GB5782 10.9级

A229900007109 燃油箱总成Q200t-1101010C
21022360 橡胶垫
A210307000001 螺母
A210405000001 垫圈
11146743 胶管
21053360 软管环箍
11146744 胶管
11146745 胶管
A210110000218 螺栓M10×80GB5782
A210307000017 螺母
A210405000011 垫圈
A210401000001 垫圈

A222100000469 空气滤清器
A222100000470 空气预滤器
21005351 螺栓M8×45GB5783
A210307000012 螺母
A210405000007 垫圈
12255810 支架
12255902 罩壳
21039327 管
A229900006719 T型抱箍φ149.6-φ158.6
12805246 胶管
A229900002683 T型抱箍
12805245 胶管
A210855000052 T型抱箍
A229900003895 T型抱箍
12805244 胶管
11146750 空滤器支架
A210307000017 螺母
A210401000001 垫圈
A210111000197 螺栓
A210405000011 垫圈

B222100000643 空气滤清器主滤芯EP310/p
B222100000644 空气滤清器安全滤芯ES310/p

11146759 连接管
11146756 接口垫
11146762 膨涨管
21033088 接口垫Q100.20(a).4-2
11146758 端盖
11146757 接口垫
21005186 螺栓
A210405000011 垫圈
A210307000017 螺母
10078533 胶垫Q100C.20(a).4-2
A210111000028 螺栓
60001251 消声器 A
60037768 排气尾管Q70.20.4.3
12257436 罩壳

60037766 减震器417-2203-4A
21050508 螺栓
A210307000040 螺母
A210405000003 垫圈
60037767 减震器417-2203-5A
11146773 支架
11146764 支架
11146775 支架
11146768 支架
A210401000002 垫圈