第1章 SY125CAI3LH液压挖掘机主体…………………………………………………………………………1-1
SSY100000253 SY125CAI3LH液压挖掘机主体………………………………………………………………………1-2第2章 回转装置…………………………………………………………………………………………………………….2-1
回转装置…………………………………………………………………………………………………………………………..2-2
液压主管路……………………………………………………………………………………………………………………….2-6
60359570 减速机总成………………………………………………………………………………………………………2-22
61029171 回转马达总成…………………………………………………………………………………………………..2-24
61029170 齿轮减速机总成……………………………………………………………………………………………….2-28
SMV005621965 13吨电控阀总成………………………………………………………………………………………..2-30
150106010028A 复合泵组…………………………………………………………………………………………………2-40
150106010028A001 控制阀部件………………………………………………………………………………………..2-44
14015919 液压油箱总成…………………………………………………………………………………………………..2-46
60237031 呼吸阀……………………………………………………………………………………………………………..2-48
动力系统…………………………………………………………………………………………………………………………2-50
进排气系统……………………………………………………………………………………………………………………..2-52
61019512 空气滤清器………………………………………………………………………………………………………2-56
燃油与润滑系统………………………………………………………………………………………………………………2-58
SSY006015147 燃油箱总成……………………………………………………………………………………………….2-62
60018583 燃油泵总成………………………………………………………………………………………………………2-64
60307172 油水分离器………………………………………………………………………………………………………2-66
B222100000560 机油滤清器……………………………………………………………………………………………..2-68
60250940 燃油主滤………………………………………………………………………………………………………….2-70
减振与传动系统………………………………………………………………………………………………………………2-72
冷却系统…………………………………………………………………………………………………………………………2-74
60259235 膨胀水箱………………………………………………………………………………………………………….2-76
160801010128A 散热器…………………………………………………………………………………………………….2-78
SSY005665053 驾驶室总成……………………………………………………………………………………………….2-80
SSY005118113 行走操纵机构……………………………………………………………………………………………2-82
SSY005603270 座椅及操纵箱……………………………………………………………………………………………2-84
130904000047A 扶手箱…………………………………………………………………………………………………….2-86
130903000042B 驾驶座椅…………………………………………………………………………………………………2-88
130904000024A 扶手箱…………………………………………………………………………………………………….2-90
SSY005665027 底板架………………………………………………………………………………………………………2-92
130901000327A 驾驶室总成……………………………………………………………………………………………..2-94
130988000421A001 内饰件总成………………………………………………………………………………………2-108
60351888 雨刮器装配系统……………………………………………………………………………………………..2-110
130901000327A038 车门总成………………………………………………………………………………………….2-112
A222200000147 车门锁…………………………………………………………………………………………………..2-114
60351886 前移窗总成…………………………………………………………………………………………………….2-116
60166748 后视镜总成 …………………………………………………………………………………………………….2-118
SSY005581657 覆盖件总装 ……………………………………………………………………………………………..2-120
SSY005839947 扶手 ………………………………………………………………………………………………………..2-126
SSY005581660 左门总成 …………………………………………………………………………………………………2-128
14082117 右门总成 ………………………………………………………………………………………………………..2-130
13996737 工具箱总成 …………………………………………………………………………………………………….2-132
SSY005199989 蓄电池保护罩 ………………………………………………………………………………………….2-134
13531517 机顶罩总成 …………………………………………………………………………………………………….2-136
先导管路 ……………………………………………………………………………………………………………………….2-138
电磁阀管路 ……………………………………………………………………………………………………………………2-140
152300000139B 六联电磁阀组 ………………………………………………………………………………………..2-144
主阀管路 ……………………………………………………………………………………………………………………….2-146
150505020015A 先导阀 …………………………………………………………………………………………………..2-152
主泵管路 ……………………………………………………………………………………………………………………….2-158
B229900000063 高压过滤器 ……………………………………………………………………………………………2-160
配重总成 ……………………………………………………………………………………………………………………….2-162
空调系统 ……………………………………………………………………………………………………………………….2-164
60168171 蒸发器 ……………………………………………………………………………………………………………2-170
底封板总成 ……………………………………………………………………………………………………………………2-172
第3章 行走装置…………………………………………………………………………………………………………….3-1
行走装置 …………………………………………………………………………………………………………………………..3-2
下车液压管路 ……………………………………………………………………………………………………………………3-4
60248611 回转接头 ………………………………………………………………………………………………………….3-10
60134171 减速机总成 ………………………………………………………………………………………………………3-12
60231619 液压马达总成 …………………………………………………………………………………………………..3-14
60231580 齿轮减速机总成 ……………………………………………………………………………………………….3-16
回转支承总成 ………………………………………………………………………………………………………………….3-18
10835684 回转支承 ………………………………………………………………………………………………………….3-20
131903020002B 张紧装置 …………………………………………………………………………………………………3-22
11688905 履带总成 ………………………………………………………………………………………………………….3-24
第4章 工作装置总成 ……………………………………………………………………………………………………4-1
工作装置总成 ……………………………………………………………………………………………………………………4-2
工作装置管路 ……………………………………………………………………………………………………………………4-8
11691020 斗杆油缸 ………………………………………………………………………………………………………….4-12
11691717 右动臂油缸 ………………………………………………………………………………………………………4-14
150902030088A 铲斗油缸 …………………………………………………………………………………………………4-16
11689935 左动臂油缸 ………………………………………………………………………………………………………4-20
SSY004726160 连杆总成 …………………………………………………………………………………………………..4-22
13508384 铲斗 …………………………………………………………………………………………………………………4-24
SSY004835007 锁紧组件 …………………………………………………………………………………………………..4-26
第5章 涂装…………………………………………………………………………………………………………………….5-1
涂装 ………………………………………………………………………………………………………………………………….5-2
第6章 SY125CAI3LH电气系统……………………………………………………………………………………..6-1
SY125CAI3LH电气系统……………………………………………………………………………………………………….6-2
SY125CAI3LH车身电气分装………………………………………………………………………………………………..6-4
SY125CAI3LH驾驶室电气分装…………………………………………………………………………………………..6-10
SY125CAI3LH液压挖掘机主体

1 液压主管路 1 2-6
2 动力系统 1 2-50
3 SSY005665053 驾驶室总成 1 2-80
4 SSY005581657 覆盖件总装 1 2-120
5 先导管路 1 2-138
6 配重总成 1 2-162
7 空调系统 1 2-164
8 底封板总成 1 2-172
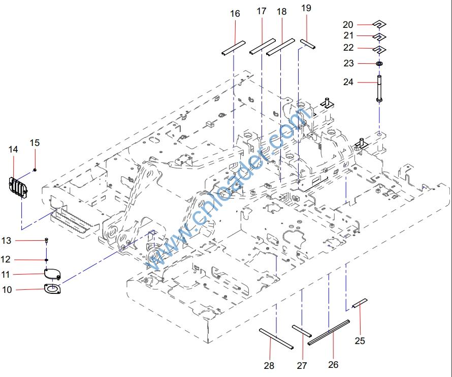
9 SSY005565554 回转平台 1

10 A820606030364 密封垫 1
11 A820101117871 盖 1
12 A210491000121 垫圈 4
13 A210111000202 螺栓 4
14 13550355 平台灯罩 1
15 A210307000031 螺母 2
16 13185990 橡胶护套 1
17 12738050 护套 1
18 13185989 橡胶护套 2
19 11133774 护套 4
20 11664456 调整垫片 4
21 11664457 调整垫片 4
22 A820101327187 垫片 2
23 A210444000004 垫圈 4
24 A210110000448 螺栓 4
25 13688163 护套 1
26 11225694 护套 1
27 11225692 护套 1
28 11225691 护套 1

1 A820606020616 吸油胶管 1
10 SSY005278778 回油钢管 1
11 A210204000232 螺钉 4
12 A210204000337 螺钉 10
14 A210204000336 螺钉 8
17 60205581 单向阀 1
21 B230103002256 胶管 1
30 B230101000090 O形圈 3
42 13424603 吸油钢管 1
44 24000512 弹簧垫圈 64
46 A820205002280 端直通接头GEOLG1/2-LM30 1
54 150106010028A 复合泵组 1 2-40
55 60249819 螺钉 4
56 A210204000198 螺钉 5
61 14015919 液压油箱总成 1 2-46
64 60237031 呼吸阀 1 2-48
65 24000632 垫圈 4
67 10225831 回油钢管 1
73 A210855000052 T型抱箍 4
78 B230101000038 O形圈 1
85 21002826 端直通接头 3
86 B230101000356 O形圈 20
87 14055455 托马斯电磁阀中转线束 2
93 B230103001005 胶管 1

13 60205580 单向阀 1
20 14016913 回油管组件 1
24 A820205002468 端直通接头GEOLG1-LM36 1
25 B210780000838 直角组合接头 1
29 A210110000014 螺栓 4
40 B230101000091 O形圈 1
41 SMV005621965 13吨电控阀总成 1 2-30
44 24000512 弹簧垫圈 64
49 B230101000050 O形圈 1
52 14276628 集油块 1
54 150106010028A 复合泵组 1 2-40
62 14276581 主阀架 1
68 B210780000007 对开法兰 4
71 151007260163A 胶管总成 1
72 A210204000215 螺钉 2
80 A210204000354 螺钉 60
85 21002826 端直通接头 3
86 B230101000356 O形圈 20
88 10514225 G3/4堵头 1
92 151007260162A 胶管总成 1

2 12753678 胶管 1
4 12329107 管接头 1
6 60359570 减速机总成 1 2-22
37 B230103000950 胶管 1
70 B210780000028 直角组合接头 1
74 60235642 胶管总成 1
85 21002826 端直通接头 3
86 B230101000356 O形圈 20

3 B230103008550 胶管 1
9 A210307000055 螺母 14
12 A210204000337 螺钉 10
23 13424503 回油钢管 1
27 13588668 支架 1
38 B230101000366 O形圈 4
41 SMV005621965 13吨电控阀总成 1 2-30
43 B210780000030 直角组合接头 1
48 B230103004777 胶管 1
53 24000513 弹簧垫圈 14
57 B230103005693 胶管 1
63 13424523 回油钢管 1
66 A229900004566 管夹 1
69 13588665 支架 1
76 13588671 钢管支架 1
89 A820301017374 U形螺栓 3

2 12753678 胶管 1
6 60359570 减速机总成 1 2-22
8 B230103007775 胶管 2
15 B230103001830 胶管 2
22 10467061 G1-M26接头 2
30 B230101000090 O形圈 3
44 24000512 弹簧垫圈 64
45 B210780001310 直角组合接头 4
49 B230101000050 O形圈 1
51 21002824 端直通接头 2
58 A820205000834 G1-M36接头 4
74 60235642 胶管总成 1
77 14277156 G1-M36(L65)接头 6
79 61011645 胶管总成 1
80 A210204000354 螺钉 60

16 B210780000696 对开法兰 24
26 14430453 动臂小腔钢管总成 1
32 A820101344841 管夹2 2
33 B230103005717 胶管 4
36 B230103006438 胶管 2
39 13137916 胶管 1
44 24000512 弹簧垫圈 64
47 14428498 动臂大腔钢管总成 1
49 B230101000050 O形圈 1
50 B230103003627 胶管总成 1
58 A820205000834 G1-M36接头 4
60 151007210176A 胶管总成 1
80 A210204000354 螺钉 60
83 A210204000358 螺钉 2
91 60266851 胶管 1

12 A210204000337 螺钉 10
34 24000514 弹簧垫圈 18
62 14276581 主阀架 1
84 A210111000106 螺栓 4

5 A210204000312 螺钉 9
6 60359570 减速机总成 1 2-22
7 10570332 回转机构定位销 1
18 11325808 管接头 1
19 A820205002283 Rc1/2-M18接头 1
28 B210780000418 直角组合接头 1
31 A820205000947 G3/8堵头 1
35 A820205002483 PT1/4-M14过渡接头 1
59 A820205000961 G3/8-M18接头 1
75 B210780000024 直角组合接头 2
81 21020054 胶管 1
82 60281981 胶管 1
90 A210804000002 油杯 1
94 B230101000049 O形圈 2

61029171 回转马达总成 1 2-24
2 61029170 齿轮减速机总成 1 2-28
3 130101010176B001 维修包 1
61029171 回转马达总成
(1/2)

21 61029342 O形圈 1
22 61029329 O形圈 1
23 61029266 马达壳体 1
25 10006936 螺堵 2
27 61029340 防摆阀芯 1
28 61029336 弹簧 2
29 61029347 活塞 2
30 61029331 集油块 1
31 61029328 内六角螺栓 8
32 61029365 O形圈 2
33 61029351 液位管 1
34 61029352 液位标 1
35 61029349 气孔塞 1
36 61029350 通气孔 1
37 61029363 螺堵 3
38 61029366 O形圈 1
39 61029330 支撑环 1
40 61029354 溢流阀组件 2
41 61029373 制动阀 1
42 24003172 螺栓 3
43 61031294 O形圈 1
44 61029345 内六角螺栓 2

61031293 油封 1
2 61029358 球轴承 1
3 61029276 驱动轴 1
4 61029359 定位销 1
5 61029273 斜盘 1
6 61029274 柱塞组件 9
7 61029271 回程盘 1
8 61029270 球铰 1
9 61029357 轴端挡圈 1
10 61029355 杆 5
11 61029272 缸体 1
12 61029265 挡圈 2
13 61029353 弹簧 1
14 61029356 卡簧 1
15 61029337 摩擦片隔片 4
16 61029348 摩擦片 3
17 61029338 制动活塞 1
18 61029339 制动弹簧 22
19 61029341 配流盘 1
20 61029343 定位销 2
61029170 齿轮减速机总成

61029160 驱动轴 1
2 61029176 盖板 1
3 29000936 滚动轴承 1
4 61029172 衬套 1
5 61029332 卡簧 1
6 61029262 内啮合齿轮架 1
7 61031292 油封 1
8 61029263 内啮合齿轮 1
9 B221500000138 滚动轴承 1
10 61029174 行星架 1
12 61029269 止推垫圈 6
13 61029173 行星齿轮 4
14 61029371 衬套 4
15 61029275 驱动齿轮 1
16 61029377 止推板 1
17 61029333 止推垫圈 1
18 61029268 止推垫圈 8
19 61029267 行星齿轮 3
20 61029335 滚针轴承 3
21 61029362 卡簧 2
22 61029277 太阳齿轮 1
23 12257274 螺堵 1
24 12257286 螺堵 2
25 61029380 销钉 7
26 61029360 内六角螺栓 1