
00663014200201050 吊钩
00663014200201060 挡板
00663014200201070 扭簧
1040500100 销轴 B12×90 GB/T882-1986
1040300041 垫圈 12-200HV GB/T97.1-2002
1040500068 销 4×26 GB/T91-2000
006340000040 轴端止动垫片
1040000114 螺栓 M10×25-8.8 GB/T5783-2000
006340000038 双孔轴端挡圈 70
00663014200201080 横梁
1050200041 滚动轴承 8313 GB/T301-1984
00663014200201040 吊钩螺母
1040200113 螺母 M10-8 GB/T6170-2000
1040300067 垫圈 10 GB/T93-1987
1040000189 螺栓 M10×120-8.8 GB/T5782-2000
006340000029 弹簧销(D30,32,35)
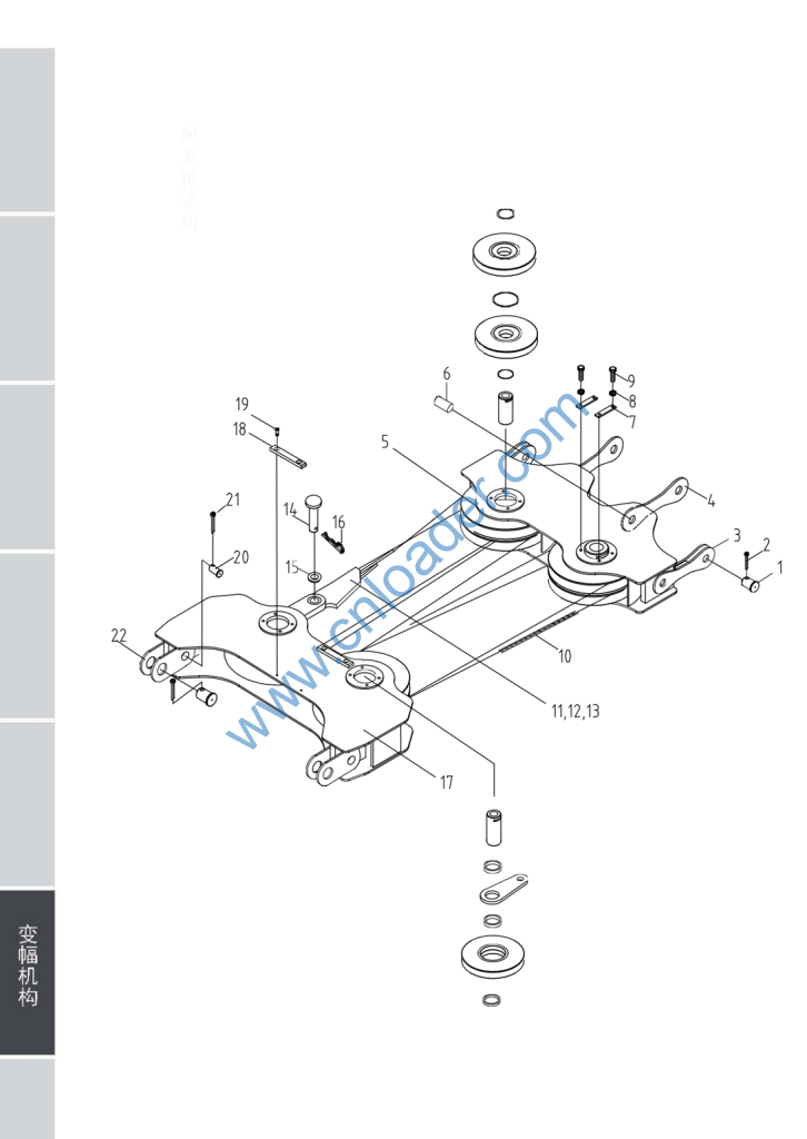
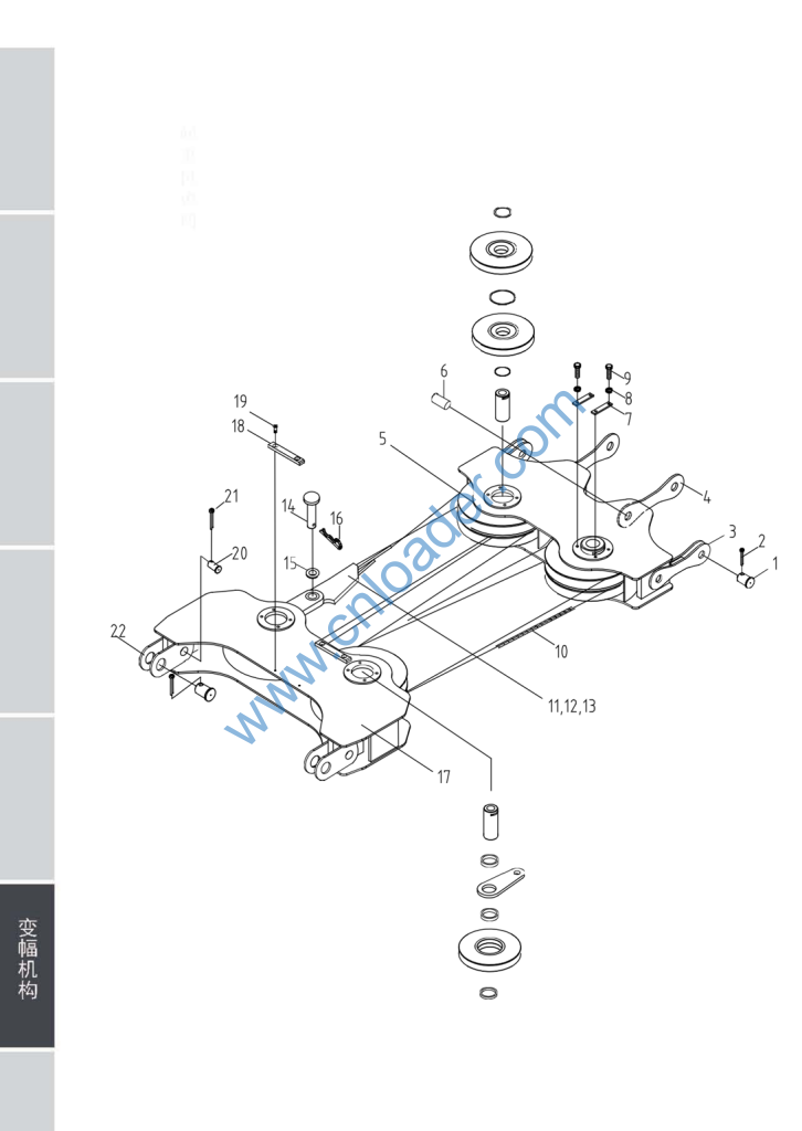
00663014200201011 滑轮轴
00663014200201020 挡圈
00663014200210001 侧板I
00663004100400000 滑轮总成
00663014200220001 侧板II
1040200238 螺母 M85×2 GB/T812-1988
1040300148 垫圈 85 GB/T858-1988
00663014200201030 挡杆
1080000001 油杯 M10×1 GB1152-1979
00663014200201090 套
00663014200201100 挡轴
204110014 锂基脂 ZL-2

1099800578 吊钩
1099800575 安全销
1040300938 垫圈
1099800571 安全板
1099800560 扭簧
1040501307 销
1050201017 推力轴承
1099800551 吊钩螺母
1040102199 螺钉
1040501305 圆柱销
1099800552 吊架
1099800553 配重
1040000050 螺栓
1099800554 吊环螺栓
1040300049 垫圈
1040201462 螺母

1040000101 螺栓 M12×40-8.8 GB/T5783-2000
1040300054 垫圈 12 GB/T93-1987
1040000556 螺栓 M20×55-8.8 GB/T5783-2000
1040300038 垫圈 20 GB/T93-1987
1010100003 柱塞马达 A2F80W2Z2
1030201689 变幅卷扬减速机 JQ36-50-25
00660312000200000 变幅卷扬支架
1040000230 螺栓 M24×50-8.8 GB/T5782-2000
1040300049 垫圈 24 GB/T93-1987
00663062000400000 维修管路包
00660312000400000 棘爪
00663303700001040 衬套
00663003700001020 销轴
1040500047 销 5×70 GB/T91-2000
1040200215 螺母 M30-8 GB/T6178-1986
1080000004 油杯 M10×1 GB1153-1979
00663307500000001 棘轮油缸
1040500109 销轴 B12×50 GB/T882-1986
1040500060 销 3.2×20 GB/T91-2000
204050019 工业闭式齿轮油
L-CKD220 GB5903-1995
202230016 乐泰胶 262
204110014 锂基脂 ZL-2

1040301205 孔用弹性挡圈
ZM107-3001 前盖
BABSL 50-70-10 骨架油封
21032(392 厂) 密封圈
ZM107-0002 调整垫片
1040300056 轴肩挡圈
ZM107-2112 弹簧座
ZM107-2113 碟形弹簧
1050000357 深沟球轴承
ZM107-0002 调整垫片
ZM107-2114 隔圈
1019803884 成对双联向心推力球轴承
ZM80-2111 主轴
ZB80-2005 中心杆
ZB80-2006 卡圈
ZB80-2007 调整垫片
ZB80-2008 弹簧座
ZB80-2009 碟形弹簧
ZB80-2200 柱塞部件
ZB80-2004 卡盘
LY14-M5×16 螺钉
ZM80-1001 壳体
ZM55-0006A 塑料盲盖
30432(392 厂) 矩形密封圈
ZM55-0006 螺堵
Q1-BP 产品标牌
1040400207 铆钉
ZB80-2300 转子部件
ZB80-4000 分油盘部件
21028(392 厂) 密封圈
ZM107-0003 定位销
ZM80-0001 后盖
1040100853 螺钉
ZM80-0005 塑料盲盖

00663307500200001 缸筒
00663307500001011 活塞杆
00663307500001020 导向套
1081000011 O 型密封圈 35×3.5 GB1235-1976
1081000035 O 型密封圈 20×2.4 GB1235-1976
006340000053 挡圈
00663307500001030 垫圈
1040300153 挡圈 32 GB/T894.1-1986
1081200061 防尘圈 20x28x6
00663307500001040 连接板
1040300067 垫圈 10 GB/T93-1987
1040200105 螺母 M10-04 GB/T6172.1-2000
00663307500001050 压簧

00663005400201022 销轴
00663604100001050 弹簧插销
00660402100001010 拉板
00660302101000000 十字节
00660522100200000 变幅滑轮组动支座
00663112100001020 轴
006340000003 挡板 50
1040000069 螺栓 M12×25-8.8 GB/T5783-2000
1040300054 垫圈 12 GB/T93-1987
00663002100001021 变幅钢丝绳
1090100001 钢丝绳夹 Y-20
1090100446 楔套 20 ZL-XT-20
1090100453 楔 20 ZL-X-20
00663000100001210 销轴
00663002100001140 垫圈
1040500224 销 6.3×63 GB/T91-2000
00660522100400000 变幅滑轮组定支座
00663012100001080 尼龙块
1040100080 螺钉 M8×16-4.8 GB/T819.1-2000
00663405400801020 销轴
1040500222 销 8×80 GB/T91-2000
00660402100600000 拉板

1040000065 螺栓 M16×45-8.8 GB/T5783-2000
1010100034 液压马达 A2FE63/6.1WVZL10
1030200565 回转减速机 JH36-101-19
1040000221 螺栓 M16×110-8.8 GB/T5783-2000
1040300065 垫圈 16 GB/T93-1987
202230025 1277 螺纹锁固密封胶 1277
00663014400001010 螺栓
1040300028 垫圈 18 GB/T93-1987
204050019 工业闭式齿轮油
L-CKD220 GB5903-1995
1140100592 接头 XA15-ML/WD
1140203711 胶管总成 H/H3-13×1W-1000(L15)-◎
1149900793 过渡接头
XVSCHK15-L XVSCHK15-L
1140100725 接头 XK15-L
1140102120 接头 EDKO15-L
00660400400200000 转台结构

P10300001425 输出齿轮
1039802389 轴承座
1039800661 磁性螺塞
1039800651 密封圈
1039800873 外六角螺栓
1039800878 弹垫
1039801863 内六角螺塞
1039802031 组合垫
1039802411 动片
1039802410 定片
1039802404 联接轴
1039802409 X型圈
1039801872 尼龙挡圈
1039802403 活塞
1039802405 O型圈
1039800660 通气塞
1019802752 出口型组合垫
1039801628 O型圈
1039800639 内六角螺钉
1039800641 弹垫
1039802406 输入法兰
1039800903 大弹簧
1039800904 小弹簧
1039802407 X型圈
1039802408 尼龙挡圈
1039802398 外六角螺栓
1039800640 弹垫
1039802402 调整垫圈
1039802401 限位垫圈
1039802396 O型圈
1039802394 O型圈
1039802390 油封
1039804708 回转减速机密封件

1031500021 回转支承 013.60.1600Z
1040000364 螺栓 M30x200-10.9 GB/T1229-1991
1040300178 垫圈 30 GB/T1230-1991
202230025 1277螺纹锁固密封胶 1277
00660400400200000 转台结构