
00663034100001010 直柄单钩
00663014100001070 挡板
00663014100001080 扭簧
1040500166 销轴 B12×95 GB/T882-1986
1040500075 销 4×20 GB/T91-2000
1040300041 垫圈 12-200HV GB/T97.1-2002
1040000114 螺栓 M10×25-8.8 GB/T5783-2000
6340000027 轴端止动垫片
6340000047 双孔轴端挡圈 100
00663034100001020 横梁
1050200075 滚动轴承 8324 GB301-1984
00663204200401050 吊钩螺母
1040000279 螺栓 M10×180-8.8 GB/T5782-2000
1040200113 螺母 M10-8 GB/T6170-2000
1040300067 垫圈 10 GB/T93-1987
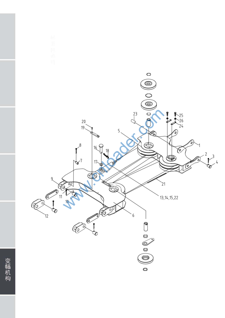
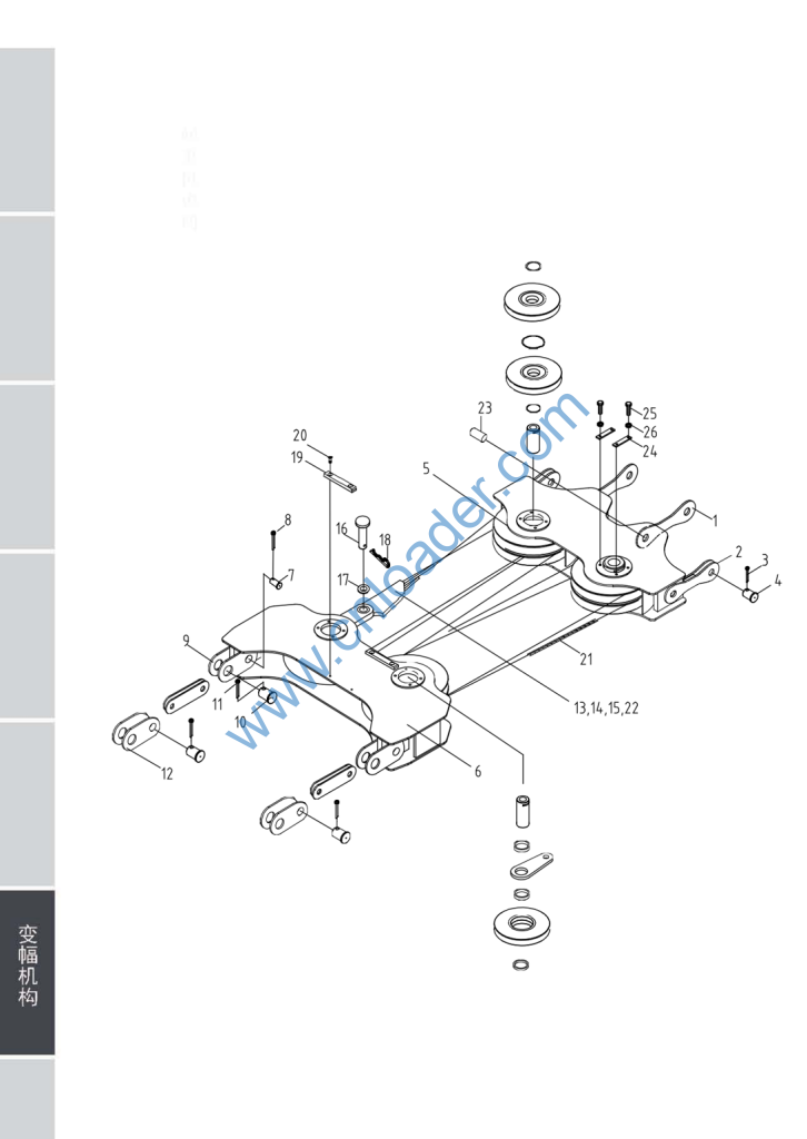
00663014100001011 挡杆
00663014100200000 侧板I
00663014100001031 滑轮轴
00663004100001040 隔套
00663004100400000 滑轮总成
1040200197 螺母 M30-8 GB/T6170-2000
1040300010 垫圈 30 GB/T93-1987
00663014100001050 杆
1040300148 垫圈 85 GB/T858-1988
1040200238 螺母 M85×2 GB/T812-1988
6340000029 弹簧销(D30,32,35)
1080000001 油杯 M10×1 GB1152-1979
204110014 锂基脂 ZL-2

1080000001 油杯 M10×1 GB1152-1979
00663004100410000 滑轮体
00663004100401010 防尘板
00663004100401020 挡圈
1050200130 滚动轴承 NJ1018E GB/T283-1994
1040100156 螺钉 M8×10-4.8 GB/T819.1-2000
00663004100401030 涨圈

00663004200001070 吊钩
00663004200001080 锁板
1040300041 垫圈 12-200HV GB/T97.1-2002
00663004200001091 销
1040500068 销 4×26 GB/T91-2000
00663004200001100 扭簧
00663004200001110 套环
00663004200001120 止动垫片
1040000134 螺栓 M16×25-8.8 GB/T5783-2000
00663004200001131 轴端挡板
00663004200001140 横梁
1050200043 滚动轴承 8320 GB301-1984
00663104200201020 吊钩螺母
1040100139 螺钉 M12×45-33H GB72-1988
00663004200200001 右侧板总成
00663004200001011 滑轮轴
00663004200001021 隔套
00663004100400000 滑轮总成
00663004200001030 隔套
1040200197 螺母 M30-8 GB/T6170-2000
1040300010 垫圈 30 GB/T93-1987
00663004200001041 杆
1040300148 垫圈 85 GB/T858-1988
1040200198 螺母 M80×2 GB/T812-1988
00663004200400001 左侧板总成
00663004200001051 挡杆
006340000029 弹簧销(D30,32,35)
204110014 锂基脂 ZL-2
1080000001 油杯 M10×1 GB1152-1979

00663014200201050 吊钩
00663014200201060 挡板
00663014200201070 扭簧
1040500100 销轴 B12×90 GB/T882-1986
1040300041 垫圈 12-200HV GB/T97.1-2002
1040500068 销 4×26 GB/T91-2000
006340000040 轴端止动垫片
1040000114 螺栓 M10×25-8.8 GB/T5783-2000
006340000038 双孔轴端挡圈 70
00663014200201080 横梁
1050200041 滚动轴承 8313 GB/T301-1984
00663014200201040 吊钩螺母
1040200113 螺母 M10-8 GB/T6170-2000
1040300067 垫圈 10 GB/T93-1987
1040000189 螺栓 M10×120-8.8 GB/T5782-2000
006340000029 弹簧销(D30,32,35)
00663014200201011 滑轮轴
00663014200201020 挡圈
00663014200210001 侧板I
00663004100400000 滑轮总成
00663014200220001 侧板II
1040200238 螺母 M85×2 GB/T812-1988
1040300148 垫圈 85 GB/T858-1988
00663014200201030 挡杆
1080000001 油杯 M10×1 GB1152-1979
00663014200201090 套
00663014200201100 挡轴
204110014 锂基脂 ZL-2

1099800578 吊钩
1099800575 安全销
1040300938 垫圈
1099800571 安全板
1099800560 扭簧
1040501307 销
1050201017 推力轴承
1099800551 吊钩螺母
1040102199 螺钉
1040501305 圆柱销
1099800552 吊架
1099800553 配重
1040000050 螺栓
1099800554 吊环螺栓
1040300049 垫圈
1040201462 螺母

| 00663067010001020 | 吊钩标识(55t-638kg) |
| 00663077010001030 | 吊钩标识(30t-378kg) |
| 00663067010001030 | 吊钩标识(16t-307kg) |
| 00663067010001040 | 吊钩标识(6t-181kg) |

1040000101 螺栓 M12×40-8.8 GB/T5783-2000
1040300054 垫圈 12 GB/T93-1987
1040000556 螺栓 M20×55-8.8 GB/T5783-2000
1040300038 垫圈 20 GB/T93-1987
1010100003 柱塞马达 A2F80W2Z2
1030201689 变幅卷扬减速机 JQ36-50-25
00660312000200000 变幅卷扬支架
1040000230 螺栓 M24×50-8.8 GB/T5782-2000
1040300049 垫圈 24 GB/T93-1987
00663062000400000 维修管路包
00660312000400000 棘爪
00663303700001040 衬套
00663003700001020 销轴
1040500047 销 5×70 GB/T91-2000
1040200215 螺母 M30-8 GB/T6178-1986
1080000004 油杯 M10×1 GB1153-1979
00663307500000001 棘轮油缸
1040500109 销轴 B12×50 GB/T882-1986
1040500060 销 3.2×20 GB/T91-2000
204050019 工业闭式齿轮油
L-CKD220 GB5903-1995
202230016 乐泰胶 262
204110014 锂基脂 ZL-2

1040301205 孔用弹性挡圈
ZM107-3001 前盖
BABSL 50-70-10 骨架油封
21032(392 厂) 密封圈
ZM107-0002 调整垫片
1040300056 轴肩挡圈
ZM107-2112 弹簧座
ZM107-2113 碟形弹簧
1050000357 深沟球轴承
ZM107-0002 调整垫片
ZM107-2114 隔圈
1019803884 成对双联向心推力球轴承
ZM80-2111 主轴
ZB80-2005 中心杆
ZB80-2006 卡圈
ZB80-2007 调整垫片
ZB80-2008 弹簧座
ZB80-2009 碟形弹簧
ZB80-2200 柱塞部件
ZB80-2004 卡盘
LY14-M5×16 螺钉
ZM80-1001 壳体
ZM55-0006A 塑料盲盖
30432(392 厂) 矩形密封圈
ZM55-0006 螺堵
Q1-BP 产品标牌
1040400207 铆钉
ZB80-2300 转子部件
ZB80-4000 分油盘部件
21028(392 厂) 密封圈
ZM107-0003 定位销
ZM80-0001 后盖
1040100853 螺钉
ZM80-0005 塑料盲盖

00663307500200001 缸筒
00663307500001011 活塞杆
00663307500001020 导向套
1081000011 O 型密封圈 35×3.5 GB1235-1976
1081000035 O 型密封圈 20×2.4 GB1235-1976
006340000053 挡圈
00663307500001030 垫圈
1040300153 挡圈 32 GB/T894.1-1986
1081200061 防尘圈 20x28x6
00663307500001040 连接板
1040300067 垫圈 10 GB/T93-1987
1040200105 螺母 M10-04 GB/T6172.1-2000
00663307500001050 压簧

00660302101000000 十字节
00660402100001010 拉板
00663604100001050 弹簧插销
00663005400201022 销轴
00660312100200000 变幅滑轮组动支座
00660312100400000 变幅滑轮组定支座
00663405400801030 轴
1040500079 销 6.3×60 GB/T91-2000
00663022110420000 拉板
00663405400801020 销轴
1040500222 销 8×80 GB/T91-2000
00660402100600000 拉板
1090100446 楔套 20 ZL-XT-20
190100453 楔 20 ZL-X-20
1090100001 钢丝绳夹 Y-20
00663000100001210 销轴
00663002100001140 垫圈
1040500224 销 6.3×63 GB/T91-2000
00663012100001080 尼龙块
1040100080 螺钉 M8×16-4.8 GB/T819.1-2000
1090100520 钢丝绳 φ20-右交-1960,L=100m
6×26WS+IWR
00663062100001020 钢丝绳头
00663112100001020 轴
006340000003 挡板 50
1040000069 螺栓 M12×25-8.8 GB/T5783-2000
1040300054 垫圈 12 GB/T93-1987

1040000140 螺栓 M16×45-10.9 GB/T5783-2000
1010100033 液压马达 A2FE56/6.1WVZL10
1030201697 回转减速机 JH36-101-19
1040000891 螺栓 M16×100-8.8 GB/T5783-2000
1040300065 垫圈 16 GB/T93-1987
202230025 1277 螺纹锁固密封胶 1277
00663014400001010 螺栓
1040300028 垫圈 18 GB/T93-1987
204050019 工业闭式齿轮油
L-CKD220 GB5903-1995
1140100592 接头 XA15-ML/WD
1140203711 胶管总成
H/H3-13×1W-900 JB/T8727-2004
1149900793 过渡接头
XVSCHK15-L XVSCHK15-L
1140100725 接头 XK15-L
1140102120 接头 EDKO15-L
00660310400200000 转台

1031500036 回转支承 013.60.1465
1040000295 螺栓 M27x180-10.9 GB/T1228-1991
1040300149 垫圈 (27) GB/T1230-1991
202230025 1277螺纹锁固密封胶 1277
00660310400200000 转台
204110013 锂基脂 ZL-3
00660310400200000 转台结构