
004904171A0400000 右支架 R i g h t S u p p o r t Ass’y
004904171A0800000 保护罩 Guard
004904071A0601040 支座 Bracket
004907271A0401020 接头 Joint
004904171A1000000 左支架 Left Support Ass’y
004904071A1201010 支座 Bracket
004904071A1201040 支座 Bracket
004904071A0001020 右球座盖 Right Cap
004904071A0001050 螺母 Nut
1040001525 螺栓M24×130-10.9 Bolt
1040302146 垫圈
24-36HRC~41HRC Washer
004904171A0600000 右耳轴合件 R i g h t T r u n n i o n Ass’y
004904171A1400000 左耳轴合件 L e f t T r u n n i o n Ass’y
1040000714 螺栓M20×45-10.9 Bolt
1040302150 垫圈
20-36HRC~41HRC Washer
1040003725 螺栓M24×165-10.9 Bolt
004904071A0001160 左球座盖 Left Cap
004904071A0001150 后盖 Guard
004904071A0001060 销 Pin
1040001703 螺栓M12×65-10.9 Bolt
1040201163 螺母M12-10 Nut
004904171A1200000 下支撑合件 Lower Brace Ass’y
004904071A0001190 螺杆 Screw
004904071A0001080 垫片 Shim
1040000956 螺栓M20×80-10.9 Bolt
1040000956 螺栓M20×80-10.9 Bolt
1040200134 螺母M20-10 Nut
004904071A0001070 垫片 Shim
1040302149 垫圈
18-36HRC~41HRC
Washer
1040003726 螺栓M18×65-10.9 Bolt
004904071A0401060 盖 Cover
004904071A0400000 右上支撑合件 Upper Brace (Right)
004904071A0001010 接头 Joint
1080000239 油杯M10×1 Oil Cup
004907271A0001010 轴套 Bearing
004907271A0001020 轴承 Bearing

1 004904171B0200000 环卫铲 Blade
2 004904071A0001210 右刀角 End bit (right)
3 004904171A0001010 刀片 Cutting edge
4 004904071A0001100 螺栓 Bolt
5 004904071A0001200 左刀角 End bit (left)
6 1040302149 垫圈
18-36HRC~41HRC Washer
7 004904071A0001110 螺母 Nut
8 1080000206 油杯 Oil cup
9 004907271A0210000 左托架 Left bracket
10 004907271A0230000 左支承座 Left bracket
11 004904071A0001180 轴 Shaft
12 004904071A0001170 板 Plate
13 1040302147 垫圈
16-36HRC~41HRC Washer
14 1040000444 M16×35-10.9 Bolt
15 004904171A0201030 支座 Bracket
16 004904171A0230000 支座(左) Bracket (left)
17 004904071A0001030 轴 Shaft
18 1040500214 销3.2×40 Cotter pin
19 004904071A0001040 销 Pin
20 004904171A0240000 支座(右) Bracket (right)
21 004907271A0240000 右支承座 Right bracket
22 004907271A0220000 右托架 Right bracket
entralization Pressure Measuring Device
004904084A0000001

1 1040301022 垫圈12-300HV Washer
2 1040000575 螺栓M12×35-10.9 Bolt
3 1049900086 螺塞ZG1/8 Plug
4 004904084A0200000 测压座 Bracket
5 004903084A0001010 螺纹接头 Nipple
6 1040400189 铆钉3×8-10 Rivet
7 004904084A0001010 标牌 Scutcheon
004904084A0001030 标牌(英文) Scutcheon
004904084A0001040 标牌(中俄文) Scutcheon
004904084A0001050 标牌(俄文) Scutcheon
8 1040000549 螺栓M10×25-10.9 Bolt
9 1040301020 垫圈10-300HV Washer
10 1990200771 连胶条 Clamp
11 1040001764 螺栓M10×20-10.9 Bolt
12 004904084A1200001 胶管总成 Hose
13 004904084A0400000 测压软管 Hose
14 004903084A0001030 螺纹接头 Nipple
15 1081001422 O型圈5.4×2.3 O-Ring
16 1040200106 螺母M8-04 Nut
17 004904084A0001020 直角接头 Nipple
18 004904084A1000001 胶管总成 Hose
19 004904084A0800001 胶管总成 Hose
20 004904084A0600001 胶管总成 Hose
Cab Ass’y 004908096A0000000

1 004908096A0001030 右门玻璃 Glass
004908096A0001020 左门玻璃 Glass
2 1999904421 门雨刮器 Wiper
3 004908096A1200000 右门 Right Door
004908096A1000000 左门 Left Door
4 1999904427 后视镜 Rear View Mirror
5 1040300060 垫圈 5 Washer
6 1040300048 垫圈5-200HV Spring Washer
7 1040100057 螺钉M5×12-4.8 Screw
8 1040101865 螺钉M5×12-4.8 Screw
9 004908096A0001120 右盖 Right Cover
004908096A0001110 左盖 Left Cover
10 驾驶室门锁 Cab’s Door Lock
004908096A0001050 右门锁盒 Right Lock Cover
004908096A0001040 左门锁盒 Left Lock Cover
1999904431 撞闩 Striker
1999904429 单转子闩锁(左) Lock(left)
1999904430 单转子闩锁(右) Lock(right)
11 1999904420 窗雨刮器24V 50W Wiper
12 004908096A0001130 门密封条 Seal Strip
13 004908096A0001080 前窗玻璃 Glass
14 004908096A0001150 密封条 Seal Strip
15 1040001661 螺栓M14×60-10.9 Bolt
16 1040302148 垫圈
14-36HRC~41HRC Washer
17 004908096A0001160 密封条 Seal Strip
18 1999904428 门把手 Door Handle
19 004908096A0600000 橡胶螺杆 Rubber Bolt
20 1040200178 螺母M10-10 Nut
21 1040302144 垫圈
10-36HRC~41HRC Washer
22 004908096A2000000 锁舌 Spring Bolt
23 1040301515 垫圈8-200HV Washer
24 1040000288 螺栓M8×25-8.8 Bolt
25 004908096A2400000 右门碰锁 Right Spring Lock
004908096A2200000 左门碰锁 Left Spring Lock
26 004908096A0001070 右门碰锁盒 Right Spring Lock Cover
004908096A0001060 左门碰锁盒 Left Spring Lock Cover
27 004908096A0001100 螺钉盖 Screw Cover
28 1040000549 螺栓M10×25-10.9 Bolt
29 004908096A0200000 合页 Hinge
30 1040001764 螺栓M10×20-10.9 Bolt
31 004908096A0001010 合页盖 Hinge Cover
32 1040003367 螺栓M6×16-8.8 Bolt
33 1021000014 风扇24V.DC Fan
34 1999904424 灭火器 1Kg Extinguisher
35 1999904425 灭火器支架 Extinguisher’s Bracket
36 1040100620 螺钉M6×16-8.8 Screw
37 004908096A1400000 左侧窗总成 Right Window Ass’y
004908096A1600000 右侧窗总成 Left Window Ass’y
38 004908096A0001140 后玻璃胶条 Back Seal Strip
39 004908096A0001090 后窗玻璃 Glass
40 1040000267 螺栓M8×20-8.8 Bolt
41 004908096A1800000 后灯罩 Lamp shade
42 1040200192 螺母M8-8 Nut
43 1040100170 螺钉M16 Screw
44 1999904422 衣帽钩 Clothes-hook
45 1040100637 螺钉M4×16-4.8 Screw
46 1999904423 安全锤 Safety Hammer
47 004908096A0800000 驾驶室框架 Cab
004904096A0000000 驾驶室 Cab
Operator’s Seat 004904057A0000000

1 1139900710 座椅 Operator’s Seat
2 1040300066 垫圈 8 Washer
3 1040000018 螺栓 M8×30-8.8 Bolt
Hydraulic Tank 004904060B0000000

004904060B0000000 工作装置油箱 Hydraulic Tank
1 004904060B0001020 节流孔板 Throttle Plate
2 004904060B0600000 补油管 Oil Pipe
3 1040300067 垫圈10 Spring Washer
4 1040000090 螺栓M10×30-8.8 Bolt
5 004904060B0800000 油管 Oil Pipe
6 1040300068 垫圈14 Spring Washer
7 1040000119 螺栓M14×40-8.8 Bolt
8 1040000101 螺栓M12×40-8.8 Bolt
9 1040300054 垫圈12 Spring Washer
10 1040000069 螺栓M12×25-8.8 Bolt
11 1040001269 螺栓M14×60-8.8 Bolt
12 1040300055 垫圈14-200HV Washer
13 004904060A0200000 工作油箱体 Case
14 004904060A0001060 垫 Gasket
15 004904060A0001010 O形圈 O-Ring
16 1040000132 螺栓M10×16-8.8 Bolt
17 004904060A0600000 粗滤网 Strainer
18 1040000288 螺栓M8×25-8.8 Bolt
19 1040300063 垫圈8 Spring Washer
20 004904060A0800000 溢流管 Overflow Pipe
21 004904060A1400000 铲刀提升倾斜组阀 Valve
22 1081001688 O形圈48×3.5 O-Ring
23 004904060B0400000 油管 Oil Pipe
24 1040000176 螺栓M14×45-8.8 Bolt
25 1040000941 螺栓M14×75-8.8 Bolt
26 004904060A1800000 滤芯 Element
27 004904060A2000000 安全阀 Safety Valve
28 004904060A0001020 弹簧 Spring
29 1081001432 O形圈124.4×3.1 O-Ring
30 004904060A2200000 盖 Cover
31 1999900492 加油口盖 Oil Filler Cover
32 005001060A0201110 过滤器 Filter
33 1040000114 螺栓M10×25-8.8 Bolt
34 004904060A0400000 工作油箱盖 Oil Tank Cover
35 004904060A0001030 玻璃蒙 Cover
36 004904060A0001040 胶圈 Rubber Ring
37 004904060A0001050 油窗盖 Cover
38 1040200145 螺母M10-8 Nut
39 1081001453 O形圈32.7×3.4 O-Ring
40 004904060A1200000 螺塞 Plug
41 004904060B1000000 松土器操纵阀 Ripper Control Valve

1 004904060A2600000 摇臂轴 Rocker Shaft
2 004904060A0001080 挡板 Retainer
3 1081001469 油封FB20×35×7 Oil Seal
4 1054500018 轴承HK202616 Bearing
5 004904060A2400000 摇臂轴 Rocker Shaft
6 004904060B0200000 摇臂轴 Rocker Shaft
7 1040600069 键5×19 Key
8 1040000018 螺栓M8×30-8.8 Bolt
9 1040300063 垫圈8 Spring Washer
10 004903060B0001040 摇臂 Rocker
11 1040500114 销3.2×16 Cotter Pin
12 005001060A0201120 连板 Plate
13 1040300152 垫圈10-200HV Washer
14 1040500106 销轴B10×28 Pin

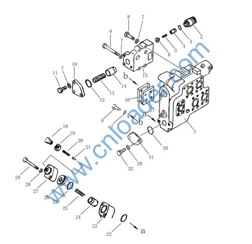
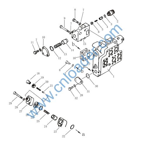
004904060A1400000 铲刀提升倾斜阀 Valve Ass’y
1 004904060A1410000 主阀组 Main Valve Ass’y
004904060A1420000 补油阀 Valve Ass’y
2 004904060A1421080 阀体 Valve Body
3 1081001436 O形圈27.7×3.5 O-Ring
4 004904060A1421070 阀芯 Valve Core
5 004904060A1421060 弹簧 Spring
6 004904060A1421050 座 Seat
7 1040300054 垫圈12 Spring Washer
8 1040000195 螺栓M12×60-8.8 Bolt
9 1040000246 螺栓M12×110-8.8 Bolt
10 004904060A1421020 法兰 Flange
11 1040000101 螺栓M12×40-8.8 Bolt
12 1081001421 O形圈47.7×3.5 O-Ring
13 004904060A1421030 弹簧 Spring
14 004904060A1421040 阀芯 Valve Core
15 004904060A1421010 阀体 Valve Body
16 004904060A1401020 挡板 Plate
17 004904060A1401010 板 Plate
004903060B2420000 主安全阀 Main Safety Valve
18 004903060B2421010 螺塞 Plug
19 004903060B2421020 螺母 Nut
20 004903060B2211060 弹簧 Spring
21 004903060B2211080 锥阀 Plug
22 1081001421 O形圈47.7×3.5 O-Ring
23 004903060B2421050 安全阀体 Safety Valve Body
24 004903060B2421070 阀芯 Valve Core
25 004903060B2421060 弹簧 Spring
26 004903060B2421040 阀座 Valve Seat
27 004903060B2421030 阀盖 Valve Cover
28 1040300068 垫圈14 Spring Washer
29 1040001790 螺栓M14×105-8.8 Bolt
30 1081001681 O形圈46×3.5 O-Ring
31 004904060A1401030 盖 Cover
32 1040000119 螺栓M14×40-8.8 Bolt
004904060A1410000 主阀组 Main Valve Ass’y
1040000101 螺栓M12×40-8.8 Bolt
1040300054 垫圈12 Spring Washer
004904060A1411080 板 Plate
1040500541 销A5×14 Pin
1081001390 O形圈24.7×3.5 O-Ring
004904060A1411070 座 Seat
004904060A1411060 弹簧 Spring
004904060A1411050 阀芯 Valve Core
004904060A1411040 阀套 Valve Sleeve
004904060A1411090 弹簧座 Spring Seat
004904060A1411100 弹簧 Spring
004904060A1411110 垫片 Spacer
1040000093 螺栓M12×20-8.8 Bolt
004904060A1411150 轴套 Bushing
004904060A1411160 板 Plate
1040300067 垫圈10 Spring Washer
1040001789 螺栓M10×95-8.8 Bolt
1040000094 螺栓M12×35-8.8 Bolt
004904060A1411120 板 Plate
1081001380 O形圈34.7×3.5 O-Ring
004904060A1411250 座 Seat
004904060A1411260 弹簧 Spring
004904060A1411270 阀芯 Valve Core
1081000026 O形圈51×3.5 O-Ring
1081000063 O形圈19×2.4 O-Ring
004904060A1411030 阀杆 Valve Rod
004904060A1411020 阀杆 Valve Rod
004904060A1411010 阀体 Valve Body
004904060A1411240 弹簧座 Spring Seat
004904060A1411230 弹簧 Spring
004904060A1411210 挡圈 Snap Ring
004904060A1411220 轴套 Bushing
33 004904060A1411200 外壳 Housing
34 004904060A1411130 螺塞 Plug
35 004904060A1411140 弹簧 Spring
36 004904060A1411170 导柱 Guide
37 004904060A1411180 滚珠 Ball
38 004904060A1411190 掣子 Detent
39 1040000229 螺栓M12×130-8.8 Bolt
40 1040000116 螺栓M10×20-8.8 Bolt
004904060B1000000 松土器操纵阀 Ripper Control Valve
004904060B1010000 过载阀 Overload Valve
1 004904060B1011020 塞子 Plug
2 1081000106 O形圈40×3.5 O-Ring
3 004904060B1011030 弹簧 Spring
4 004904060B1011040 阀芯 Valve Core
5 004904060B1011010 壳体 Housing
6 004904060B0001030 泄油管 Oil Drain Pipe
7 1040300063 垫圈8 Spring Washer
8 1040000018 螺栓M8×30-8.8 Bolt
9 1040300054 垫圈12 Spring Washer
10 1040000246 螺栓M12×110 Bolt
11 1040000067 螺栓M12×45 Bolt
12 004904060B1011090 座 Seat
13 1081001436 O形圈27.7×3.5 O-Ring
14 004904060B1011070 主接头 Main Joint
15 004904060B1011080 阀芯 Valve Core
16 004904060B1011060 弹簧 Spring
17 004904060B1011050 螺塞 Plug
18 1040201079 螺母M18×1.5 Nut
004904060B1000000 松土器操纵阀 Ripper Control Valve
004904060B1020000 换向阀 Change Valve
1 004904060B1021010 阀体 Valve Body
2 1081002760 O形圈36×3.5 O-Ring
3 004904060B1021060 阀杆 Valve Rod
4 1040000119 螺栓M14×40-8.8 Bolt
5 1040300068 垫圈14 Spring Washer
6 004904060B1001010 板 Plate
7 1040300067 垫圈10 Spring Washer
8 1040000090 螺栓M10×30-8.8 Bolt
9 1081000026 O形圈51×3.5 O-Ring
10 1081000063 O形圈19×2.4 O-Ring
11 1040000017 螺栓M12×80-8.8 Bolt
12 1040300054 垫圈12 Spring Washer
13 004904060B1021020 定位套 Collar
14 004904060B1021030 壳体 Housing
15 004904060B1021040 定位套 Collar
16 004904060A1411230 弹簧 Spring
17 004904060A1411240 弹簧座 Spring Seat
18 004904060A1411270 阀芯 Valve Core
19 004904060A1411260 弹簧 Spring
20 004904060A1411250 座 Seat
21 1081000106 O形圈40×3.5 O-Ring
22 004904060A1411120 板 Plate
23 1040000094 螺栓M12×35-8.8 Bolt
24 004904060B1021050 螺塞 Plug