
1 12926943 1 蒸汽胶管 Hose
2 60166495 1 单联管夹 Split Flow Gear Pump
3 13133606 1 变径水管 reducer tube
4 A210111000024 1 螺栓 Bolt
5 12876535 1 管接头 Pipe joint
6 A210111000199 9 螺栓M12×20GB5783 10.9级 Bolt
7 A210491000121 13 垫圈 Washer
8 60086357 6 线束固定夹 Clamp
9 A239900000066 90 尼龙扎带 Strap, nylon
10 60166393 3 钢带式弹性卡箍 Split Flow Gear Pump
11 A210110000447 1 螺栓M10×55GB5782 10.9级 Bolt
12 60001239 1 液体胶管 Hose, liquid
13 60224079 1 吸气软管 Hose, suction
14 14211290 1 压缩机支架 Compressor Bracket
15 A210111000029 1 螺栓 Bolt
16 A210111000197 4 螺栓M10×25GB5783 10.9级 Bolt
17 A230106000321 1 V带 Belt, V-type
18 13554671 1 调整板 adjusting plate
19 B220203000007 1 压缩机 Compressor
20 24000633 17 垫圈8GB97.1 达克锈 Washer
21 A210108000097 4 螺栓 Bolt
22 60001233 1 排气胶管 Hose, discharge
23 24000632 7 垫圈 washer
24 A210111000081 4 螺栓 Bolt
25 60001238 1 液体胶管 Hose
26 13466335 1 冷凝器右支架 right support of condenser
27 A210111000323 7 螺栓M8×25GB/T 5783 10.9级 Bolt
28 A210111000082 2 螺栓 Bolt
29 A229900008784 1 储液器支架 Bracker, dryer clamp
30 A210204000340 2 螺钉 M8×16GB70.1 10.9级 Bolt, socket head
31 B229900005141 1 储液器 Dryer
32 A220700000028 1 冷凝器总成 Condenser
33 60060565 11 垫圈8GB96.1 达克锈 Washer
34 A210111000092 4 螺栓 Bolt
35 13466471 1 冷凝器左支架 left support of condenser
36 60250669 1 外气过滤器 Filter
37 60168171 1 空调单元总成 Assembly, air conditioner
38 A229900009481 1 排水管 Hose, drain
39 24002251 1 螺钉M6×25GB70.1 10.9级 Screw M6×25GB70.1 Grade 10.9
40 60250668 1 压板接头 Plate
41 10473304 1 空调电气系统 Electric system of air conditioner
42 A210491000120 9 垫圈 Washer
43 12049464 1 压缩机接插件固定夹 The fixed bracket for the
44 60149606 3 线束固定夹 Clamp
45 B222100000711 1 内气过滤器 Inner air filter
46 11779657 1 胶套 Grommet
47 A230200000170 1 线夹 Clamp
48 A210204000343 2 螺钉 Bolt
49 A210444000001 2 垫圈 Washer
50 A210111000347 1 螺栓M16×90GB5783 10.9级 Bolt
51 A210307000028 1 螺母 Nut
52 13626481 1 后盖板组件 rear cover plate component
53 13626490 1 前盖板 front cover plate
54 11908118 1 内气滤芯密封垫 Combined seal pad of Air filter core
55 11907017 1 内气滤芯压盖 Filter core cover plate

1 60153212 1 冷却机组外壳 Housing, main, rear
2 60153213 1 冷却机组外壳 Housing, main, front
3 60153195 1 片 Acuators
4 60153196 1 片 Acuators
5 60153202 1 带部件蒸发器总成 Evaporator AS
6 60153218 1 蒸发器分总成 Evaporator
7 60153192 1 O型环 O-ring
8 60153193 1 O型环 O-ring
9 60153197 1 膨胀阀 Valve, expansion
10 60153215 2 螺栓 Bolt
11 60153203 1 隔热密封垫 Seal, insulation
12 60153205 3 隔热密封垫 Seal, insulation
13 60153204 1 隔热密封垫 Seal, insulation
14 60153242 1 加热器芯分总成 Core, heater
15 60049962 4 门分总成 Damper
16 60153216 4 门分总成 Damper
17 60049956 2 连杆分总成 Linkage, cam
18 60049957 1 连杆分总成 Linkage, cam
19 60049958 2 连杆分总成 Linkage, cam
20 60049959 3 连杆分总成 Linkage, cam
21 60049941 2 杆 Linkage, lever
22 60049960 2 连杆分总成 Linkage, cam
23 60049963 3 轴 Linkage, lever
24 60049964 1 轴 Linkage, lever
25 60049943 1 片 Acuators
26 60049944 1 片 Acuators
27 60049947 2 伺服电机总成 Motor AS, servo
28 60049955 3 夹具 Clamp
29 60033039 1 水温传感器 coolant temperature sensor
30 60153199 1 鼓风电机 Motor AS
31 60049951 1 风扇叶 Fan
32 60049954 1 夹具 Clamp
33 60049950 3 带垫圈自攻螺钉 Screw, self tapping with washer
34 60049965 32 自攻螺钉 Screw, self-tapping
35 60049948 1 空调机电束总成 Harness AS, blower housing
36 60049966 1 防结霜传感器 Sensor, anti-frost
37 60049949 2 带垫圈螺钉 Screw, with washer
38 60049942 1 盒分总成 Cover
39 60049953 1 隔热密封垫 Seal, insulation
40 60049945 1 带附件伺服电机总成 Motor AS, servo
41 60153240 1 内气传感器 Sensor, fresh air temperature
42 60049968 1 调速电阻 Transistor AS
43 60049952 1 感温包零件支架 Bracket

1 B240600000334 1 日照传感器 Sensor, sunlight
2 B240700000473 1 继电器 Relay
3 B240700000472 1 继电器 Relay
4 10448933 1 空调连接线 Harness, air conditioner

1 13623383 1 配重主体 Counterweight AS
2 13466550 1 配重降噪海绵 Foam, counterweight pc3
3 13466564 1 配重降噪海绵 Foam, counterweight pc2
4 13466567 1 配重降噪海绵 Foam, counterweight pc1

1 60335963 2 胶管 Rubber Hose
2 21003018 2 直通隔板式接头 Fitting, bulkhead connector
3 14003931 1 支撑板 supporting board
4 A210111000208 6 螺栓 Bolt
5 60238781 6 垫圈14GB97.1 达克锈 Washer
6 B230103001578 1 胶管总成 Rubber Hose
7 60289958 1 胶管 Rubber Hose
8 A820205001334 1 G1-M42接头 Connector
9 B230101000050 1 O形圈 O-ring
10 B210780001241 1 直角组合接头 Fitting, Elbow
11 B210780000244 2 对开法兰 Flange, Split
12 A210204000354 4 螺钉 Screw
13 14105544 1 右支撑 supporting board

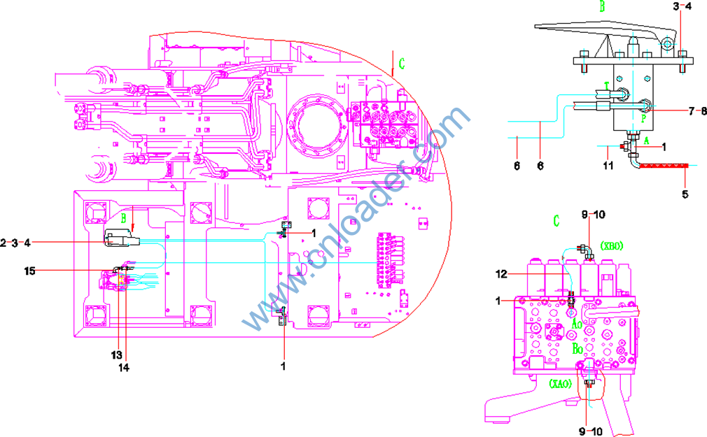
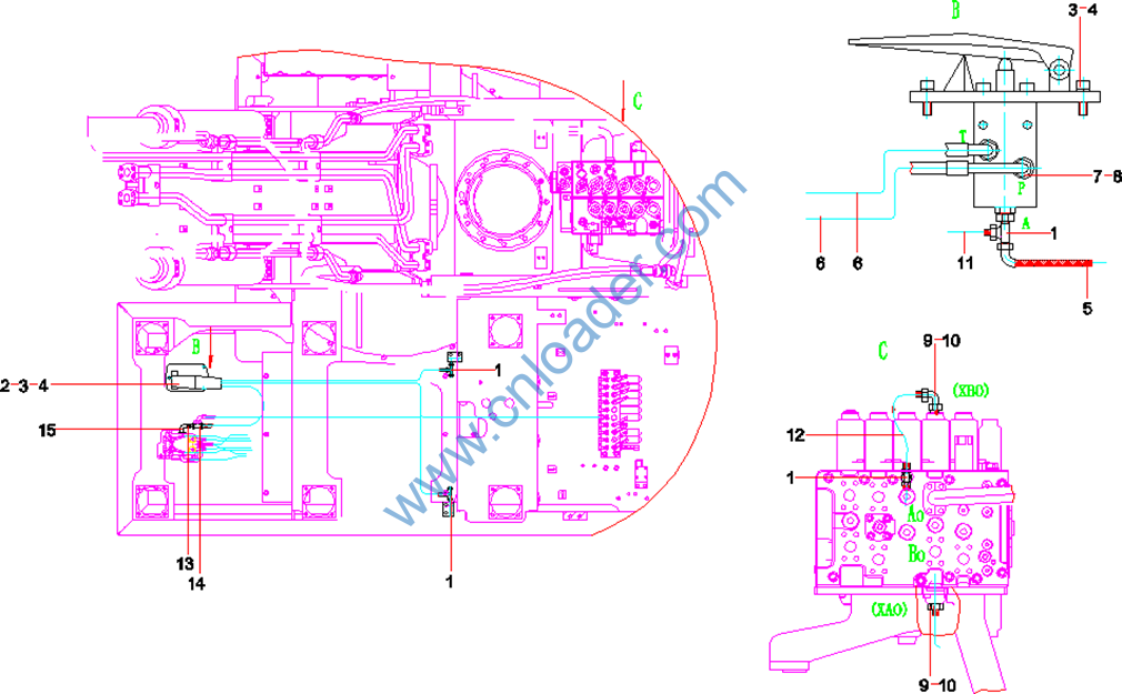
1 B210780000170 4 三通组合L型接头 Fitting
2 B220402000338 1 脚踏阀 Foot-Operated Valve JRCVP-A-1
3 A210204000132 3 螺钉 Screw
4 24000632 3 垫圈 washer
5 B230103002658 1 胶管 Hose AS
6 B230103001359 2 胶管 Hy hose 1SN6-DKOL-DKOL90-
7 A820205000940 3 接头 Fitting
8 B230101000047 3 O形圈 O-Ring-10.8
9 A820205000946 2 接头 Fitting
10 B230101000049 2 O形圈 O-ring
11 B230103000815 1 胶管 Hose AS
12 B230103000977 1 胶管 Hose AS
13 B210780001045 1 管接头 Fitting
14 B220400000169 1 三通梭阀 Valve, shuttle, tee
15 B210780000418 1 直角组合接头 Fitting

1 60209583 1 阀体 Body, valve
2 60209584 2 堵头 Plug
3 60209585 1 阀芯组件 Spool AS, valve
4 60209586 1 阀芯 Spool, valve
5 60082153 1 弹簧座 Seat, spring
6 60209587 1 弹簧 Spring
7 60082154 1 弹簧座 Seat, spring
8 60082140 1 挡环 Ring, retaining
9 60209588 1 弹簧 Spring
10 60209589 1 插销组件 Plug Kit
11 60209590 1 推杆组件 Plunger GP
12 60209591 1 油封 Seal, oil
13 60209592 1 密封圈 Ring, seal
14 60038815 1 O形圈 O-ring
15 60209593 1 板 Plate
16 60209594 1 踏板组件 Pedal GP
17 60209595 1 踏板 Pedal
18 60209596 1 踏板面 Panel, pedal
19 A210204000220 1 螺钉M8×20GB70.1 10.9级 Screw
20 A210405000007 1 垫圈 Washer
21 A210307000055 3 螺母M8GB6170 10级 Nut
22 60209597 1 连接轴 Shaft, connecting
23 60209598 1 弹簧 Spring
24 60209599 1 定位销 Dowel
25 60209600 2 卡簧 Spring, snap
26 60209601 1 波纹套 Sheath, corrugated
27 A210207000001 2 螺钉 Screw
28 23002134 2 螺钉 Screw