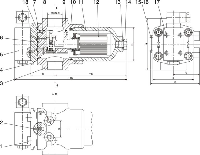
|
序号 |
代码 |
名称 |
数量 |
|
1 |
60140760 |
防尘密封圈 Danfoss |
1 |
|
2 |
60140725 |
钢球 Danfoss |
1 |
|
3 |
60140749 |
螺纹衬套 Danfoss |
1 |
|
4 |
60140761 |
轴封 Danfoss |
1 |
|
5 |
60140729 |
轴承 Danfoss |
1 |
|
6 |
60140720 |
环 Danfoss |
1 |
|
7 |
60140730 |
插销 Danfoss |
1 |
|
8 |
60140736 |
弹簧 Danfoss |
1 |
|
9 |
60140755 |
万向轴 Danfoss |
1 |
|
10 |
60224581 |
垫圈150-0415 |
1 |
|
11 |
60140759 |
O形圈 Danfoss |
1 |
|
12 |
60140753 |
配流盘 Danfoss |
1 |
|
13 |
60140732 |
齿轮传动装置 Danfoss |
1 |
|
14 |
60140758 |
O形圈 Danfoss |
2 |
|
15 |
60140745 |
端盖 Danfoss |
1 |
|
16 |
60140744 |
垫圈 Danfoss |
7 |
|
17 |
60224582 |
特制螺钉150-0325 |
1 |
|
18 |
60224583 |
螺钉681X1582 |
6 |
|
19 |
60140751 |
铭牌 Danfoss |
1 |
|
20 |
60224584 |
减压阀150-4281 |
1 |
|
21 |
60224585 |
减压阀弹簧633X6022 |
1 |
|
22 |
60140717 |
唇形密封 Danfoss |
1 |

|
序号 |
代码 |
名称 |
数量 |
|
1 |
12105786 |
移动阀组 |
1 |
|
2 |
A210204000196 |
螺钉 |
4 |
|
3 |
A210401000001 |
垫圈 |
4 |
|
4 |
B230103006930 |
胶管 |
2 |
|
5 |
B230103006930 |
胶管 |
2 |
|
6 |
12070845 |
配重移动连接钢管 |
2 |
|
7 |
10213222 |
钢管A |
2 |
|
8 |
B210780000847 |
管接头 |
4 |
|
9 |
B230103005168 |
胶管 |
1 |
|
10 |
B230103000089 |
胶管 |
1 |
|
11 |
A210204000136 |
螺钉 |
4 |
|
12 |
A210401000016 |
垫圈 |
4 |
|
13 |
B210780000024 |
直角组合接头 |
2 |
|
14 |
B230103002390 |
胶管 |
2 |
|
15 |
60004179 |
胶管 |
2 |
|
16 |
B210780000698 |
端直通接头 |
4 |
|
17 |
60156807 |
胶管 |
1 |
|
18 |
B230103003874 |
胶管 |
1 |
|
19 |
B220401000028 |
平衡阀(双向) |
2 |
|
20 |
B230103000446 |
胶管 |
2 |
|
21 |
B210780000016 |
三通组合L型接头 |
2 |
|
22 |
B210780000180 |
管接头 |
4 |

|
序号 |
代码 |
名称 |
数量 |
|
1 |
A210204000119 |
螺钉 |
12 |
|
2 |
60059724 |
电磁换向阀 |
1 |
|
3 |
A820199003193 |
移动阀块 |
1 |
|
4 |
B210399000003 |
螺塞 |
7 |
|
5 |
B210780000036 |
端直通接头 |
4 |
|
6 |
B220401000046 |
梭阀 |
1 |
|
7 |
60155035 |
电磁换向阀 |
2 |
|
8 |
B210780000201 |
螺塞 |
4 |
|
9 |
A820601020466 |
防水盖 |
12 |
|
10 |
B210780000232 |
端直通接头 |
2 |
|
11 |
12105680 |
盖板 |
1 |
|
12 |
A210401000015 |
垫圈 |
4 |
|
13 |
A210204000117 |
螺钉M5×20GB70.1 |
4 |
|
14 |
A210609000091 |
O形圈6.3×1.8GB3452.1 |
4 |

|
序号 |
代码 |
名称 |
数量 |
|
1 |
B230103007032 |
胶管ST)Q/SY1102 |
1 |
|
2 |
B230103000475 |
胶管 |
1 |
|
3 |
B230103000477 |
胶管 |
1 |
|
4 |
A222100000128 |
压油过滤器JB2302 |
1 |
|
5 |
A820205001857 |
接头体 |
2 |
|
6 |
A210434000015 |
垫圈 |
2 |
|
7 |
A210204000262 |
螺钉 |
2 |
|
8 |
A210401000001 |
垫圈 |
2 |
|
9 |
60071658 |
胶管2SN08-DKOL-DKOL90-370Q/SY1102 |
1 |
|
10 |
B210780000631 |
三通组合T型接头 |
1 |
|
11 |
13424467 |
先导蓄能器部装 |
1 |
|
12 |
B230103000475 |
胶管 |
1 |
|
13 |
B210780000636 |
直角组合接头 |
1 |
|
14 |
12947074 |
先导阀组 |
1 |
|
15 |
B230103000465 |
胶管 |
1 |
|
16 |
B210780001286 |
管接头 |
2 |
|
17 |
B230103005270 |
胶管2SN08-DKOL45-DKOL90-1900-V180Q/SY11 |
1 |
|
18 |
B230103001702 |
胶管 |
1 |

|
序号 |
代码 |
名称 |
数量 |
|
1 |
A210204000197 |
螺钉 |
4 |
|
2 |
A210204000258 |
螺钉M4×16GB70.1 |
4 |
|
3 |
60136463 |
滤头PLF-C30-1 黎明 |
1 |
|
4 |
60136460 |
盖 黎明 |
1 |
|
5 |
A240500000033 |
发讯器 |
1 |
|
6 |
29001672 |
O形圈14×2.4GB1235 |
2 |
|
7 |
A210609000199 |
O形圈 |
1 |
|
8 |
60136468 |
旁通阀 黎明 |
1 |
|
9 |
A210608000074 |
O形圈 |
1 |
|
10 |
A210609000132 |
O形圈61.5×3.55GB3452.1 |
1 |
|
11 |
60136476 |
壳体 黎明 |
1 |
|
12 |
A222100000148 |
滤芯 |
1 |
|
13 |
A210434000007 |
垫圈 14JB982 |
1 |
|
14 |
A210333000010 |
螺塞 |
1 |
|
15 |
60136489 |
标牌 黎明 |
1 |
|
16 |
A210510000010 |
铆钉 |
4 |
|
17 |
A210204000120 |
螺钉M5×35GB70.1 |
4 |
|
18 |
60136486 |
O形圈 黎明 |
1 |

|
序号 |
代码 |
名称 |
数量 |
|
1 |
B229900000045 |
蓄能器 |
1 |
|
2 |
A820101320714 |
安装板 |
1 |
|
3 |
A210111000089 |
螺栓 |
2 |
|
4 |
A210401000017 |
垫圈 |
2 |
|
5 |
A820205001856 |
接头体 |
1 |
|
6 |
A210434000013 |
垫圈27JB982 |
1 |
|
7 |
13424466 |
橡胶护套 |
1 |

|
序号 |
代码 |
名称 |
数量 |
|
1 |
B220401000105 |
溢流阀 |
2 |
|
2 |
B210770000084 |
测压接头 |
1 |
|
3 |
B210780000036 |
端直通接头 |
4 |
|
4 |
B220401000536 |
减压阀 |
1 |
|
5 |
B210780000053 |
端直通接头 |
1 |
|
6 |
B220400000421 |
单向阀阀芯 |
1 |
|
7 |
10056401 |
卡套 |
1 |
|
8 |
B210780000201 |
螺塞 |
2 |
|
9 |
B220401000046 |
梭阀 |
2 |
|
10 |
B210780001286 |
管接头 |
1 |
|
11 |
B210780000609 |
螺塞 |
1 |
|
12 |
A210204000031 |
螺钉M12×90GB70.1 |
2 |
|
13 |
B220401000539 |
单向阀 |
1 |
|
14 |
12947032 |
先导阀块 |
1 |
|
15 |
B210780000232 |
端直通接头 |
2 |

|
序号 |
代码 |
名称 |
数量 |
|
1 |
60024203 |
管夹体 |
18 |
|
4 |
60165334 |
单联管夹TLPG16-218 |
20 |
|
6 |
60165343 |
管夹体SP538-PPH DP-AS |
10 |
|
7 |
60014676 |
管夹体 |
7 |
|
8 |
60165336 |
管夹体SP325/25-PP DP-AS |
10 |
|
10 |
A820101350330 |
伸缩系统管夹盖板 |
2 |
|
11 |
A820101350536 |
伸缩系统管夹体2 |
4 |
|
13 |
A820101350550 |
伸缩系统管夹体3 |
2 |
|
14 |
A820101350551 |
伸缩系统管夹体 |
2 |
|
15 |
A210110000218 |
螺栓M10×80GB5782 |
8 |
|
16 |
A210401000001 |
垫圈 |
8 |
|
17 |
A820601991103 |
伸缩系统管夹体4 |
2 |