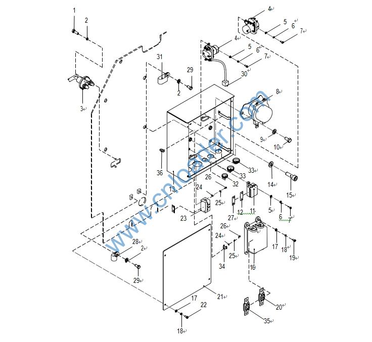
Electrical Ass’y 003011877A0000000

1020404284 工作灯 Lamp
1029902774 螺栓 M10×10 Bolt
1029902776 橡胶垫圈 10 Washer
1029902777 垫片 Washer
1029902775 螺母 M10 Nut
1020519870 H3灯泡 Bulb
1020100076 扬声器 Loudspeaker
1040300060 垫圈 5 Spring Washer
1040300048 垫圈 5-200HV Washer
1040100057 螺钉 M5×12-4.8 Screw
1022108172 仪表 Display
1040301641 垫圈 5-200HV Washer
1040100463 螺钉 M5×16-4.8 Screw
003011777A0210000 仪表线束 Console Harness
1029900391 塑料安装夹具 Clip
1020201545 GPS-E总成 GPS/GPRS
1040300051 垫圈 6-200HV Washer
1040300062 垫圈 6 Spring Washer
1040100058 螺钉 M6 Screw
003011877A0210000 控制面板总成 Control Panel Ass’y
1040300066 垫圈 8-200HV Washer
1040200764 螺母M8-8 Nut
003011077A0221020 报警器安装板 Plate
1040000116 螺栓 M10×20-8.8 Bolt
1020404920 声光报警器 Travel Alarm
1040000107 螺栓 M6×20-8.8 Bolt
003011777A0220000 驾驶室预装线束 Harness
1040300061 垫圈 6-200HV Washer
1020706016 视频信号线 Video Signal Cable
1040000098 螺栓 M8×16-8.8 Bolt
1029900390 金属安装夹具 Clip
003004277A0270000 接插件固定板 Plate

1029904330 点烟器 Cigarette Lighter
1020521289 钥匙开关总成 Key Switch Ass’y
1020500638 油门旋钮 Throttle Knob
1040300045 垫圈 4-200HV Washer
1040100106 螺钉 M4×10-8.8 Bolt
1020400542 前照灯开关 Front Light Switch
1020500680 大灯开关 Lamp Switch
1020500682 洗窗器开关 Window Washer Switch
1020500681 雨刮开关 Wiper Switch
003004277A0280000 中速开关线束 Harness
1040000069 螺栓 M12×25-8.8 Bolt
1040300054 垫圈 12 Spring Washer
1040300041 垫圈 12-200HV Washer
1990200688 扎带 Tie
1020500644 行程开关 Travel Switch
1029906594 收音机 Radio
1040300048 垫圈 5 Spring Washer
1040300060 垫圈 5-200HV Washer
1040100057 螺钉 M5×12-4.8 Bolt
1020520080 声光报警开关 Switch
1040000098 螺栓 M8×16-8.8 Bolt
1040300066 垫圈 8-200HV Washer
1990200696 连胶条 Clip
1029903853 金属安装夹具 Clip
1020700110 九路连接器 Connector
003024077A0201010 板 Plate
1040300051 垫圈 6-200HV Washer
1040300062 垫圈 6 Spring Washer
1040100058 螺钉 M6 Screw
1040300585 垫圈 3-140HV Washer
1040300046 垫圈 3 Spring Washer
1040100862 螺钉 M3×8-4.8 Screw
1020700967 接插件(十二插) Connector
1020701869 2芯插接件 Connector
1020700018 接插件 Connector
1029804239 插座护套 Connector
1020700967 插座护套(十二插) Connector
1020700021 插接件 Connector
1020700951 插接件 Connector
1020304576 二极管封装 Diode
1020703409 十二芯插接件(黑) Connector

003004277A0240010 安装板 Plate
1040300045 垫圈 4-200HV Washer
1040300044 垫圈 4 Spring Washer
1040300585 垫圈 3-140HV Washer
1040300046 垫圈 3 Spring Washer
1040100862 螺钉 M3×8-4.8 Screw
003010277A0211020 应急开关线束 Harness
1040100063 螺钉 M4×12-4.8 Screw
1020104096 控制器 Controller
1020300104 继电器 Relay
003004277A0241010 弯板 Plate
1020604543 功率电阻 Resistor
003001377A0211020 继电器保险标签 Relay And Fuse Tag
1029904304 继电器座 Relay Seat
1029904305 保险座 Fuse Seat
1029904303 固定座 Holder
003004277A0241020 弯板 Plate
1040100619 螺钉 M5×10-8.8 Screw
1040300060 垫圈 5 Spring Washer
1040300048 垫圈 5-200HV Washer
1040100005 螺钉 ST2.9×9.5-C Screw
1020604223 保险片10A Fuse
1020604225 保险片20A Fuse
1020604224 保险片15A Fuse
003001377A0211010 控制面板线束 Wiring Harness
1020604221 保险5A Fuse
1020701519 2芯插接件 Connector
1020701549 34芯插接件 Connector
1020701557 圆形端子 Treminals
1020701548 26芯插接件 Connector
1020700957 接插件(六插) Connector
1020700951 接插件(二插) Connector
1020304576 二极管 Diode
1022200300 空调插件 Connector
1020701511 圆形端子 Treminals
1020703408 十二芯接插件 Connector
1020701870 6芯插接件 Connector
1020703407 接插件(十二插) Connector
1020703406 十二芯接插件(黑) Connector
1020703409 十二芯接插件(黑) Connector
1020700942 接插件 Connector
1020700959 接插件 Connector
1020703264 2芯插接件 Connector
1020704311 4芯插接件 Connector
1020701541 8芯插接件 Connector
1020701517 2芯插接件 Connector
1020701528 3芯插接件 Connector
1020701500 接线端子 Treminals
1020700233 插座护套 Connector
1020701527 3芯插接件 Connector
1020701538 7芯插接件 Connector
1029804239 接插件 Connector
1020700951 接插件(二插) Connector
1020304576 二极管 Diode
1020700110 九路接插件 Connector

003004677A0420000 电瓶压板 Holder
1021100071 电瓶正极护套 Conduit
003011077A0490000 电瓶连接线 Cable Battery
1021100070 电瓶正极卡子 Clip
1020902005 蓄电池 Battery
1021100069 电瓶负极护套 Conduit
1021100068 电瓶负极卡子 Clip
003011077A0401070 螺栓 Screw
003011077A0401040 橡胶垫 Sealing Strip
1040200471 螺母 M12-10 Nut

1040000288 螺栓 M8×25-8.8 Bolt
1040300066 垫圈 8-200HV Washer
1020701877 负极开关 Nagative Switch
1020500648 起动接触器 Contactor
1040300045 垫圈 4-200HV Washer
1040300044 垫圈 4 Spring Washer
1040100063 螺钉 M4×12-4.8 Screw
1020519846 电瓶总开关 Switch
1040301020 垫圈 10-300HV Washer
1040001764 螺栓 M10×20-10.9 Bolt
1020600147 双路保险盒 Fuse Ass’y
1020604566 保险片 30A Fuse
003010177A0410010 电控箱箱体 Control Box
1040301022 垫圈 12-300HV Washer
1040100465 螺钉 M12×30-10.9 Screw
1020604796 保险丝座 Fuse Holder
1040300048 垫圈 5-200HV Washer
1040300060 垫圈 5 Spring Washer
1040100120 螺钉 M5×10-4.8 Screw
1020604369 保险丝 100A Fuse
003004277A0431020 电控箱盖板 Cover
1040100386 螺钉 M5×16-8.8 Screw
1020603084 保险丝座 Fuse
1040300047 垫圈 3-200HV Washer
1040300046 垫圈 3 Spring Washer
1040100862 螺钉 M3×8-4.8 Screw
1020604771 保险 60A Harness
1990300261 涂塑胶条 Clip
1040000098 螺栓 M8×16-8.8 Bolt
003010177A0410020 电控箱线束 Harness
1990200692 涂塑胶条 Clip
1020703360 护线圈 Protection Shield for Cable
1020703361 护线圈 Protection Shield for Cable
1020702208 线束带固定座 Holder
1020604324 保险丝 80A Fuse
1990200688 扎带 Tie
1020701502 圆形端子 Treminals
1020701503 圆形端子 Treminals
1020701505 圆形端子 Treminals
1140105276 圆形接头 Treminals
1020700168 空式接头 Treminals
1020702733 接插件 Connector
1020700440 接插件 Connector
1020700963 接插件(六插) Connector
1020700051 片形插座 Connector
1022259004 接插件 Connector
1020700951 接插件(二插) Connector
1020304576 二极管 Diode
1020701510 圆形端子 Treminals
1020700169 孔式接头 Treminals
1020701509 圆形端子 Treminals

1020400284 工作灯 Lamp
1029902774 螺栓 M10×10 Bolt
1029902776 橡胶垫圈 10 Washer
1029902775 螺母 M10 Nut
1029902777 垫片 Washer
1020519870 H3灯泡 Bulb
1040000098 螺栓 M8×16-8.8 Bolt
1040300066 垫圈 8-200HV Washer
1029900390 金属安装夹具 Clip
003004277A0410000 加油控制盒 Oil Filling Control Box
1040000069 螺栓 M12×25-8.8 Bolt
1040301022 垫圈 12-300HV Washer
003001077A0401010 前灯支架 Front Lamp Bracket
1040000109 螺栓 M6×16-8.8 Bolt
1040300051 垫圈 6-200HV Washer

1020500846 按钮开关 Switch
1020500845 按钮开关 Switch
003004277A0411010 盖 Cover
1020300104 继电器 Relay
003004277A0410020 加油控制盒线束 Harenss
1040100862 螺钉 M3×8-4.8 Screw
1040300046 垫圈 3 Spring Washer
1040300585 垫圈 3-140HV Washer
003004277A0410010 底座 Plate
1020300149 继电器座 Relay Seat
1040300048 垫圈 5-200HV Washer
1040300060 垫圈 5 Spring Washer
1040100619 螺钉 M5×10-8.8 Screw
1020300103 继电器 Relay
1020700262 片状UT接头 Terminal
1020300149 继电器座 Relay Seat
1020700959 接插件(六插) Connector
1020700951 接插件(两插) Connector
1020304576 二极管 Diode

1040000721 螺栓 M12×25-10.9 Bolt
1040301022 垫圈 12-300HV Washer
1029900290 低音喇叭 Horn
1029900291 高音喇叭 Horn
1029900390 金属安装夹具 Clip
1020404284 工作灯 24v Lamp
1029902774 螺栓 M10×10 Bolt
1029902776 橡胶垫圈 10 Washer
1029902777 垫片 Washer
1029902775 螺母 M10 Nut
1020519870 H3灯泡 Bulb
003004277A0530000 左灯罩 Lamp Chimney

1040000721 螺栓 M12×25-10.9 Bolt
1040301022 垫圈 12-300HV Washer
003004277A0510000 喷淋器支架 Washer Bracket
1040300051 垫圈 6-200HV Washer
1040300062 垫圈 6 Spring Washer
1040000109 螺栓 M6×16-8.8 Bolt
1021300012 喷淋器 Washer
1020519796 压力开关 Switch
1040000098 螺栓 M8×16-8.8 Bolt
1040300066 垫圈 8-200HV Washer
1029900390 金属安装夹具 Clip
003004277A0401040 开关护板 Plate
1990200669 涂塑胶条 Clip

1040100070 螺钉 M5×20-4.8 Screw
1040300060 垫圈 5 Spring Washer
1040300048 垫圈 5-200HV Washer
1021402638 燃油油位传感器 Sensor
1029900390 金属安装夹具 Clip
1040300066 垫圈 8-200HV Washer
1040000098 螺栓 M8×16-8.8 Bolt
1020400344 发讯器 Sensor
1021402639 油温传感器 Sensor
1149900515 堵头 Plug
1040301020 垫圈 10-300HV Washer
1040001764 螺栓 M10×20-10.9 Bolt
003004277A0401030 插头安装座 Plate
1020703835 压力变送器 Sensor

1040300066 垫圈 8-200HV Washer
1040000098 螺栓 M8×16-8.8 Bolt
1040301022 垫圈 12-300HV Washer
003011077A0401030 过渡接头 Fitting
003004277A0470000 发动机接地电缆 Cable
003004277A0460000 预热电缆 Cable
003004277A0480000 启动电机接地电缆 Cable
003004277A0450000 启动电缆 Cable
003004277A0440000 充电电缆 Cable
1040000069 螺栓 M12×25-8.8 Bolt
1990200693 涂塑胶条 Clip
003004277A0550000 发电机接地电缆 Cable