Engine System 003011301A0000000

1000000679 柴油发动机 Engine
1040003338 螺栓 M22×220-10.9 Bolt
1040300603 垫圈 22-35~45HRC Washer
1990400091 减震器防护罩 Guard
1990400014 减震垫 Cushion
1040000573 螺栓 M12×40-10.9 Bolt
1040301022 垫圈 12-300HV Washer
003004601A0600000 右后支座 Seat
003001001A0600000 锁板 Locking Plate
1040001664 螺栓 M16×160-10.9 Bolt
1040300600 垫圈 16-35~45HRC Washer
1990400090 减震器防护罩 Guard
1990400018 减震垫 Cushion
1040000893 螺栓 M12×45-10.9 Bolt
003004201A1600000 右前支座 Seat
003001001A1000000 锁板 Locking Plate
003004601A0400000 左前支座 Seat
003004601A0200000 左后支座 Seat

1040200178 螺母 M10-10 Nut
1009900434 安全抱箍 Clamp
1040301528 垫圈 10-300HV Washer
1009900453 发电机皮带 Generator Belt
1040001764 螺栓 M10×20-10.9 Bolt
1000100181 空气滤清器 Air Filter
1009800658 空滤壳盖总成 Cover Assy
1010500127 空滤器外滤芯 Filter
1010500128 空滤器内滤芯 Filter
1009800657 空滤壳体总成 Body Assy
1009900657 管夹 Clamp
003011101A0200000 预滤连接管 Hose
1040301022 垫圈 12-300HV Washer
1040300054 垫圈 12 Spring Washer
1040000490 螺栓 M12×30-10.9 Bolt
1000100185 空气预滤器 Air Pre-Filter
1009900435 电子式指示器 Indicator
1990201028 T型抱箍 Clamp
003011101A0001010 连接胶管 Hose
1990201027 T型抱箍 Clamp
003004201A0400000 连接管 Hose
003004201A0001010 连接胶管 Hose
1040000721 螺栓 M12×25-10.9 Bolt
1040004464 螺栓 M10×145-8.8 Bolt
1021000100 风扇 Fan
1021000115 风扇垫块 Cushion
1000300864 垫块 Cushion

1990200829 T型抱箍 Clamp
003004201A0001050 排气连接管 Hose
1009800664 卡箍 Clamp
003011001A0001010 U形螺栓 U-Bolt
1000200484 消音器 Silencer
003004201A0200001 消音器支架 Bracket
1040301528 垫圈 10-300HV Washer
1990200952 卡箍 Clamp
1040200178 螺母 M10-10 Nut
1040000574 螺栓 M10×30-10.9 Bolt
1040301020 垫圈 10-300HV Washer
1040000288 螺栓 M8×25-8.8 Bolt
1040300066 垫圈 8-200HV Washer
003011301A0001010 机滤支架 Bracket
1009800851 远程机滤座连接管 Hose
1009800852 远程机滤座连接管 Hose
1140114378 接头 Fitting
1140114379 接头 Fitting
1029903940 滤芯座 Seat
1140109639 堵头 Plug
1010600305 机油过滤器滤芯 Filter
1030400219 联轴器 Coupler
003001001A0001040 液压泵座板 Plate
1040000366 螺栓 M10×35-10.9 Bolt
1990200665 连胶条 Clip
1140211348 胶管 Hose
1040002517 螺栓 M20×70-10.9 Bolt
1040301033 垫圈 20-300HV Washer
1040200184 螺母 M20-10 Nut
联轴器(1030400219)
Coupler

1039800636 轴套 Sleeve
1039800634 弹性销 5×10 Pin
1039800632 螺钉 M18×55-10.9 Screw
1039800637 轴向铝块 Axial Distance Plate
1040101732 螺钉 M16×21-12.9 Screw
1039800635 弹性体 Elastomer
1039800633 径向铝块 Radial Distance Plate
Fuel System 003004602A0000000

1990200855 卡箍 Clamp
1140109499 宝塔接头 Fitting
003004202A0200000 泵安装板 Plate
1140300051 垫圈 6-200HV Washer
1040000109 螺栓 M6×16-8.8 Bolt
1040000721 螺栓 M12×25-10.9 Bolt
1040301022 垫圈 12-300HV Washer
1010000716 加油泵 Fuel Feed Pump
1040200111 螺母 M6 Nut
1140105298 接头 Fitting
1000400186 球阀 Valve
1140105721 接头 Fitting
003011002A0800000 胶管 Hose
003011002A1200000 安装板 Plate
003011002A0001020 压条 Sealing Strip
1000400188 滤网 Filter Net
003011002A0001030 吸油管 Hose
1990200679 扎带 Tie
1140104375 接头 Fitting
1081002014 O形圈 O-Ring
1040000018 螺栓 M8×30-8.8 Bolt
003004202A0400000 胶管 Hose
1001410249 胶管 Hose
1990200692 涂塑胶条 Clip
1040300066 垫圈 8-200HV Washer
1040000098 螺栓 M8×16-8.8 Bolt
1010301933 阀 Valve
1081000054 组合密封圈 Washer
003011002A0001010 接头 Fitting
1990200674 卡箍 Clamp
1990200678 连胶条 Clip
1040000575 螺栓 M12×35-10.9 Bolt
003004202B0800000 胶管 Hose
1000400428 燃油粗滤芯 Filter
003027002A0600000 胶管 Hose
1140224918 胶管 Hose
1040000366 螺栓 M10×35-10.9 Bolt
1040301020 垫圈 10-300HV Washer
1140105720 接头 Fitting
1081003669 O形圈 O-Ring
1000400458 油水分离器滤芯 Filter
1040000288 螺栓 M8×25-8.8 Bolt
1000400559 胶管 Hose
003004202B0200000 支架 Bracket
1040000549 螺栓 M10×25-10.9 Bolt
003004602A0200000 支架 Bracket
1000400445 燃油精滤器滤芯 Filter
003004602A0001010 胶管 Hose
003004202A1600000 胶管 Hose
1990200696 连胶条 Clip
003004202A1400000 支架 Bracket
1140103713 接头 Fitting
1000400306 燃油冷却器 Cooler
003004202A1800000 支架 Bracket
1990200669 涂塑胶条 Clip
1040003412 铰接螺栓 Bolt
1081000074 组合密封垫圈 12 Washer
1140104406 接头 Fitting
1081001726 O型圈 O-Ring
1019900464 螺塞 Plug
● 加油泵(1010000716)
Fuel Feed Pump

1019800782 叶片 Blade
1040101131 螺钉 M5×16-8.8 Screw
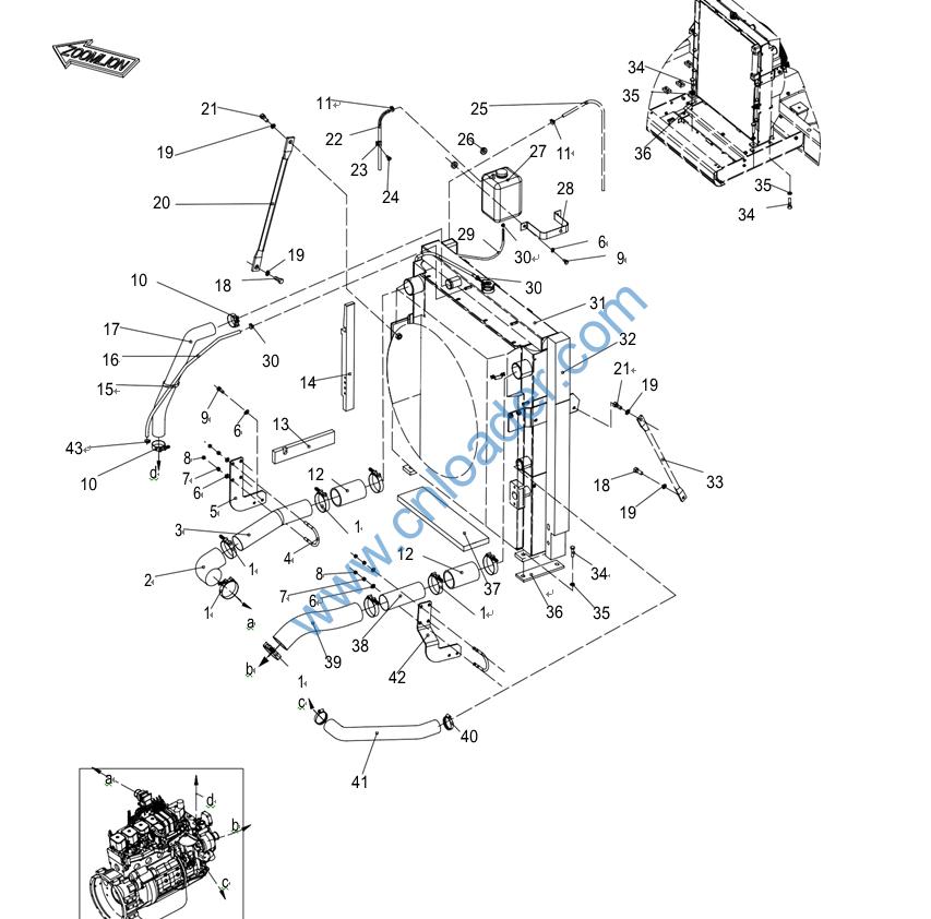
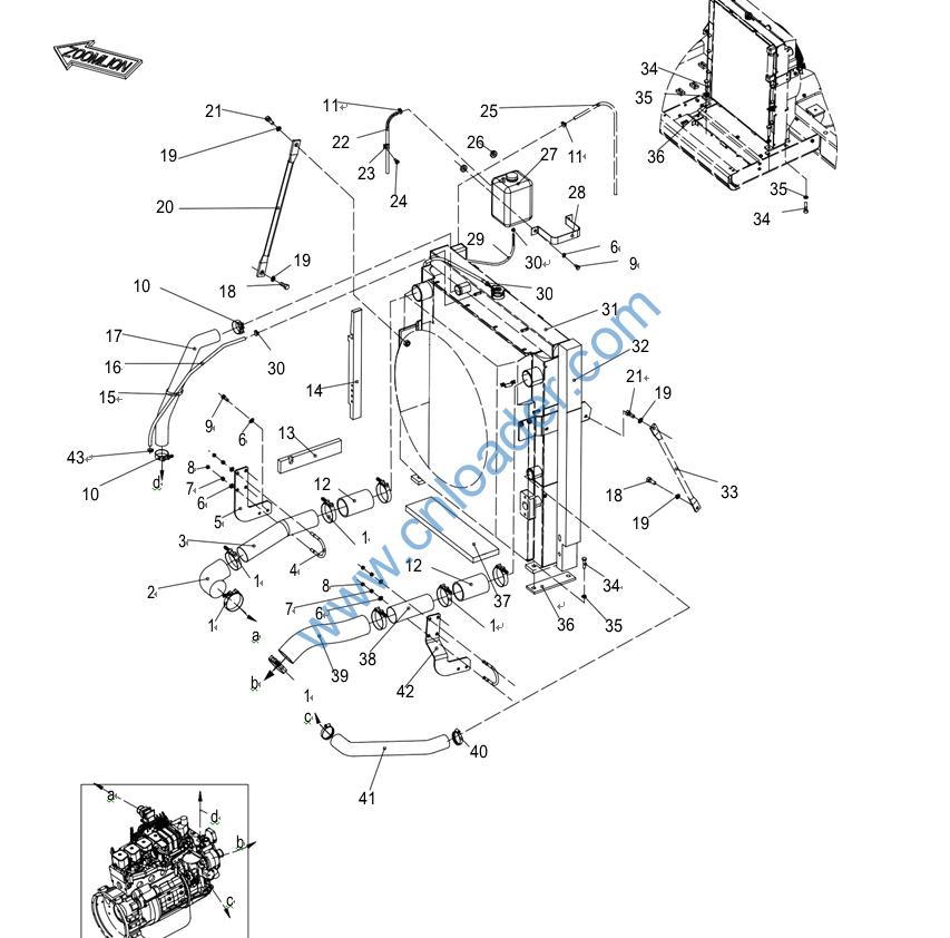
Cooling System 003011304B0000000

1990200667 T型抱箍 Clamp
003004204A0001010 胶管弯头 Hose
003004204A0001020 弯管 Hose
003001004A0001030 U型管卡 Clamp
003004204A0001030 钢管支架 Bracket
1040301020 垫圈 10-300HV Washer
1040200178 螺母 M10-10 Nut
1040200668 螺母 M10-5 Nut
1040000574 螺栓 M10×30-10.9 Bolt
1990201310 卡箍 Clamp
1990201086 卡箍 Clamp
003004204A0001040 连接胶管 Hose
003004204A0001140 密封海绵 Sponge
003004204A0001150 密封海绵 Sponge
1990200679 扎带 Tie
1140227955 胶管 Hose
003004204A0001050 出水管 Hose
1040000140 螺栓 M16×45-10.9 Bolt
1040301016 垫圈16-300HV Washer
003004204A0001070 撑杆 Rod
1040000143 螺栓 M16×40-10.9 Bolt
1149901631 胶管 Hose
1990200669 涂塑胶条 Clip
1040000267 螺栓 M8×20-8.8 Bolt
1001410188 胶管 Hose
003004204A0001060 垫圈 Washer
1000300224 储液罐 Reservoir
003004204A0001160 箍带 Clamp
1140250436 胶管 Hose
1990201157 卡箍 Clamp
1000300734 散热器 Radiator
003004204A0001080 密封海绵 Sponge
003004204A0200000 前撑杆 Rod
1040002233 螺栓 M12×60-10.9 Bolt
1040301022 垫圈 12-300HV Washer
003001004A0001070 橡胶垫 Rubber Pad
003004204A0001100 密封海绵 Sponge
003004204A0001120 钢管 Tube
003004204A0001130 胶管 Hose
1990200885 卡箍 Clamp
003011104A0001010 进水管 Hose
003004204A0400000 钢管支架 Bracket
1990200952 卡箍 Clamp
散热器(1000300734)
Radiator

1009806050 防护网 Protecting Net
1040000549 螺栓 M10×25-10.9 Bolt
1040300067 垫圈 10 Washer
1040301020 垫圈 10-300HV Washer
1009806051 导风罩 Shroud
1140252975 胶管 Hose
1990202436 喉箍 Clamp
1000300859 油散热器 Oil Radiator
1009806053 右侧板 Bracket
1009806054 右支架 Bracket
1000300861 水散热器 Water Radiator
1000300862 中冷器 Air Radiator
1040000574 螺栓 M10×30-10.9 Bolt
1009806055 防尘网 Dusting Net
1009806052 副水箱 Auxiliary Radiator
1060100488 球阀 Ball Valve
1069800149 水箱盖 Pressure Cap
1040005911 蝶形螺栓 M8×20 Bolt
1990202435 软管夹 Clamp
1140253057 胶管 Hose
1990200890 T型卡箍 Clamp
1009806047 左支架 Bracket
1009806048 左侧板 Bracket
1040000267 螺栓 M8×20-8.8 Bolt
1040300063 垫圈 8 Washer
1040300066 垫圈 8-200HV Washer
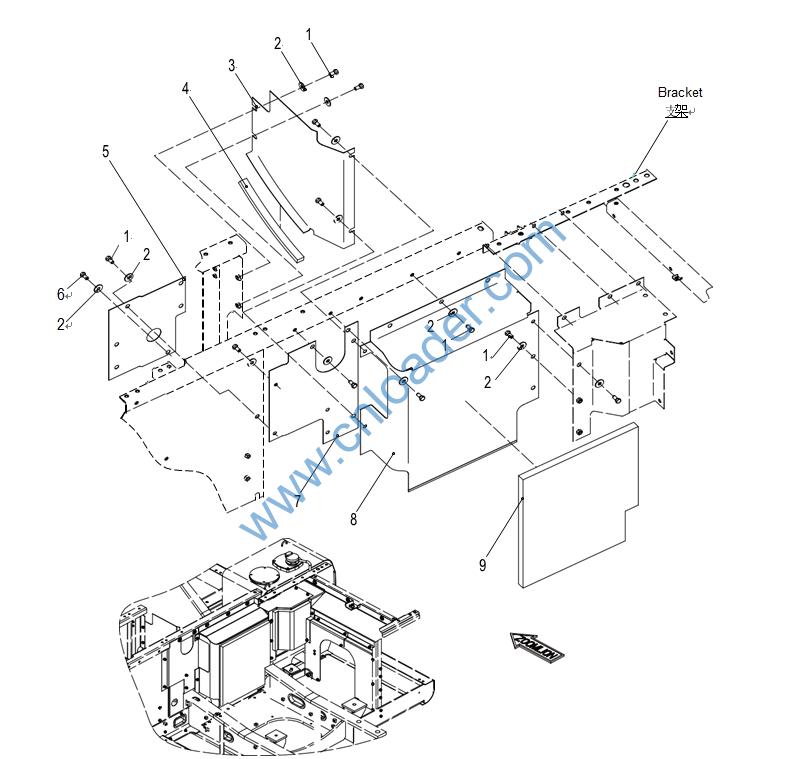
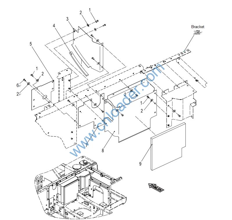
Partition Ass’y 003004205A0000000
隔板总成 (003004205A0000000)(1/2)
Partition Ass’y

1040000721 螺栓 M12×25-10.9 Bolt
1040301031 垫圈 12-300HV Washer
003004205A0001020 板 Plate
003004205A0001050 吸音海棉 Sponge
003004205A0001010 板 Plate
1040000490 螺栓 M12×30-10.9 Bolt
003004205A0200000 板 Plate
003004205A0400000 隔板 Plate
003004205A0001030 吸音海棉 Sponge

003004205A0600000 隔板 Plate
003004205A0001040 吸音海棉 Sponge
003004205A1200000 隔板 Plate
003004205A1000000 隔板 Plate
003004205A0800000 隔板 Plate
1040000721 螺栓 M12×25-10.9 Bolt
1040301031 垫圈 12-300HV Washer